Cut unused connector from under driver's seat when engine was running, now have issues with electrical components not working

1997 DODGE CARAVAN
178,000 MILES • 3.8L • V6 • 4WD • AUTOMATIC
Avatar
COLTON747
  • MEMBER
  • 2 POSTS
So I cut the connector for an electric driver's seat which I don't have. The engine was running and I shorted the two black and red wires and the lights dimmed for a moment until it cut through. Now when I turn the key to the on position and flick the unlock/lock switch, nothing happens. The turn signals don't work but the hazards do work, the blower motor switches and dials don't work and they don't turn on. The engine runs like usual, (which is bad too), but usual and you can drive it. Those things just don't work though. I have checked all the fuses that are located in the fuse box under the hood and the main TIPM box under the dash and all fuses are fine.

I would really like to fugue this out!

Sincerely,
Colton.
Jan 13, 2021 at 5:09 PM
Advertisement
Avatar
CARADIODOC
  • CERTIFIED EXPERT
  • 34,306 POSTS
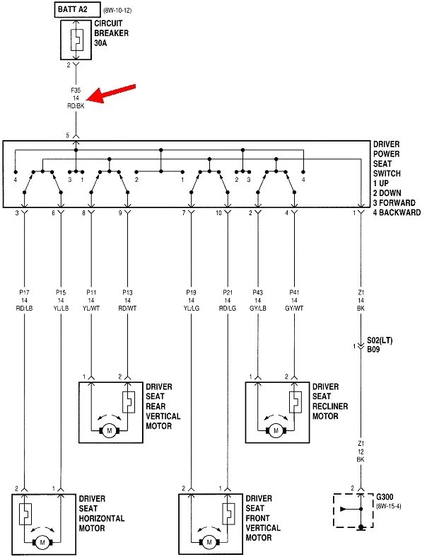
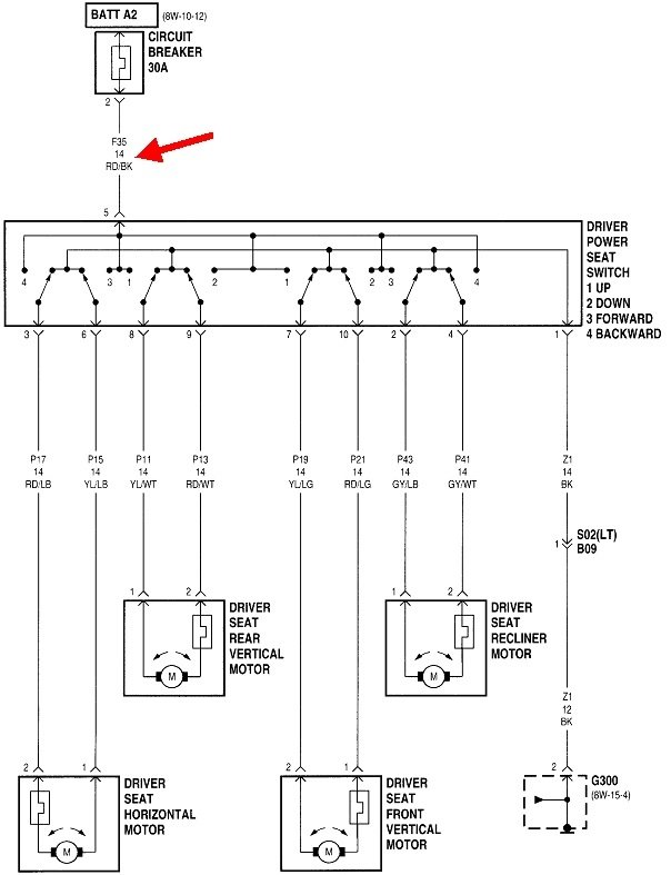
Shorting the red/black wire should have tripped the auto-resetting circuit breaker, but it sounds like this happened too fast. That's shown in the first diagram just above the red arrow.

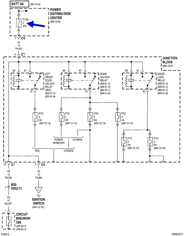
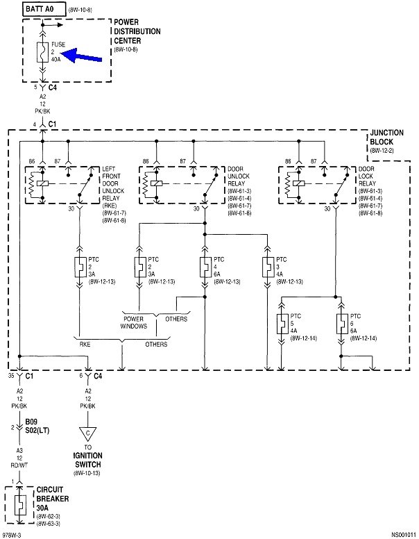
Diagram 2 shows that circuit breaker at the bottom, and it's fed by the large 40-amp maxi-fuse # 2 at the top, (blue arrow). That fuse also feeds the power lock relays and one section of the ignition switch. That would explain why all those systems you listed are not working. The third drawing shows the location of the Power Distribution Center under the hood, and the fourth one shows fuse # 2. That fuse has to be blown.
Jan 13, 2021 at 7:51 PM
Avatar
COLTON747
  • MEMBER
  • 2 POSTS
The picture below, which is the style of PDC that I have. The layout of fuse box is different but the mention of the 30A and the 40A fuses made me check again and fiddle around with everything. Lo and behold it was the 40A fuse like you had mentioned. Thank you very much for the info! I will diffidently be using this site more. Have a great one!

Sincerely,
Colton
Jan 24, 2021 at 12:50 PM
Advertisement
Avatar
CARADIODOC
  • CERTIFIED EXPERT
  • 34,306 POSTS
Dandy. Happy to hear you solved it. Please come back to see us again.
Jan 24, 2021 at 8:06 PM