headlight switch issue

1997 JEEP CHEROKEE
251,000 MILES • 4.0L • 6 CYL • 4WD • AUTOMATIC
Avatar
DPRUNEST
  • MEMBER
  • 9 POSTS
My headlight switch will turn on the running lights and dash lights if i pull it out a very small amount. if i pull it out to turn on the headlights the dash and running lights do not work. i have looked over everything and cannot figure this out. i have replaced my headlight switch three times. i have inspected grounds, fuses, connections. still lost. any help will be accepted. i seen someone posted on here in 2008 with the same problem. No answers in the comments of the issue. all the lights work just not together. either i have running lights and dash lights or i have headlights.
Dec 22, 2017 at 12:21 PM
Advertisement
Avatar
CARADIODOC
  • CERTIFIED EXPERT
  • 34,306 POSTS
Do you have daytime running lights, fog lights, and trailer tow package? Sometimes the head lamp switches are different depending on optional equipment.

Put the switch in the head lamp position, then check for twelve volts on the tan/black wire. If it is missing, fuse 17, a 20-amp, in the under-hood fuse box is blown.

Check for twelve volts on the black/yellow wire. If you have that, the radio's back lighting should be lit up. That wire feeds fuses 7 and 23, both 10-amp, in the inside fuse box. Check for twelve volts on both sides of those fuses.
Dec 22, 2017 at 1:47 PM
Avatar
DPRUNEST
  • MEMBER
  • 9 POSTS
With the headlamp switch pulled out to headlights on position I have no power at them wires. But when I slightly pull the headlamp switch out to a position here my running lights come on, I have power to both wires you have stated. But only at that sweet spot in my headlamp switch. All the lights work and have power, they just do not work together. Either I pull the switch all the way out and have headlights or I barely pull it out to that sweet spot and only have running lights and dash light.
Dec 22, 2017 at 4:19 PM
Advertisement
Avatar
STEVE W.
  • CERTIFIED EXPERT
  • 15,113 POSTS
Sounds like a bad switch. The interior contacts have failed and only connect in positions that are not correct for the detents in the switch. Same type of failure the sliding ignition switch contacts have. If you get them in just the right spot all is good, anywhere else gets you nothing.
Dec 23, 2017 at 10:12 AM
Avatar
CARADIODOC
  • CERTIFIED EXPERT
  • 34,306 POSTS
It does sound like a bad switch, but it has been replaced already. Do not worry about that "sweet spot". What I want to see is what voltages you find on those wires when the switch is solidly in the "head light" position. If there is no twelve volts on the black/yellow wire, but there is on the tan/black, the switch is bad or wrong.

There is one other possibility. Often the high-current contacts in a head light switch or ignition switch become overheated and arced, and that heat migrates out to two connector terminals. Once the switch is replaced, those two blackened terminals must be cut out of the melted connector body and replaced individually. Failure to replace both the switch and the terminals at the same time will result in the overheated part doing the same thing, and the resulting heat build-up will damage the new part. Overheated and arced terminals that are not replaced will cause no or intermittent operation of their circuit.
Dec 23, 2017 at 7:39 PM
Avatar
DPRUNEST
  • MEMBER
  • 9 POSTS
When switch is pulled to head light position I have no voltage at either wire. Where are these blackened terminals located?
Dec 24, 2017 at 10:10 AM
Avatar
CARADIODOC
  • CERTIFIED EXPERT
  • 34,306 POSTS
Dandy. If you have 0 volts on the tan/black wire, fuse 17, a 20-amp in the under-hood fuse box is blown or that wire has a break in it. I suspect when you slowly pull the switch part-way out, one of the other contacts is making momentary connection so the tail lights turn on. While that is a valid clue in that it proves that circuit works and does not have a short in it, it is not normal operation.
Dec 24, 2017 at 6:02 PM
Avatar
DPRUNEST
  • MEMBER
  • 9 POSTS
All fuses are good. All lights work just not together.
Dec 25, 2017 at 7:50 AM
Avatar
ASEMASTER6371
  • CERTIFIED EXPERT
  • 52,796 POSTS
Dandy, I see you said the fuses are good. Did you check for voltage on both sides of the fuse? It may be a voltage supply issue to the fuse.

Roy
Dec 25, 2017 at 9:41 AM
Avatar
DPRUNEST
  • MEMBER
  • 9 POSTS
This concern of mine is hard to explain. my lights they all work, I am getting proper voltage, my fuses are good. My switch has been replaced numerous times with new switches. The concern I am having is that when applying my switch to the appropriate position of headlights on, the running lights and dash lights do not come one although when I apply it to the sweet spot, which is roughly half way between off position and the first click, my running lights and dash lights work. So they all work, just not the way it should be working.
Dec 25, 2017 at 9:44 PM
Avatar
DPRUNEST
  • MEMBER
  • 9 POSTS
This may be helpful.
Dec 25, 2017 at 9:50 PM
Avatar
CARADIODOC
  • CERTIFIED EXPERT
  • 34,306 POSTS
You completely missed my comment about that "sweet spot". That is not normal operation and is not a valid test. It only shows the rear bulbs and wiring to them are okay.

The only way to do diagnostics in the circuit is to switch it to the position that does not work as designed, then analyze the voltage readings. You found no voltage on the tan/black wire that feeds the tail light circuit, so of course that circuit will be out. Pulling the switch half way out is connecting the tail light circuit to the wrong feed circuit. That is a function of the location of the contacts within the switch.

You need to find out why 12 volts is missing on the tan / black wire. You said the fuse is good. That leaves a break in the wire between that fuse and the switch, or, as ASEMASTER6371 said, 12 volts is missing to that fuse.

You said, "This concern of mine is hard to explain. My lights they all work, I am getting proper voltage, my fuses are good, . . . ", but earlier you said you had 0 volts on both the tan/black and the black/yellow wires. Both of those statements cannot be right. You do not have proper voltage, and the lights do not work properly. Measure the voltage on both sides of fuse 17 and tell me what you find.
Dec 26, 2017 at 2:16 PM
Avatar
DPRUNEST
  • MEMBER
  • 9 POSTS
14 v on both sides and voltage drop of 0
Dec 26, 2017 at 2:43 PM
Avatar
CARADIODOC
  • CERTIFIED EXPERT
  • 34,306 POSTS
Dandy. I don't know what voltage drop you're referring to, but you have voltage at the fuse and not at the other end of the wire at the switch. The tan / black wire is cut or there's a broken connection inside the fuse box where the tan / black wire is attached.
Dec 26, 2017 at 2:48 PM
Avatar
ASEMASTER6371
  • CERTIFIED EXPERT
  • 52,796 POSTS
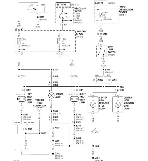
Going back over sold checks, if you have power on both sides of the fuse, the next stop for voltage is the lights. This enforces all our replies about a broken wire between the fuse block and the light. the fuse is after the switch. the fuse only gets power when the switch is in the headlight position. attached is a diagram.
Dec 26, 2017 at 5:39 PM
Avatar
CARADIODOC
  • CERTIFIED EXPERT
  • 34,306 POSTS
You're on the wrong diagram. Look at the "Exterior Lights" diagram, then you'll see a different part of the head light switch that is fed from fuse 17, then on the tan / black wire to the switch. I was confused by this diagram too.
Dec 26, 2017 at 6:08 PM
Avatar
CRAZY MAE
  • MEMBER
  • 5 POSTS
I am having the same problem with my lights on my 1994 Jeep Cherokee and I replaced the headlight switch with 3 different switches. Must be a bad wire like Caradiodoc is saying. What a pain!
Oct 12, 2019 at 8:52 PM
Avatar
CARADIODOC
  • CERTIFIED EXPERT
  • 34,306 POSTS
Unfortunately we don't know if the previous problem has been solved or what the solution was. If you figure this out or need more help, please post a follow-up reply.
Oct 12, 2019 at 9:19 PM
Avatar
CRAZY MAE
  • MEMBER
  • 5 POSTS
Okay
Oct 12, 2019 at 9:33 PM
Avatar
DPRUNEST
  • MEMBER
  • 9 POSTS
$120.00 diagnosis from the dealership. Most expensive fuse I’ve ever purchased. It was a fuse under the hood. My multi-meter said it was fine. But the fuse was bad.
Oct 13, 2019 at 9:35 PM
Avatar
CARADIODOC
  • CERTIFIED EXPERT
  • 34,306 POSTS
Rats. This is why voltage readings are more accurate than ohm meter readings. My guess is the mechanic knew some diagnostics had been done already, so he failed to check the fuses first. Now the question is why did the fuse blow in the first place?

Regardless, happy to hear it has been solved.
Oct 13, 2019 at 10:38 PM
Avatar
DURFEE33
  • MEMBER
  • 3 POSTS
i am having the same exact problem with my 1996 Cherokee. replaced the headlight switch and didn’t work. what fuse was it??
Aug 4, 2020 at 4:26 PM
Avatar
ASEMASTER6371
  • CERTIFIED EXPERT
  • 52,796 POSTS
There never was an explanation of the fuse number.

As we said, that is why you check for voltage at fuses and not ohms. That is the correct way to test fuses.

https://www.2carpros.com/articles/how-to-check-a-car-fuse

Roy
Aug 4, 2020 at 4:42 PM
Avatar
DURFEE33
  • MEMBER
  • 3 POSTS
i haven’t checked any fuses yet. just wanted to know so i didn’t have to check them all.
Aug 4, 2020 at 4:47 PM
Avatar
ASEMASTER6371
  • CERTIFIED EXPERT
  • 52,796 POSTS
Use your test light and check for power on both sides of the fuses with the key on.

It should take you about 10 minutes.

Roy
Aug 4, 2020 at 5:10 PM
Avatar
DURFEE33
  • MEMBER
  • 3 POSTS
it was a blown fuse under the dash. had no idea it could even be a fuse because it still had power to the sweet spot.
Aug 4, 2020 at 8:41 PM
Avatar
ASEMASTER6371
  • CERTIFIED EXPERT
  • 52,796 POSTS
Yes, that is correct. Some fuse break right where the pin plugs into the fuse block. You will still show voltage in the test area above the fuse.

You need to do both a visual and a voltage test to check them.

Roy
Aug 5, 2020 at 4:51 AM