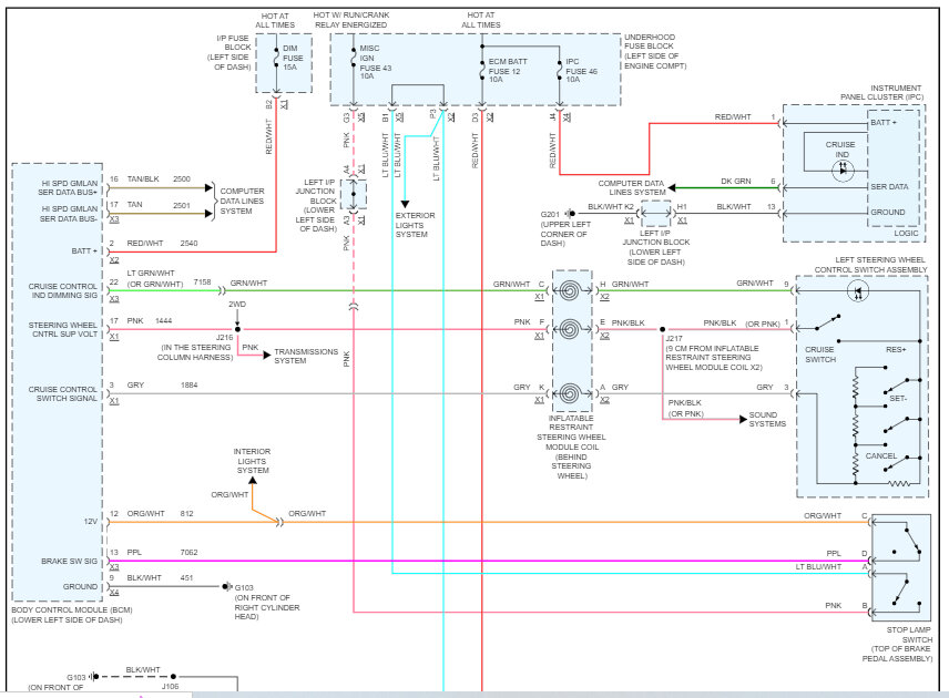
My cruise control doesn’t work. The light on the button lights up but the dash light doesn’t work, nor does it set the cruise. I am trying to find the wiring diagram for the entire cruise control system including interior panel fuses and main panel fuses. Thanks
Oct 22, 2022 at 1:54 PM




