Cruise Control stop working?

2011 FORD ESCAPE
172,559 MILES • 2.5L • 4 CYL • 2WD • AUTOMATIC
Avatar
JEAN GAGNON
  • MEMBER
  • 2 POSTS
Last week i tried to put on the cruise Control but it did not work. And No cruise control light on.
Oct 13, 2024 at 7:52 PM
Advertisement
Avatar
STRAILER
  • CERTIFIED EXPERT
  • 53,854 POSTS
Okay, the first thing we should do is check the #2 fuse in the fuse panel at the center of the dash and the fuse # 28 in the fuse panel under the hood. here is a guide to help and I have included the fuse location in the images below.

https://www.2carpros.com/articles/how-to-check-a-car-fuse

Check out the images (below). Please let us know what happens.
Oct 14, 2024 at 10:35 AM
Avatar
JEAN GAGNON
  • MEMBER
  • 2 POSTS
Hi Ken L! I just checked the 2 fuses, and they are okay (no burn fuses). Do you have another idea that i can try? If i am in a parking an i put on the Cruise control, will i see the light on in my dash? Because the light of cruise control, do not get on. Thanks' for helping!
Jean G
Oct 14, 2024 at 1:11 PM
Advertisement
Avatar
STRAILER
  • CERTIFIED EXPERT
  • 53,854 POSTS
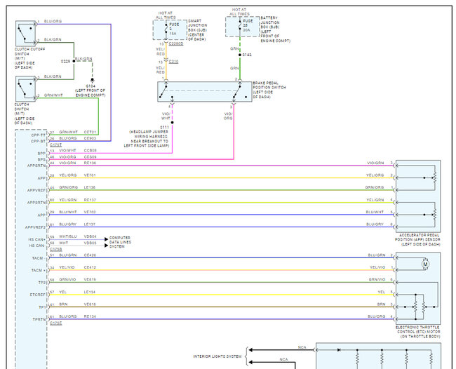
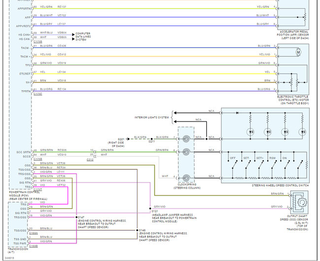
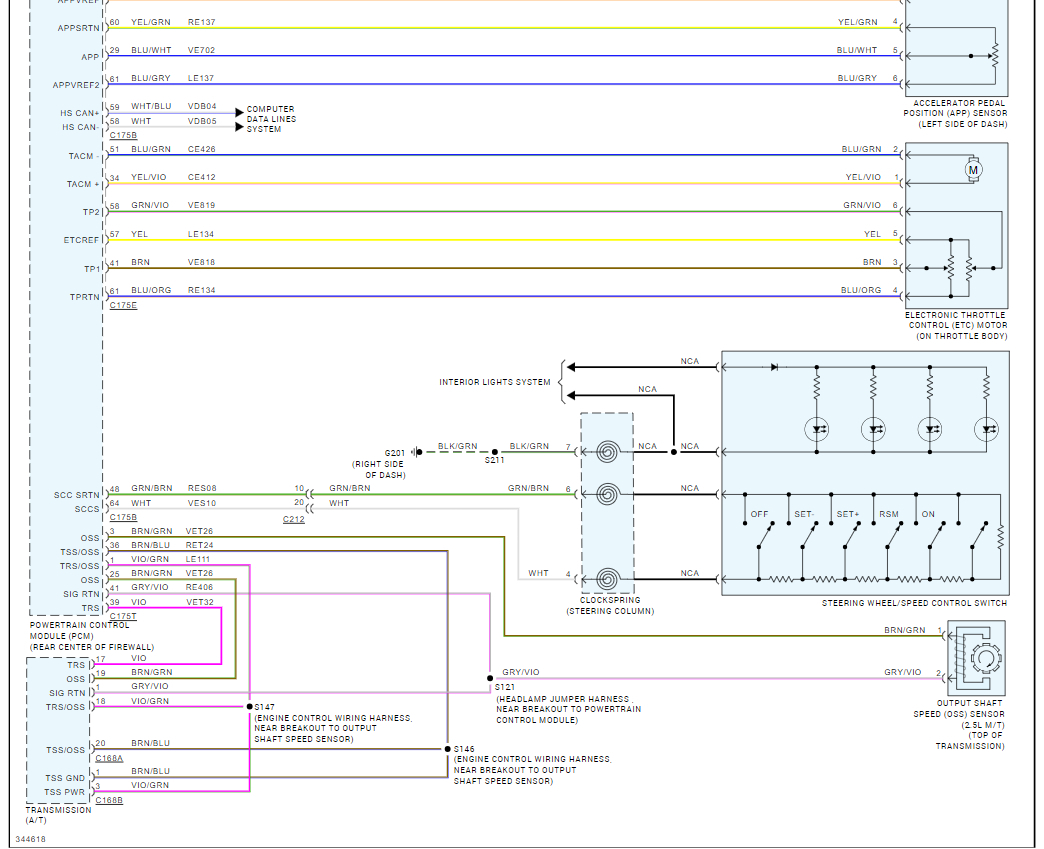
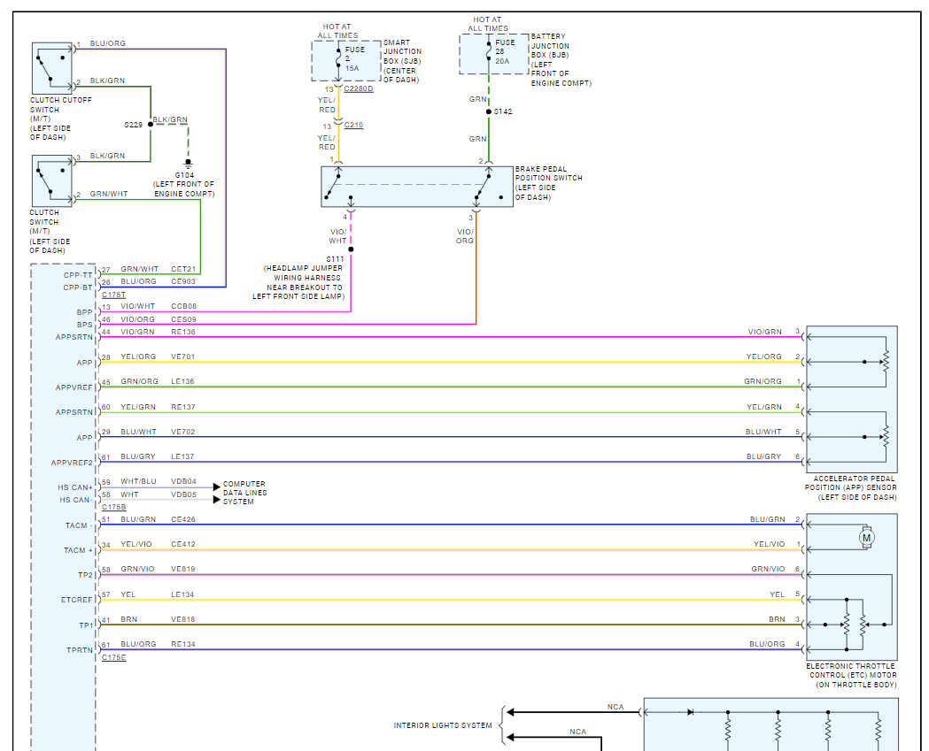
If the light is not coming on and the fuses are good, there is a circuit error. A common place for the failure is the clock spring (spiral wire) behind the steering wheel. Here is the cruise control wiring diagrams and a guide to help test through the wire and how to replace the clock spring if it tests bad.

https://www.2carpros.com/articles/how-to-check-wiring

Check out the images (below). Please let us know what happens.
Oct 15, 2024 at 9:05 AM