Cruise Control not working?

2005 CHEVROLET EQUINOX
154,117 MILES • 3.4L • V6 • 4WD • AUTOMATIC
Avatar
ANDREWKELLEY
  • MEMBER
  • 1 POST
When I press the cruise control button the cruise control won't do anything, the light will not come on and the cruise control is not activating. what could be the problem?
Sep 7, 2024 at 4:33 PM
Advertisement
Avatar
JACOBANDNICKOLAS
  • CERTIFIED EXPERT
  • 110,175 POSTS
Hi,

The cruise control not functioning can be the result of a few different things. It could be something as simple as a faulty brake light switch or as involved as the steering wheel module coil, PCM, and so on.

If you haven't already, I do recommend having the can-bus scanned to determine if there are codes related stored in one or more of the modules. CAN stands or controller area network. Basically, the different modules are tied together via a few wires. This type of scan will retrieve codes regardless of the module storing them.

Here is a link that shows how it is done:

https://www.2carpros.com/articles/can-scan-controller-area-network-easy

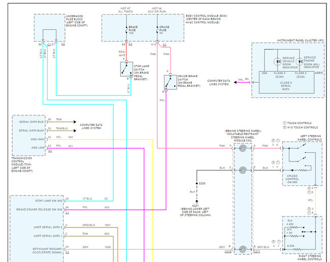
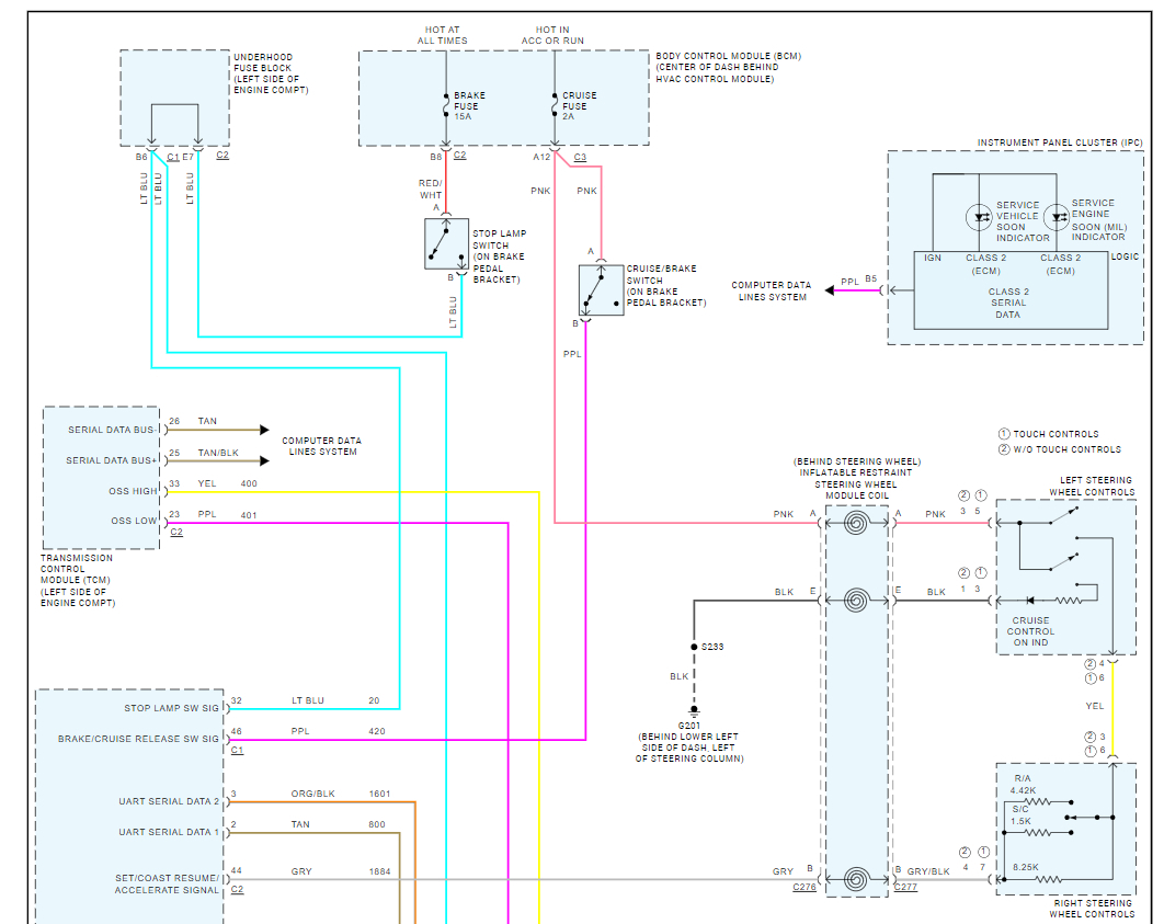
Next, I attached the diagnostics for the system below. Take a look through the directions and let me know if this is something you are comfortable performing.

Let me know.

Take care.,

Joe

See pics below.
Sep 7, 2024 at 7:19 PM
Avatar
STRAILER
  • CERTIFIED EXPERT
  • 53,854 POSTS
I would start by checking the brake and cruise fuse in the fuse panel inside the car here is a guide to help, if the fuses are good chances are the clock spring has gone bad which is typical.

https://www.2carpros.com/articles/how-to-check-a-car-fuse

Here are the cruise control wiring diagrams so you can see how the system works, and I have included how to change out the clock spring as well. Check out the images (below). Please upload pictures or videos in your response of any problems so we can see what to help you with.



.
Sep 7, 2024 at 7:27 PM
Advertisement