cruise control not working

1996 FORD F-150
171,000 MILES • 4.9L • 6 CYL • MANUAL
Avatar
BRIAN K CONNER
  • MEMBER
  • 35 POSTS
Cruise control just stopped working. All fuses are good and everything inside cruise box under hood not seized and moves freely. What else can I check to fix this issue?
Help!
Jun 21, 2018 at 3:15 PM
Advertisement
Avatar
STRAILER
  • CERTIFIED EXPERT
  • 53,855 POSTS
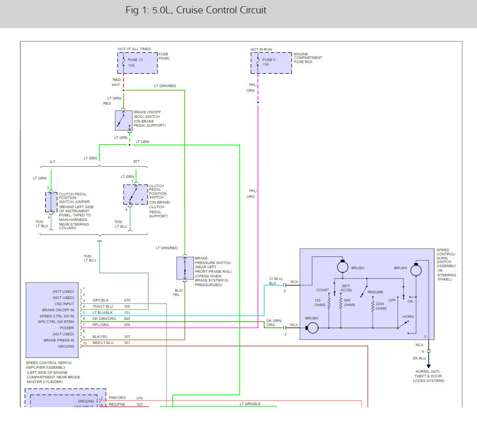
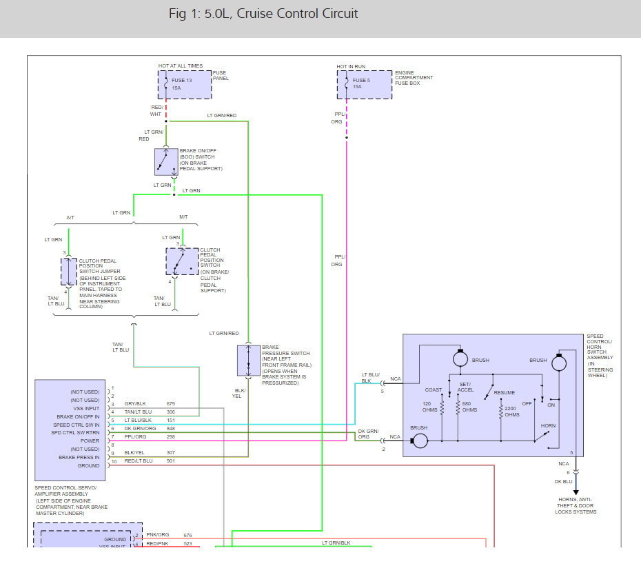
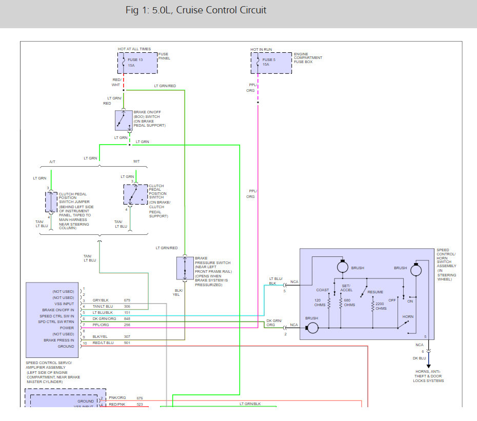
It usually is the cruise control servo that goes out but to be sure lets make sure it is getting power and ground. Also, test the brake light switch. Here is the wiring diagrams and a guide to help you run some simple test and see how the system works:

https://www.2carpros.com/articles/how-to-check-wiring

Check out the diagrams (below). Please let us know what happens.

Cheers, Ken
Jun 23, 2018 at 1:00 PM