Cruise control not working?

2002 FORD ESCAPE
103,000 MILES
Avatar
HOOKLA
  • MEMBER
  • 2 POSTS
Cruise control buttons not working. Checked fuses and all good. Are these switches on the steering wheel a known weak link? And I'm having a challenge locating replacement ones. Any suggestions?
Nov 2, 2024 at 3:36 PM
Advertisement
Avatar
STRAILER
  • CERTIFIED EXPERT
  • 53,854 POSTS
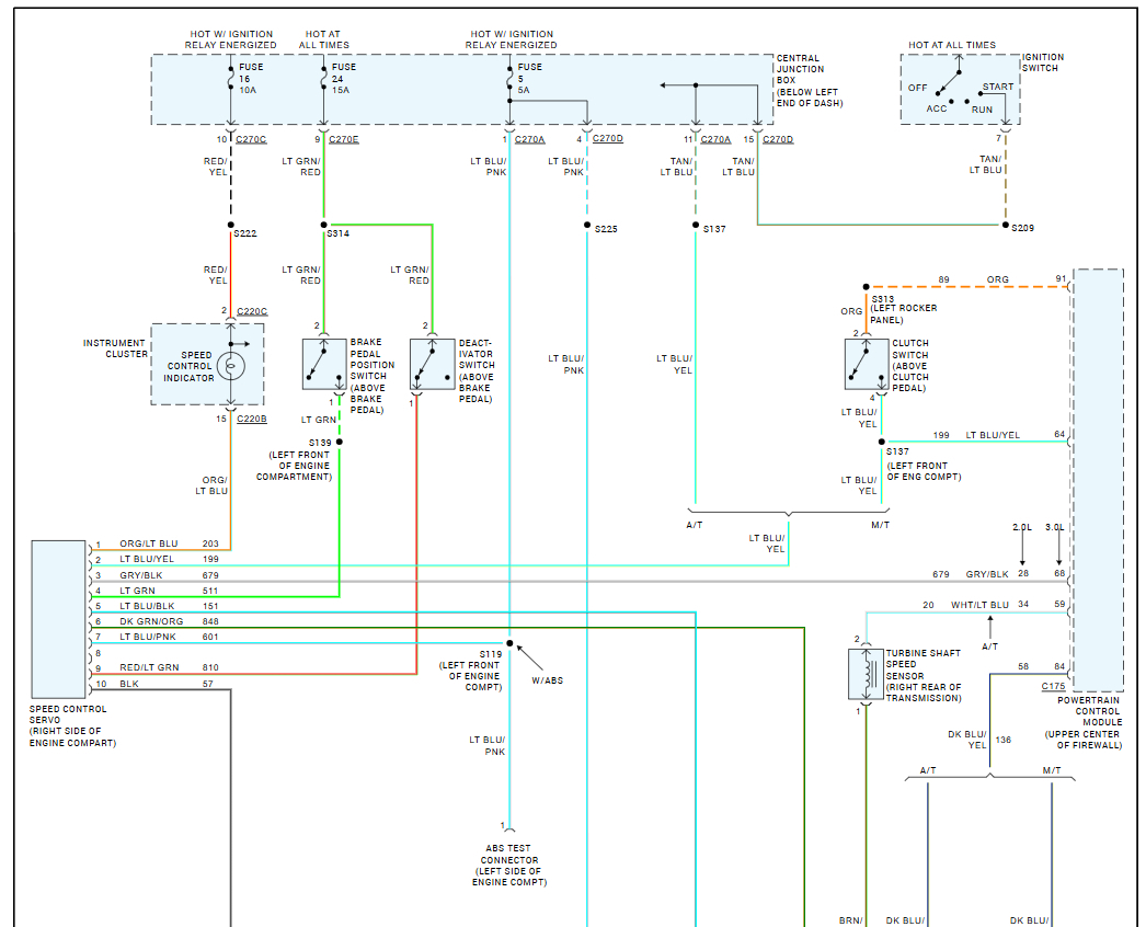
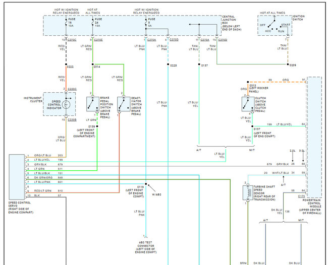
Yep, you called it, the clock spring or spiral wire behind the steering wheel is a weak link. But I would check to make sure the brake lights are not on without your foot on the brake pedal. Did you try rockauto? Here is how to change the clock spring out in case you need it.
Nov 2, 2024 at 5:39 PM
Avatar
HOOKLA
  • MEMBER
  • 2 POSTS
What's the purpose of this Clock Spring?
Nov 2, 2024 at 5:43 PM
Advertisement
Avatar
STRAILER
  • CERTIFIED EXPERT
  • 53,854 POSTS
It enables the connection from the steering wheel control to be able to command the cruise control. Please check out the wiring diagrams which I have marked the clock spring. Check out the images (below). Let us know if you need anything else.
Nov 3, 2024 at 11:22 AM