cruise control stopped working

2001 GMC YUKON
278,000 MILES • 4.8L • V8 • 2WD • AUTOMATIC
Avatar
ABDULLAH SYED YOUNUS
  • MEMBER
  • 1 POST
I bought this vehicle some few months ago, the cruise control was working off/on all of the sudden it stopped working. check it through OBD and found few codes. also some car electricians advised me to change the airbag clockspring. I bought it and spent some $1,000.00 until now but all this didn't work, even all the fuses are working fine attached the computer check codes. now I don't know what to do in order to run this cruise control switch again.
May 31, 2021 at 11:03 PM
Advertisement
Avatar
KASEKENNY
  • CERTIFIED EXPERT
  • 18,907 POSTS
Each of those codes are for the airbag system. I attached the testing for one of them as I suspect they are related. If you correct one I suspect you will find the solution to each of them.

As for the cruise control not working, we need to know if when you turn the system on with the button, if the cruise control light in the dash comes on.

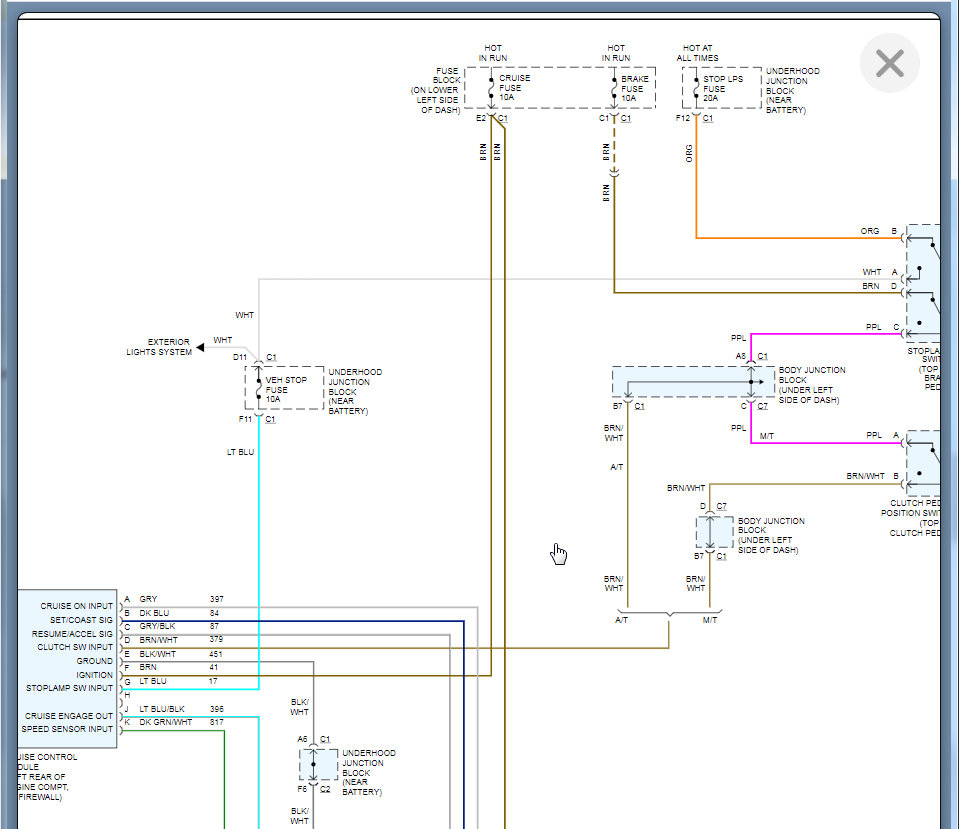
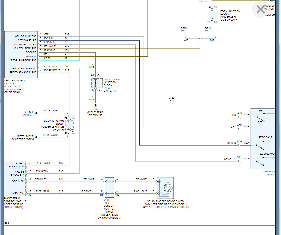
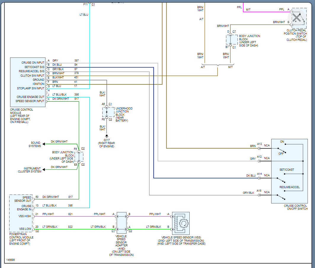
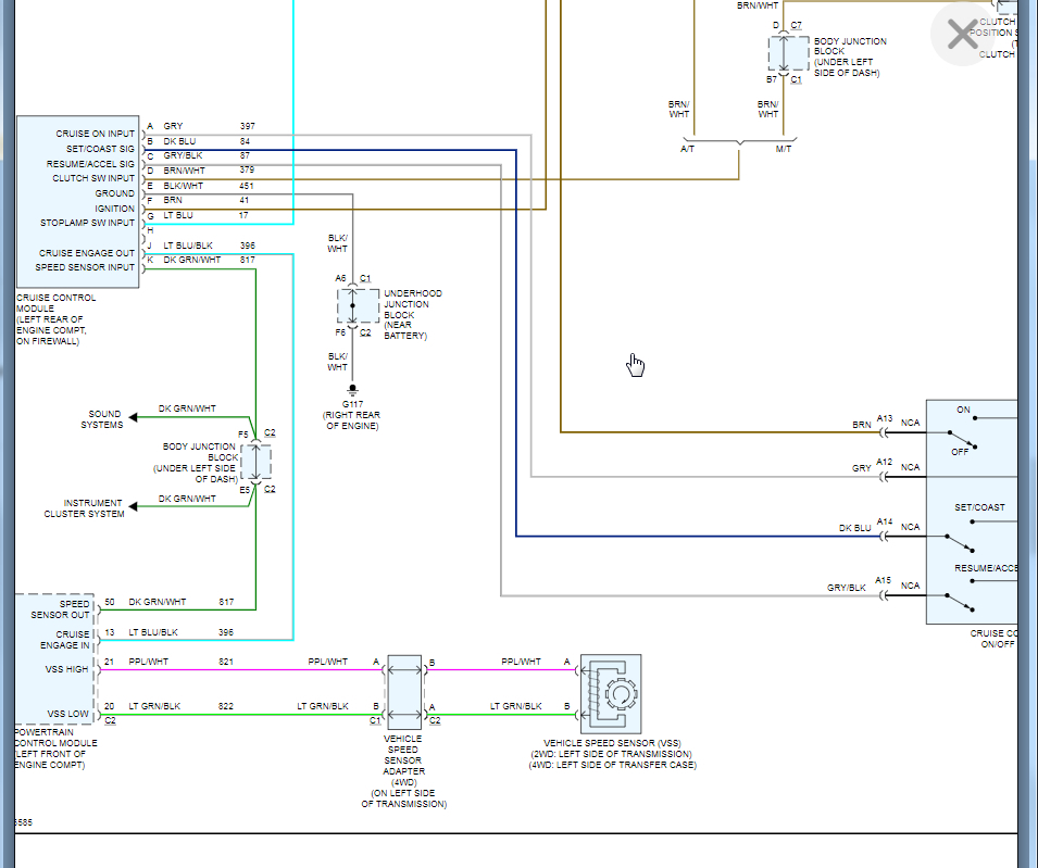
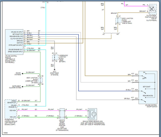
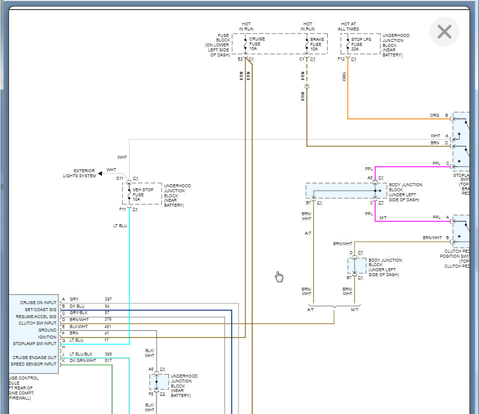
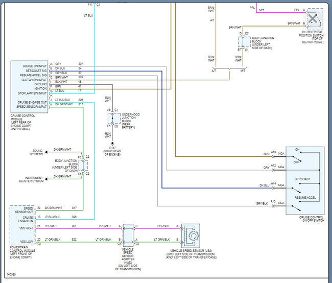
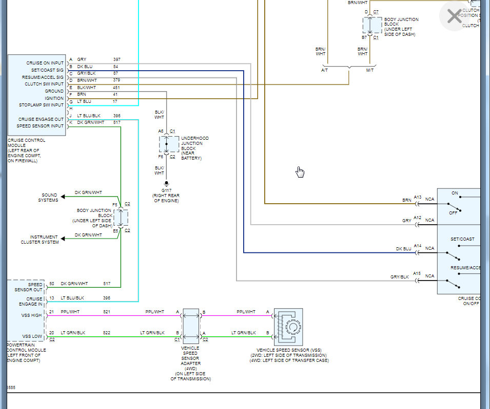
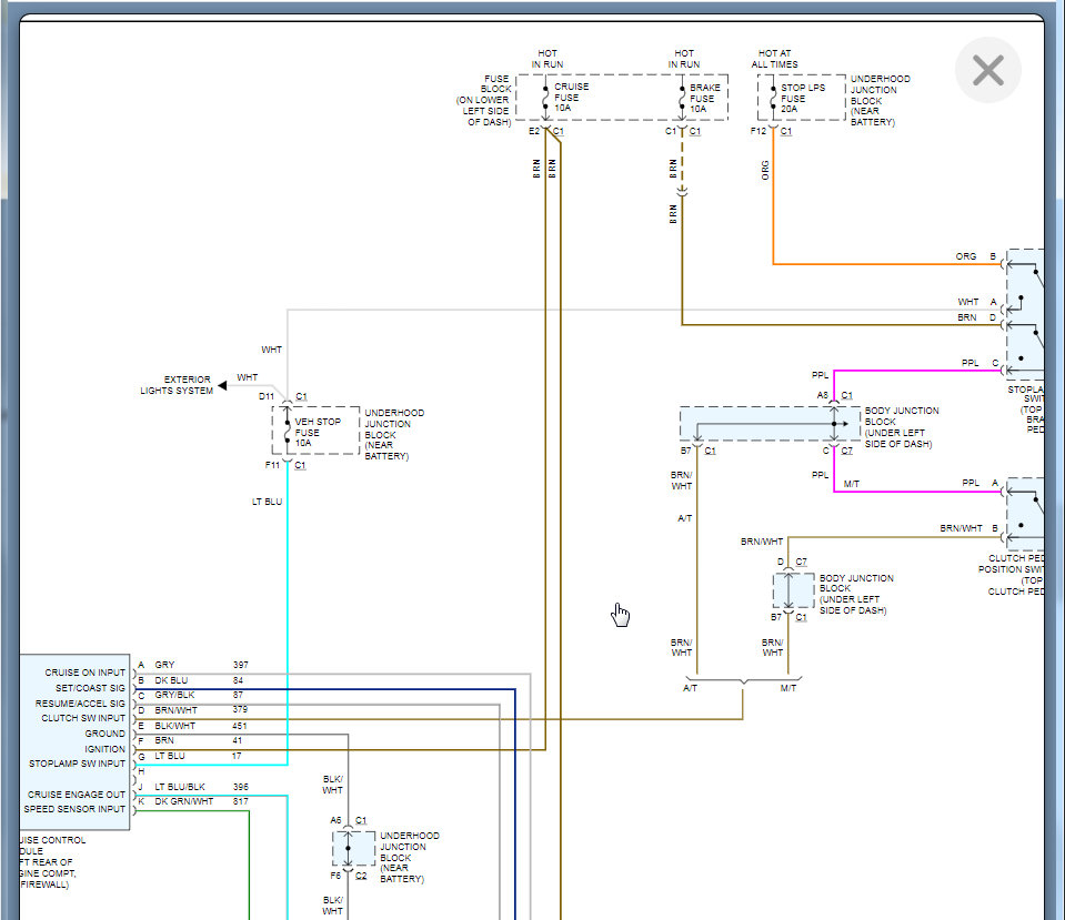
I attached the wiring diagram below. Basically the switch inputs to the module which then controls the system from there. However, if the light in the dash doesn't come on then we most likely have a switch or module issue.

https://www.2carpros.com/articles/how-to-check-wiring

Let us know what questions you have and we can go from there.

Thanks
Jun 1, 2021 at 8:44 AM
Avatar
JESSHOWE
  • MEMBER
  • 1 POST
so what steps do you advise if the light does illuminate upon pushing the button that turns it on? and it does still work about 30% of the time, roughly..
Sep 7, 2021 at 10:55 PM
Advertisement
Avatar
KASEKENNY
  • CERTIFIED EXPERT
  • 18,907 POSTS
Thanks for asking the question and joining the site.

If the light comes on then that generally means the entire system from the switch all the way down to the module and then up to the cluster is working. This means the issue is in the actually operational side of the system.

So there is either something telling the cruise to not engage or the control module is trying to engage the system and it is not able to do it.

If you have the same vehicle above you should have electronic throttle control. This means you don't have an actual cable that is attached from the pedal to the throttle body.

If that is the case then I bet you have an issue with the stop lamp switch or speed sensor.

However, if you have no issue with the speedometer then we can assume the speed sensor is okay.

That leaves the stop lamp switch. We can check this by monitoring it with a scan tool to see if there is any input at all on the switch. If there is it will deactivate the cruise but may not be enough input to turn the brake lights on. So basically it just turns the system off but leaves the light on so that you can re-engage it if you want to. However, it never lets you because it thinks the brakes are still applied.

If this is not it then we are turning to the PCM, cruise module, or the throttle body itself.

However, before we do anything we need to check for codes. If you have any codes for the PCM or ABS it will prevent the system from engaging.

https://www.2carpros.com/articles/checking-a-service-engine-soon-or-check-engine-light-on-or-flashing

Due to the fact that it engages sometimes, I am putting my money on the switch.

Please run through this and let me know what questions you have on this. Thanks
Sep 8, 2021 at 11:41 AM