cruise control issues

2002 CHEVROLET VENTURE
80,000 MILES • 3.8L • V6 • 4WD • AUTOMATIC
Avatar
ON WHEELS
  • MEMBER
  • 7 POSTS
This is a handicapped van. i have metered out the cruise release switch, (fine) and replaced the module, and the multi function switch. i have checked all fuses, kinda lost here. and i can't safely drive the van without the cruise working! is there some redundant thing on the brake light switch?
Jun 6, 2020 at 11:10 AM
Advertisement
Avatar
KASEKENNY
  • CERTIFIED EXPERT
  • 18,907 POSTS
Couple questions to start. First when you say the release switch is fine, do you mean the brake light switch? If so, how did you "meter it out?"

Also, when you turn the cruse on does the indicator light on the dash come on and it just doesn't set the speed or does the indicator not even come on?

Let's start with this info and then we can go from there because depending on this, we are going to go in different directions. Thanks
Jun 7, 2020 at 1:05 PM
Avatar
ON WHEELS
  • MEMBER
  • 7 POSTS
I replaced the brake switch out of paranoia, the release switch should be normally closed until you hit the pedal, so with an ohm meter i checked it, and it did what it was supposed to do. honestly, i have never noticed a cruise light on the dash, it just worked.
Jun 8, 2020 at 9:40 PM
Advertisement
Avatar
ON WHEELS
  • MEMBER
  • 7 POSTS
I should note, i have a new multi-function switch, a new module, the cable moves freely. and i am an OEM manufacturer, so electrical is my thing, this is why i am so stumped!
I do have LED front turns, but regular bulbs for brakes in the rear, but i have been running "hyper blink" for years with no issues.
Jun 8, 2020 at 9:45 PM
Avatar
KASEKENNY
  • CERTIFIED EXPERT
  • 18,907 POSTS
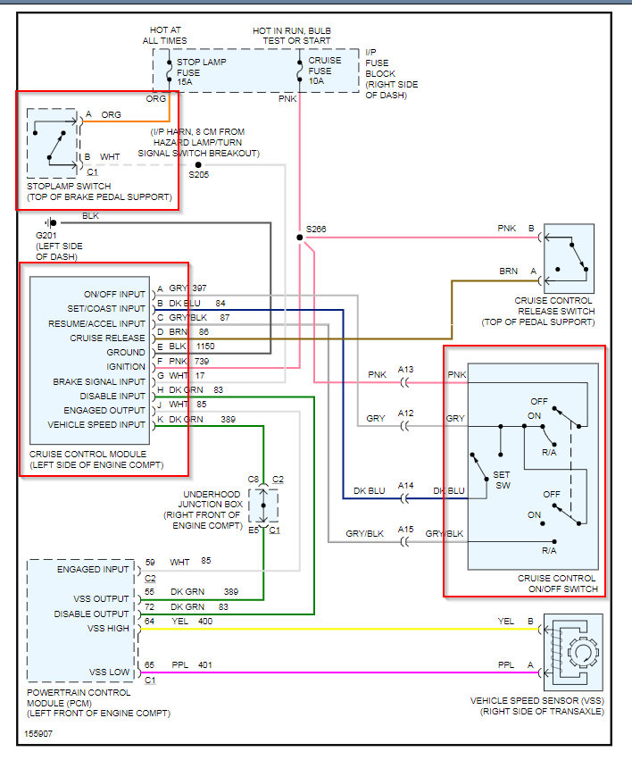
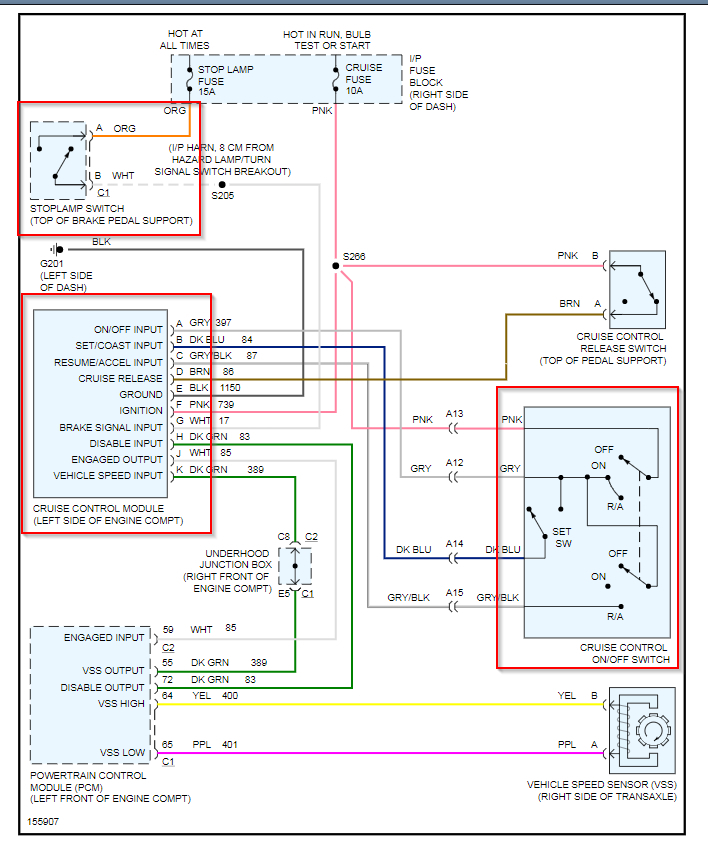
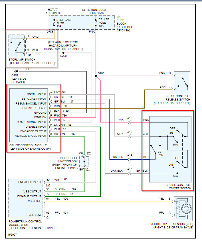
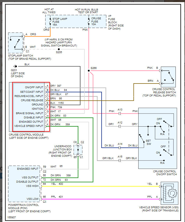
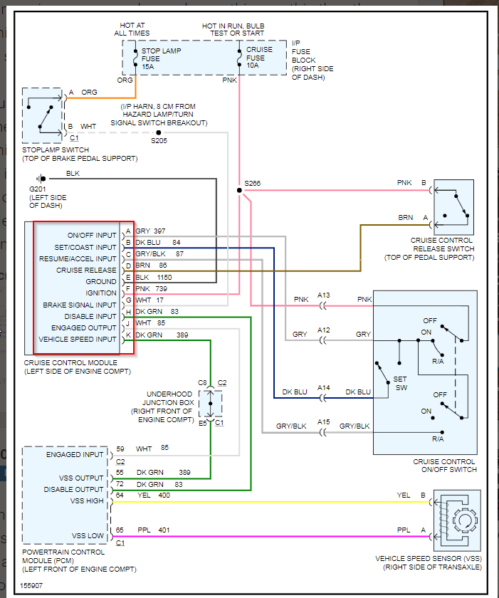
Take a look at the wiring diagram. I outlined the items that you said you replaced. Correct me if those are not correct.

I also attached the testing for when the cruise is not operating. Let's run through this and see what turns up. Thanks
Jun 9, 2020 at 6:21 PM
Avatar
ON WHEELS
  • MEMBER
  • 7 POSTS
step 1 never put aftermarket brake lights on one of these. step 2 do not load them with led lights! i get the stock lights on Friday. i already found issues there, i will keep you posted!
Jun 12, 2020 at 1:34 PM
Avatar
KASEKENNY
  • CERTIFIED EXPERT
  • 18,907 POSTS
Got it. Thanks for the update. Let us know what you find. We will wait to hear back.
Jun 12, 2020 at 7:32 PM
Avatar
ON WHEELS
  • MEMBER
  • 7 POSTS
okay, i have replaced the taillights, both brake pedal switches, the turn signal switch, and the module as well as checked all the fuses! no change. Help
Jun 30, 2020 at 7:05 PM
Avatar
KASEKENNY
  • CERTIFIED EXPERT
  • 18,907 POSTS
Let's step back and tell me when this started. Was this something that worked one day and the next it did not or was there a repair made recently and it hasn't worked since then? Just looking for any background in case we are missing something.
Jul 1, 2020 at 7:13 PM
Avatar
ON WHEELS
  • MEMBER
  • 7 POSTS
It started as a glitch when i hit a turn signal, then i noticed i had a brake light out and had to get creative with aftermarket taillights running 1126 and 1127 sockets. the spring contacts on the left brake light melted in recess, of course there was nothing that fit, so i ordered stock bulbs/lenses, and that didn't work, then the multi-function switch, then a module, and finally both brake switches. without cruise i have trouble driving and this versa track equipt warner brothers edition has 80,000 on it, i have had it since 26,000 and have maintained it past the point of reasonable, it has a lived shoehorned into the back, and handles well. but this cruise control is required to safely drive. i have a fortune in it as well as a 1995 crew cab diesel, that one too is new except the sheet metal, but the cruise kicks out on turns, and frankly it is just too big, i have been robbed every time i try to get anything fixed. the sad part is if i wasn't disabled, i could fix them. but the spine injury, lack of clear vision and limited physical ability has me in a bind, i need to go shopping! i need to get to appointments! i can't rely on transport as the last time i tried that, they broke a leg rest on my wheel chair and gave me the number for dish network as their liability insurance. my kingdom for a proper van conversion!
Jul 3, 2020 at 1:46 AM
Avatar
KASEKENNY
  • CERTIFIED EXPERT
  • 18,907 POSTS
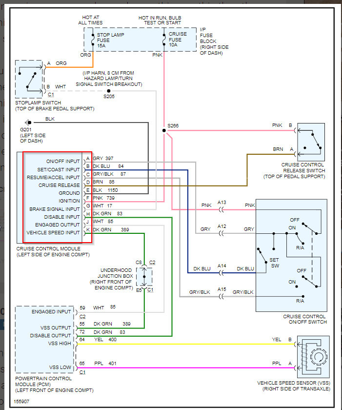
Take a look at the wiring diagram for the entire system. Unless the conversion company changed something on this then the only thing I see left that you have not tested or replaced is the speed sensor and PCM.

Do you have an issues with the speedometer? If not, I assume that the speed sensor is operating. If that is the case then the only thing I can see is a PCM issue unless we are dealing with a wiring issue. Which is this is the case, that is going to be a tough one to figure out but I would suggest going to the cruise module and making sure you have voltage there when you are pressing each button.
Jul 4, 2020 at 6:59 PM
Avatar
ON WHEELS
  • MEMBER
  • 7 POSTS
A big help would be an e-mail with all the full sized diagrams and instructions in one place. then i can open them on my tablet at the car. i am capable of laying fresh wire to the component if need be.
Jul 13, 2020 at 7:38 PM
Avatar
KASEKENNY
  • CERTIFIED EXPERT
  • 18,907 POSTS
Unfortunately we are not able to email items outside the website as we need to keep them all contained. However, if you access the attached wiring diagram from a computer and right click it. Select save image as, and then you can save it to your computer and email where ever you like.

We need to keep everything contained in the website so that all others can view and follow along if they have the same issue. Sorry for the inconvenience.
Jul 14, 2020 at 7:23 PM
Avatar
ON WHEELS
  • MEMBER
  • 7 POSTS
okay, i just need to collect them and have them printed at the UPS store. any advice for testing a module when you don't have a helper?
Jul 15, 2020 at 12:18 AM
Avatar
KASEKENNY
  • CERTIFIED EXPERT
  • 18,907 POSTS
That is going to be difficult without a helper because some of these require inputs while monitoring voltage on that wire at that module. Another way could be if you have a scan tool that can monitor the module while you operate each of the inputs to the module. Take a look at the diagram and you will see the inputs to the module.
Jul 15, 2020 at 6:48 PM