Hello,
My car developed a problem upshifting and cruise control not working sometimes several months ago. Code is P0500 Speed sensor A. I changed the speed sensor and problem persists. The Speedometer is not malfunctioning and has worked perfectly throughout this before and after I changed the speed sensor. However if I disconnect the electrical connector from the speed sensor then the speedometer does not work at all-- stays at 0 MPH.
I saw a previous similar question answered by your experts that suggested a diagnostic algorithm. So I followed that.
Again speedometer is not malfunctioning. I took the instrument cluster out and inspected the wiring and connectors and they look OK. Next the algorithm said to
" Using DVOM, back probe
ECM harness connector. On models with engine immobilizer system,
measure voltage between ground and terminal No. 8 (violet/white wire) at
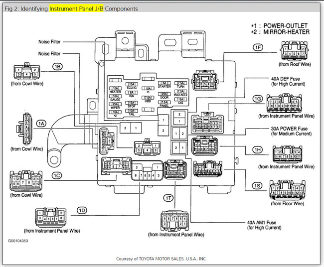
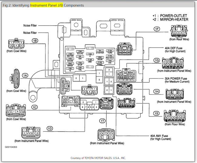
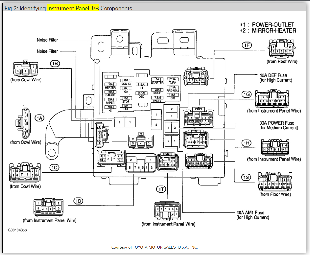
ECM harness connector E7. See Fig. 3 . On models without engine
immobilizer system, measure voltage between ground and terminal No. 9
(violet/white wire) at ECM harness connector E7. See Fig. 2 . On all
models, observe voltage reading while rotating front wheel. Voltage
should pulse between zero volts and 4.5-5.5 volts. If voltage is as
specified, replace ECM. If voltage is not as specified, repair open or short
in wiring between instrument cluster and ECM."
I assume back probe means stick the probe into the connector while it is plugged into the ECM ? I did not get the pulsing voltage as described, and the wire was purple but I did not see a white stripe.
The wiring and connectors around the ECM also look okay. Is it possible there is an open circuit in the instrument cluster so that the signal is not getting transmitted? I have attached the original question and answer I referenced.
My car developed a problem upshifting and cruise control not working sometimes several months ago. Code is P0500 Speed sensor A. I changed the speed sensor and problem persists. The Speedometer is not malfunctioning and has worked perfectly throughout this before and after I changed the speed sensor. However if I disconnect the electrical connector from the speed sensor then the speedometer does not work at all-- stays at 0 MPH.
I saw a previous similar question answered by your experts that suggested a diagnostic algorithm. So I followed that.
Again speedometer is not malfunctioning. I took the instrument cluster out and inspected the wiring and connectors and they look OK. Next the algorithm said to
" Using DVOM, back probe
ECM harness connector. On models with engine immobilizer system,
measure voltage between ground and terminal No. 8 (violet/white wire) at
ECM harness connector E7. See Fig. 3 . On models without engine
immobilizer system, measure voltage between ground and terminal No. 9
(violet/white wire) at ECM harness connector E7. See Fig. 2 . On all
models, observe voltage reading while rotating front wheel. Voltage
should pulse between zero volts and 4.5-5.5 volts. If voltage is as
specified, replace ECM. If voltage is not as specified, repair open or short
in wiring between instrument cluster and ECM."
I assume back probe means stick the probe into the connector while it is plugged into the ECM ? I did not get the pulsing voltage as described, and the wire was purple but I did not see a white stripe.
The wiring and connectors around the ECM also look okay. Is it possible there is an open circuit in the instrument cluster so that the signal is not getting transmitted? I have attached the original question and answer I referenced.
Mar 23, 2021 at 2:45 PM


















