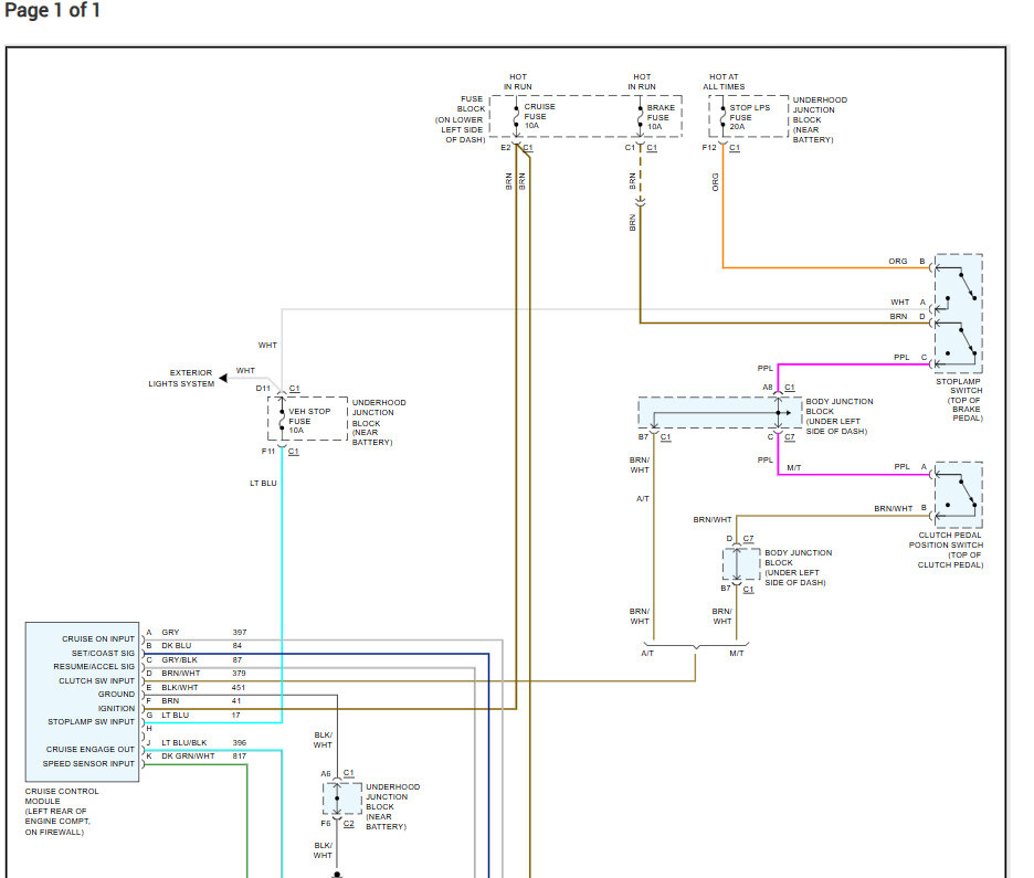
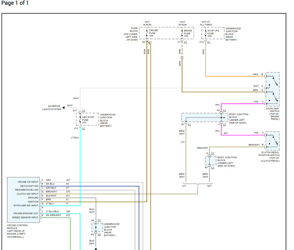
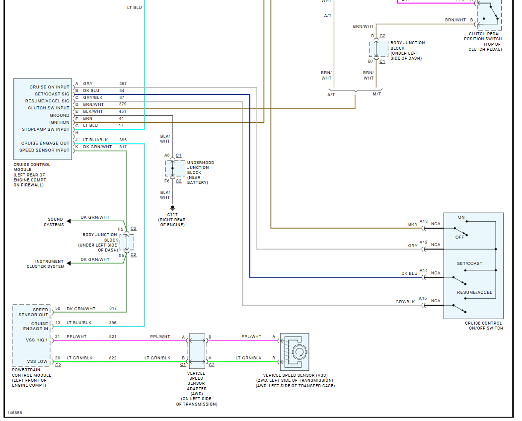
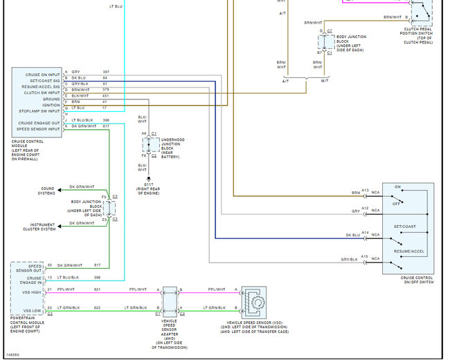
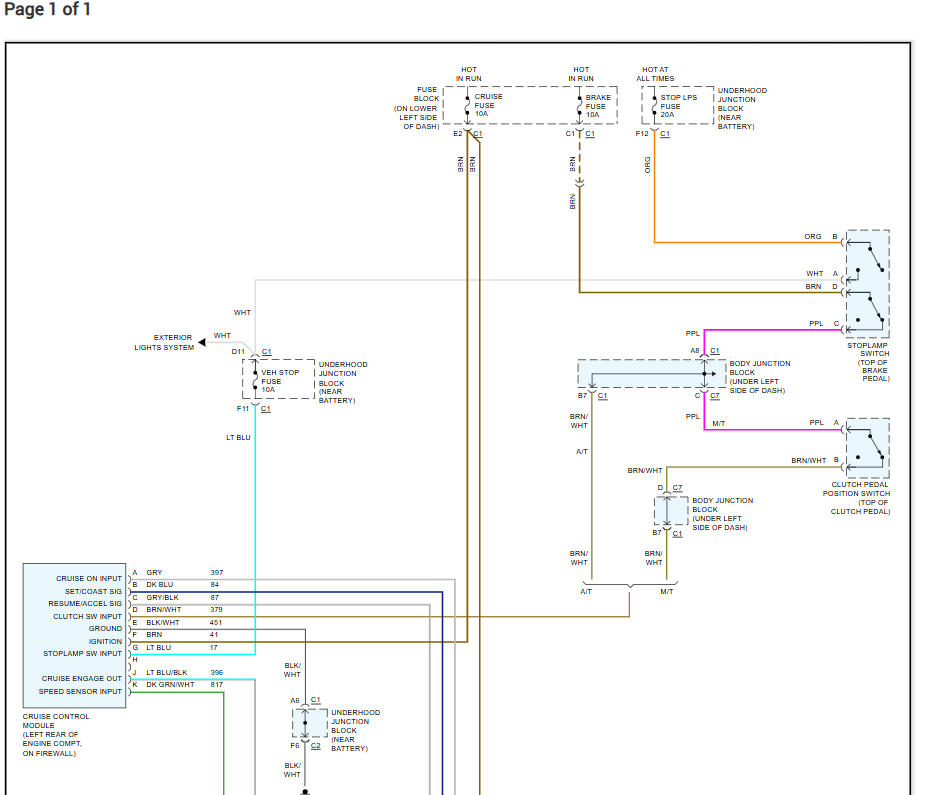
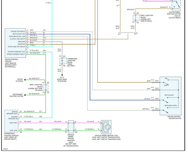
cruise control will not work at all, not even the indicator light. When I pulled the connector on the cruise control module and checked for voltage pin 'g' 'LT Blue' wire does not indicate voltage with or without brake pedal pushed.
Nov 22, 2025 at 10:31 AM

