Cruise control not working?

2001 HONDA ACCORD
222,000 MILES • 2.3L • 4 CYL • 2WD • AUTOMATIC
Avatar
JBURGESS88
  • MEMBER
  • 7 POSTS
I have the car listed above coupe 2.3 L VTEC, and I have done the normal diagnosis for cruise control. The brake switch has been replaced. The fuses have been checked the main on off switch works. There’s vacuum going to the cruise control module under the hood, but I still cannot get cruise control to engage on my car and I am stumped at this point.
Nov 3, 2024 at 3:47 PM
Advertisement
Avatar
STRAILER
  • CERTIFIED EXPERT
  • 53,854 POSTS
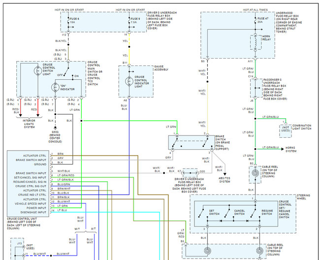
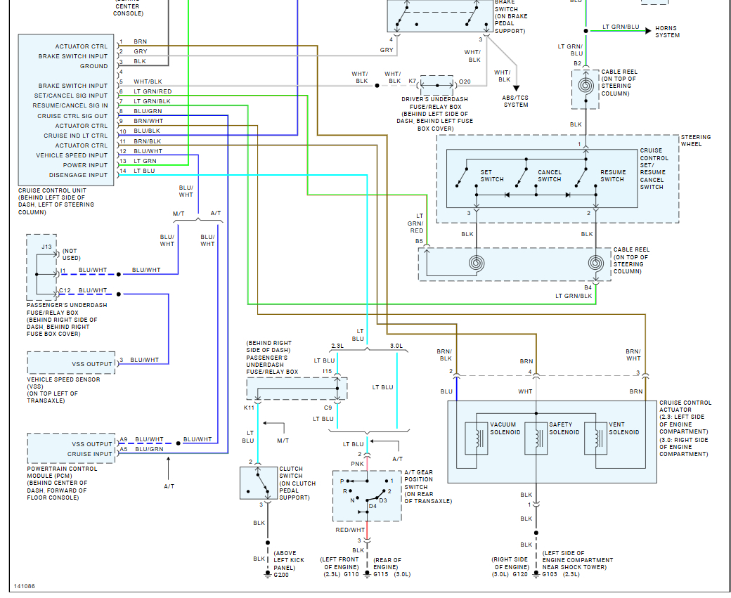
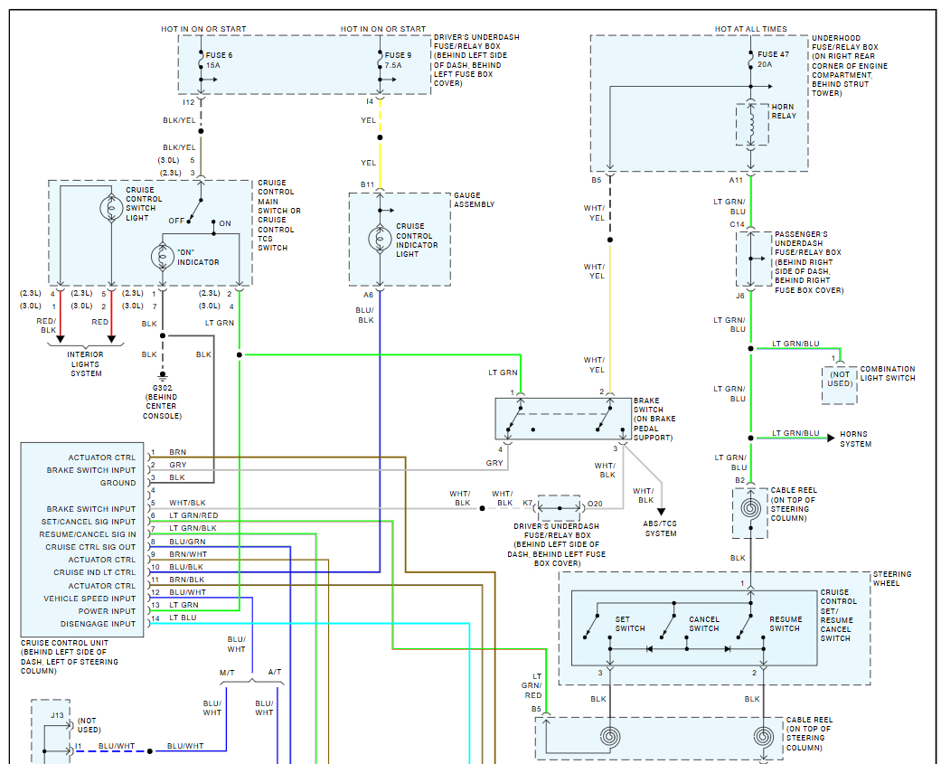
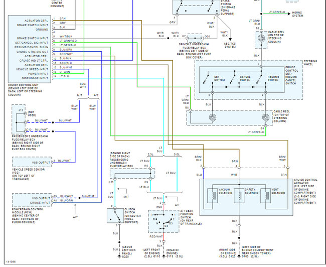
If the fuses are good and the ground to the cruise control module is good 9 times out of 10 it will be the clock spring under the steering wheel that has failed. Here are the wiring diagrams so you can see how the system works and which wires to test for power and ground. This guide can help, and I have included instructions on how to change the clock spring out which should fix the problem.

https://www.2carpros.com/articles/how-to-use-a-test-light-circuit-tester

Check out the images (below). Please let us know what happens.
Nov 4, 2024 at 10:31 AM
Avatar
JBURGESS88
  • MEMBER
  • 7 POSTS
Okay, I did follow that it did fix it. The clock spring needed replacing, but after fixing that a new issue has popped up the left turn signal does not always want to work when the headlights and parking lights are on but the moment I turn them off it works. I’m kind of thinking that falls back down to a relay because the multifunction switch or the multifunction stock for the headlights and turn signals, got replaced because I accidentally dropped something on it and broke it.
Nov 5, 2024 at 9:06 AM
Advertisement
Avatar
JBURGESS88
  • MEMBER
  • 7 POSTS
And it doesn’t intermittently and after a while it goes back to working. I’m wondering if the relay is starting to go bad and it’s getting stuck.
Nov 5, 2024 at 9:07 AM
Avatar
STRAILER
  • CERTIFIED EXPERT
  • 53,854 POSTS
Glad you could get it fixed, thanks for letting us know. Sorry, we only handle one problem per thread, please post your new question here, you must be logged in.

https://www.2carpros.com/questions/new

Cheers, Ken
Nov 5, 2024 at 10:38 AM