Cruise control engages then kicks out immediately

2006 PONTIAC GRAND PRIX
137,000 MILES • 3.8L • 6 CYL • 2WD • AUTOMATIC
Avatar
KELSI STAPLETON
  • MEMBER
  • 1 POST
Cruise control engages then kicks it out immediately after. All brake lights work no codes or lights on on dash. Fuse is good.
Mar 21, 2018 at 8:26 AM
Advertisement
Avatar
STRAILER
  • CERTIFIED EXPERT
  • 53,855 POSTS
Hello,

I would start by checking the codes because an input shaft speeds sensor can cause the cruise to kick out.

Here is a guide to help you get the codes:

https://www.2carpros.com/articles/checking-a-service-engine-soon-or-check-engine-light-on-or-flashing

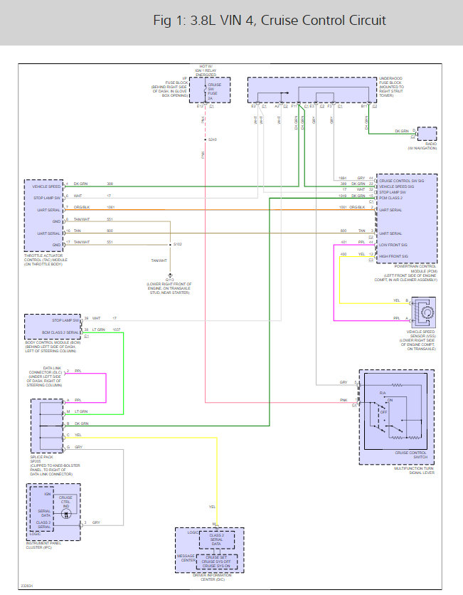
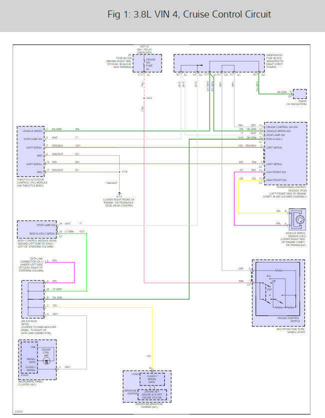
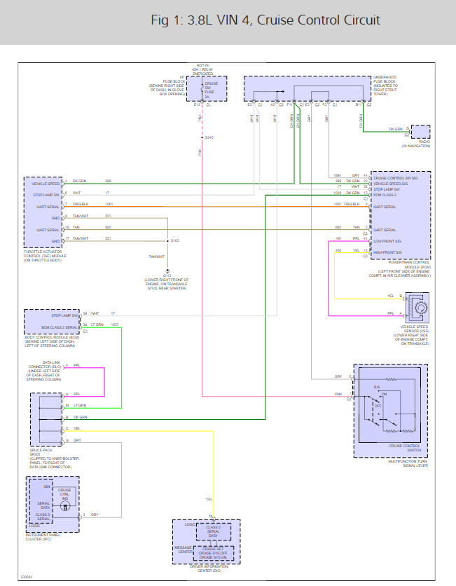
Here is the cruise control wiring diagrams so you can see how the system works.

Check out the diagrams (below).

Please let us know what you find. We are interested to see what it is.

Cheers, Ken
Mar 22, 2018 at 11:25 AM