Cruise control stop working

1998 CHRYSLER TOWN AND COUNTRY
100,000 MILES • 3.8L • V6 • FWD • AUTOMATIC
Avatar
WILLYIMAC
  • MEMBER
  • 3 POSTS
Cruise control stop working. green light will only come on when ignition switch to start. all brake lights work. green light will not come on while moving.
Oct 2, 2016 at 10:15 AM
Advertisement
Avatar
HMAC300
  • CERTIFIED EXPERT
  • 48,601 POSTS
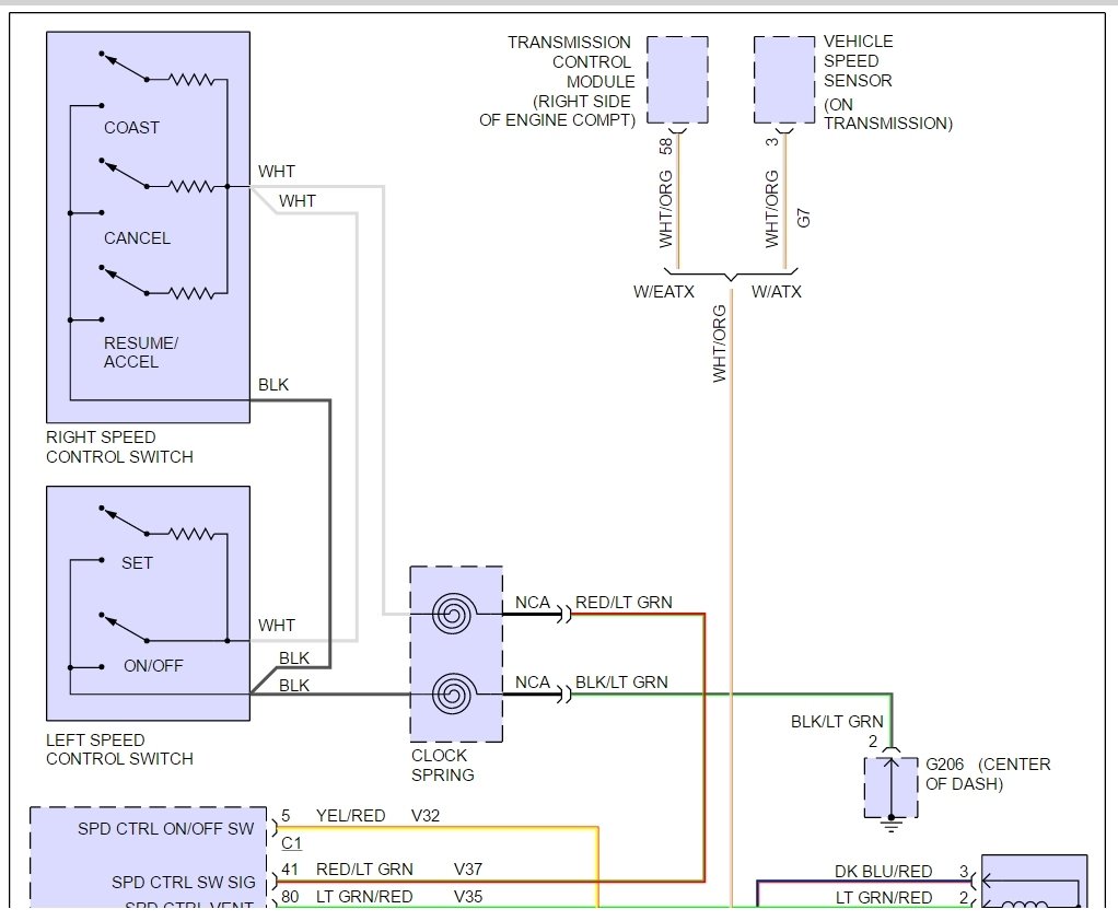
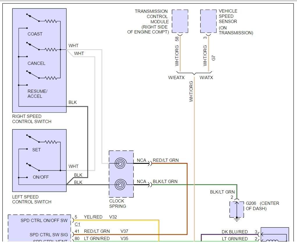
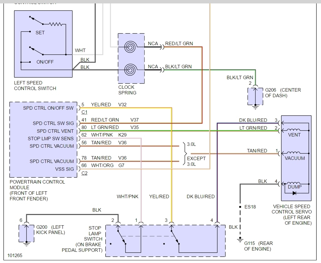
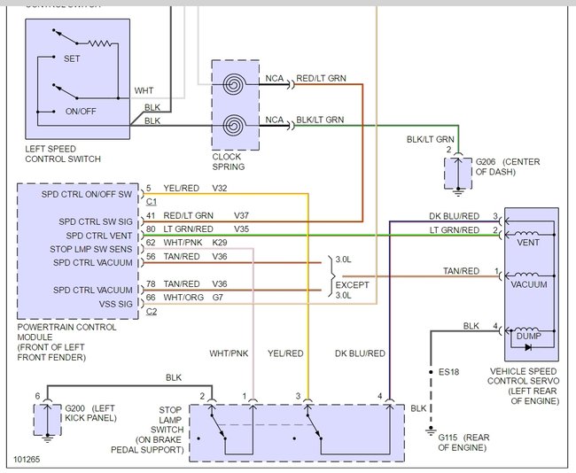
check brake switch yellow wire to see if it sending a signal to PCM if it does the switch should only work when brake is applied then check for a bad clock spring in steering column.
Oct 2, 2016 at 11:47 AM
Avatar
WILLYIMAC
  • MEMBER
  • 3 POSTS
How do you test clock spring or do you just replace mine/ started making rubbing noise I think there is still factory recall.
Oct 3, 2016 at 4:09 AM
Advertisement
Avatar
HMAC300
  • CERTIFIED EXPERT
  • 48,601 POSTS
the recall is for only certain cars you have to check with a dealer on clock spring. also, if over 70,000 miles it is a limited lifetime warranty.
Oct 3, 2016 at 6:26 AM
Avatar
WILLYIMAC
  • MEMBER
  • 3 POSTS
I have 1998. I will change if it is dysfunctional will not repair if working and no airbag lights on. on to checking yellow brake wire.
Oct 3, 2016 at 6:38 AM
Avatar
STRAILER
  • CERTIFIED EXPERT
  • 53,854 POSTS
Hey WILLYIMAC,

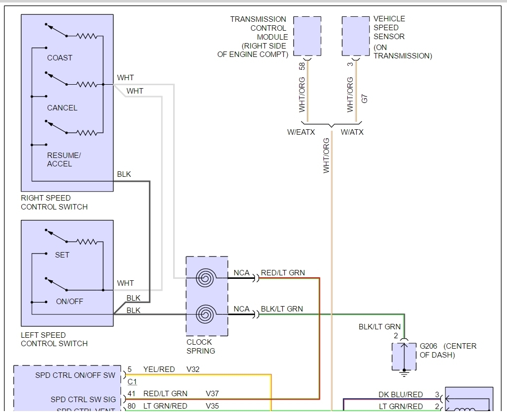
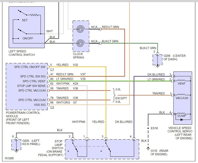
I found this wiring for ya to assist in the troubleshooting with Hmac, hope it helps.

Please let us know what you find so it will help others.

Best, Ken
Oct 5, 2016 at 9:23 PM