CRUISE CONTROL ELECTRONIC MODULE?

2001 BUICK LESABRE LIMITED
200,000 MILES
Avatar
I4EP46KNJ
  • MEMBER
  • 2 POSTS
NEED A PHOTO OF LOCATION OF THE CRUISE CONTROL ELECTRONIC MODULE
Dec 30, 2025 at 12:13 PM
Advertisement
Avatar
STEVE W.
  • CERTIFIED EXPERT
  • 15,113 POSTS
It is on the firewall between the brake booster and the wiper motor. There is a cable from it to the throttle body. Part # 12575408 Be advised that they usually don't come with the cable as those are vehicle dependent.
Dec 30, 2025 at 1:10 PM
Avatar
I4EP46KNJ
  • MEMBER
  • 2 POSTS
Steve, thank you. I just looked and could see nothing under the hood but I suspect it's behind a plastic panel between & separating engine compartment and firewall... AND underneath a plastic panel that has vents going down between that plastic panel that separates engine compartment and firewall.

When temperature goes up a bit I'll unbolt that plastic panel with the vents on it, and see if it's buried in there.
Dec 30, 2025 at 3:03 PM
Advertisement
Avatar
STEVE W.
  • CERTIFIED EXPERT
  • 15,113 POSTS
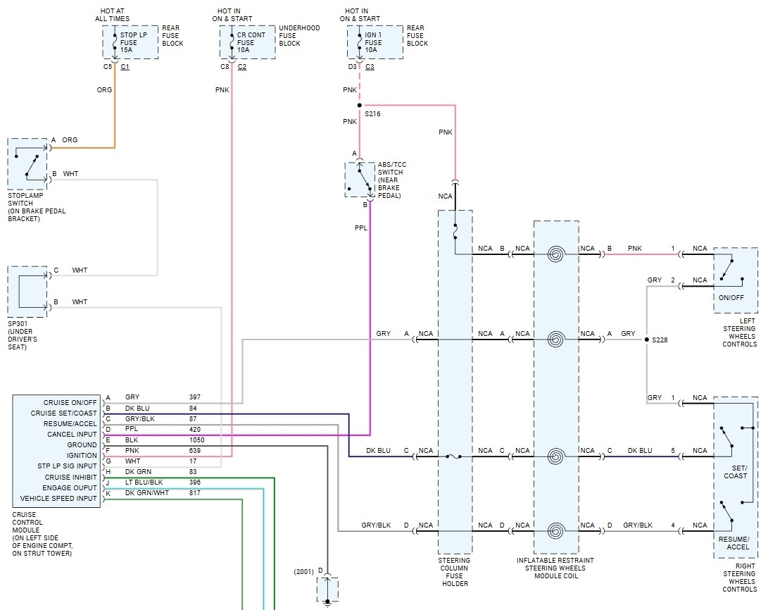
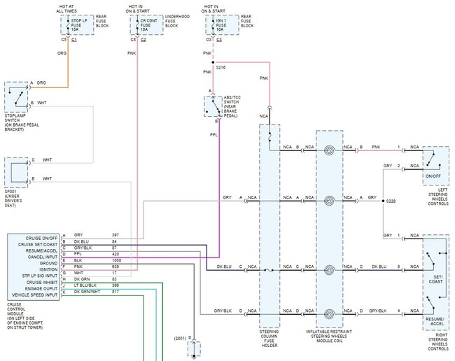
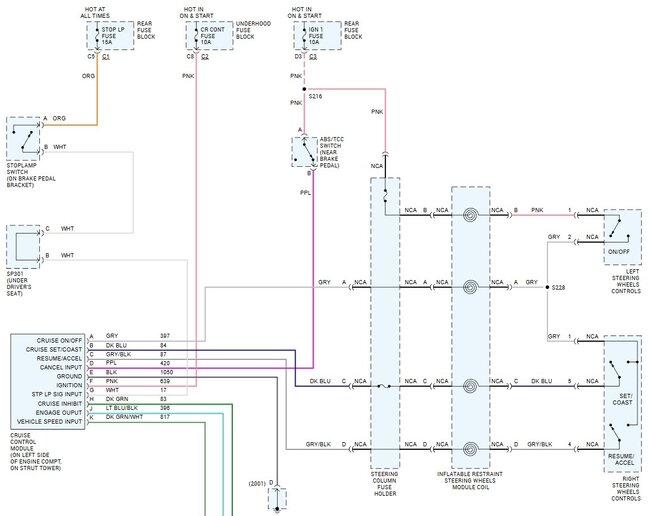
Sorry forgot about the cowl panel trim. Yes it's under that. You have to remove the wiper arms and then the various push pins and screws to get the panel off. However there are a few things other than the module itself that can keep the cruise from working. The most common is the brake light switch, it has 2 sections in it One for the lights and another for the cruise. Both powered through different fuses as well. Attached is the wiring in case you need it.
Dec 31, 2025 at 4:01 AM