Cruise control not working properly

2004 PONTIAC GRAND AM
150,000 MILES • 3.4L • 6 CYL • 2WD • AUTOMATIC
Avatar
FRODOE45
  • MEMBER
  • 30 POSTS
Cruise doesn't come on when I push the set button below airbag to set speed from 35 and up. Checked relay and fuses are good. Could it be brake light/cruise switch? How would I check that switch without scan tool and how would I adjust it. Thanks
May 14, 2020 at 3:32 AM
Advertisement
Avatar
ASEMASTER6371
  • CERTIFIED EXPERT
  • 52,796 POSTS
Good morning,

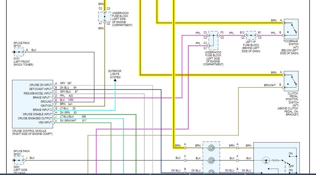
A very common issue for this issue is the clock spring below the steering wheel.

https://www.2carpros.com/articles/steering-wheel-clock-spring-removal

https://www.2carpros.com/articles/symptoms-of-a-bad-airbag-clock-spring

I attached a wiring diagram for you to view. check the fuses for power on both side with the key on.

https://www.2carpros.com/articles/how-to-check-a-car-fuse

Also, check the brown wire for power at the clock spring to be sure the switches have power to the steering wheel.

https://www.2carpros.com/articles/how-to-check-wiring

Roy



REMOVAL PROCEDURE


imageOpen In New TabZoom/Print

1. Disable the SIR System. Refer to SIR Disabling and Enabling Zone 3.

CAUTION: Refer to SIR Caution in Service Precautions.

2. Remove the inflatable restraint steering wheel module.
3. Remove the steering wheel nut.
4. Note the mark on the steering shaft and the steering wheel to ensure proper alignment during installation.
5. Remove the steering wheel from the steering shaft.


imageOpen In New TabZoom/Print

6. On vehicles with a tilt column, pull the tilt lever straight out from the steering column.
7. Remove the tilt lever assembly.


imageOpen In New TabZoom/Print

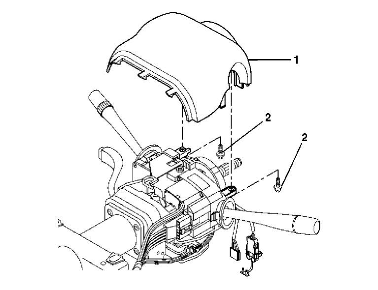
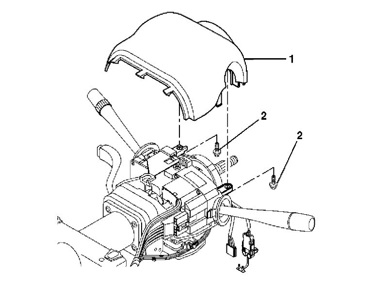
8. Remove 2 TORX(R) head screws (1) from the lower shroud (2).
9. Remove the lower shroud (2).


imageOpen In New TabZoom/Print

10. Remove 2 TORX(R) head screws (2) from the upper shroud (1).
11. Remove the upper shroud (1).


imageOpen In New TabZoom/Print

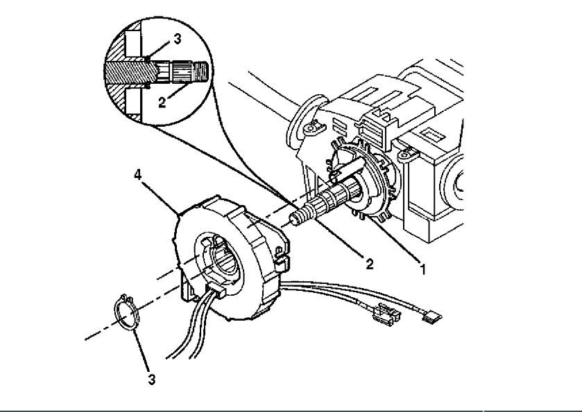
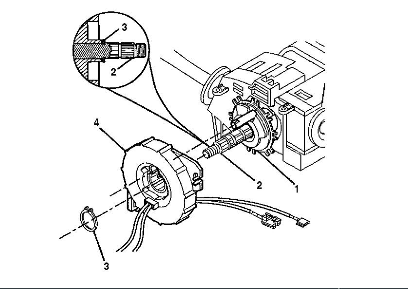
12. Remove the wire harness straps from the steering wheel column wire harness.
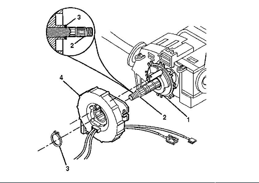
13. Remove the retaining ring (3).
14. Remove the SIR coil (4) from the steering shaft.
15. If replacing, discard the SIR coil.
May 14, 2020 at 4:36 AM
Avatar
FRODOE45
  • MEMBER
  • 30 POSTS
I replaced clock-spring before thinking that was issue turned out it wasn't. Cruise worked when it wanted. Now doesn't at all. Fuses good and relay. My car doesn't have a clutch it's automatic. It has cruise switch and the other is the brake switch. How do I test the cruise switch without scan tool and how would I go about adjusting it.
May 14, 2020 at 10:23 AM (Merged)
Advertisement
Avatar
ASEMASTER6371
  • CERTIFIED EXPERT
  • 52,796 POSTS
Good morning again.


Did you check the fuses for power and check for power to the clock spring as in the diagram I sent you?

Roy
May 14, 2020 at 10:23 AM (Merged)