When pressing the cruise control button on the steering wheel it lights up on the dash, but does not engage/turn on?

2007 HONDA ODYSSEY
106,000 MILES • 2WD • AUTOMATIC
Avatar
KATHI CASSADY
  • MEMBER
  • 6 POSTS
When I press the Cruise on my steering wheel, it lights up on the dash only while I am pressing Cruise. When I let go it goes off. How can I turn on the cruise control?
Jun 12, 2024 at 8:33 AM
Advertisement
Avatar
STRAILER
  • CERTIFIED EXPERT
  • 53,854 POSTS
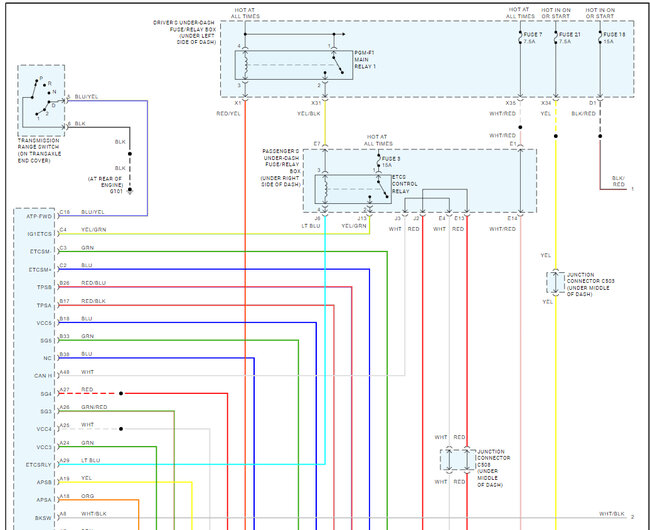
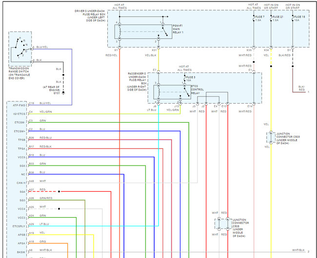
Can you tell me if the brake lights are on all the time with the key on? If so, this is the problem, if not let's start by checking the fuse # 7, 21 and 18 in the under-dash fuse panel on the driver side. Fuse #3 in the fuse panel on the passenger side fuse panel, and fuse# 13 and #7 in the fuse panel under the hood, all of these fuses run the cruise control system. This guide can help, and I have included the fuse location in the images below to help as well:

https://www.2carpros.com/articles/how-to-check-a-car-fuse

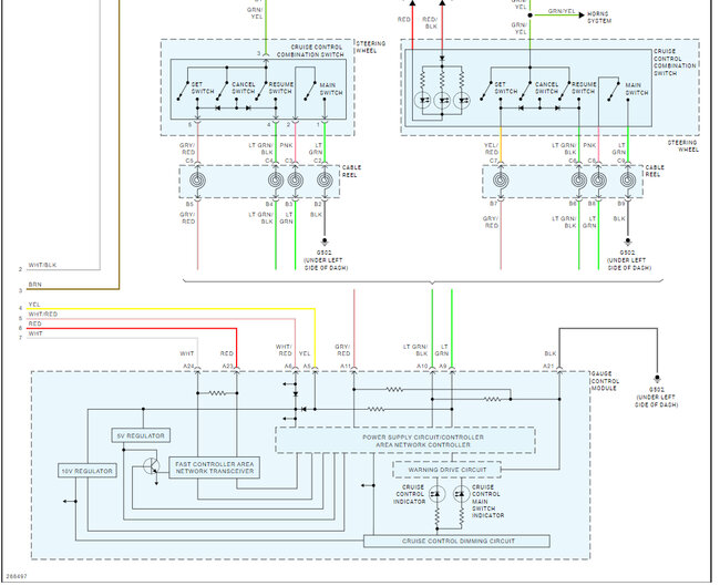
If the fuses are okay, I have seen the spiral wire behind the steering wheel go bad and cause this issue. Here is how to change that out as well and I have included the cruise control wiring diagrams as well so you can see how the system works. Check out the images (below). Please upload pictures or videos in your response to any problems so we can see what to help you with.

Jun 12, 2024 at 1:41 PM
Avatar
KATHI CASSADY
  • MEMBER
  • 6 POSTS
My son is coming over tomorrow to check the fuses. Thank you so much. I'll let you know how it goes.
Jun 12, 2024 at 5:04 PM
Advertisement
Avatar
STRAILER
  • CERTIFIED EXPERT
  • 53,854 POSTS
Sounds good, we can get this fixed for you.
Jun 13, 2024 at 8:00 AM
Avatar
KATHI CASSADY
  • MEMBER
  • 6 POSTS
My van is going in to the shop.
Jun 13, 2024 at 1:32 PM
Avatar
STRAILER
  • CERTIFIED EXPERT
  • 53,854 POSTS
Please let me know what they say.
Jun 13, 2024 at 2:52 PM
Avatar
KATHI CASSADY
  • MEMBER
  • 6 POSTS
They removed and replaced the cruise control switch. Labor was $60.80 and switch was $203.79.
Jun 19, 2024 at 7:56 AM
Avatar
STRAILER
  • CERTIFIED EXPERT
  • 53,854 POSTS
Glad you could get it fixed, thanks for letting us know. Please use 2CarPros anytime we are here to help.
Jun 19, 2024 at 11:25 AM