Cruise control

1998 CHEVROLET VENTURE
15,600 MILES • 5.6L • V6 • FWD • AUTOMATIC
Avatar
CLAN56
  • MEMBER
  • 7 POSTS
Cruise control shuts off while driving but only when it is hot out. It will work after it cools back down for a little while than will shut off again. In cooler weather it never shuts off. Only if it gets around sixty five degrees or hotter.
Jun 22, 2017 at 6:53 PM
Advertisement
Avatar
STRAILER
  • CERTIFIED EXPERT
  • 53,854 POSTS
Hello,

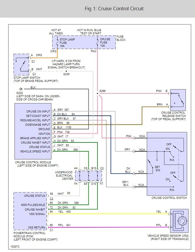
Two things come to mind, first I would check the cruise control stop switch at the top of the brake pedal. next it may be the cruise control module going out when it gets hot. Here is the cruise control wiring diagram (below) so you can do some testing with these guide.

https://www.2carpros.com/articles/how-to-use-a-test-light-circuit-tester

and

https://www.2carpros.com/articles/how-to-check-wiring

Please run some tests and get back to us so we can continue helping you.

Cheers, Ken
Jun 26, 2017 at 10:59 AM