Cruise control is working intermittently

2006 FORD F-150
150,000 MILES • 5.4L • V8 • 4WD • AUTOMATIC
Avatar
MATT STACY
  • MEMBER
  • 1 POST
Asking for a family member. Cruise control works intermittently. I went out in very wet conditions. The park brake light has been on for some time but just recently lost cruise control. When it’s not working there’s no lights in the dash at all when pressing the cruise on/off. Inside map lights and dome lights will not come on when opening the door. Well, this morning he started to pull out and the check engine light came on and put the truck in limp mode as he was turning right at a stop sign. He immediately cut the truck off, let it set for about 30 seconds. Truck started right back up, no check engine light and the cruise control are now working. After a test of the blue and white speed inhibitor switch or cruise control cut out switch it’s stuck in the open position like the brake is always being pressed. Can these problems be linked by anything other than the PCM? Where to start to attempt to test the cruise control? Any help is greatly appreciated! Thank you
Jan 23, 2022 at 6:54 PM
Advertisement
Avatar
KASEKENNY
  • CERTIFIED EXPERT
  • 18,907 POSTS
The giveaway for this is when it is not working the light does not come on in the dash when turning the system on.

The way this works is when you press the "on" button the light in the dash should come on. Then when you are over 30 MPH and press the set button, it will maintain that speed.

The fact that the light does not come on when pressing the button means we need to start with the input to the PCM.

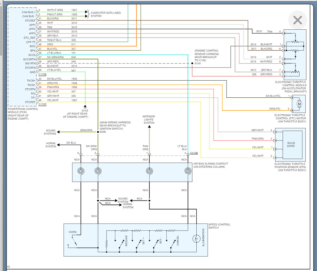
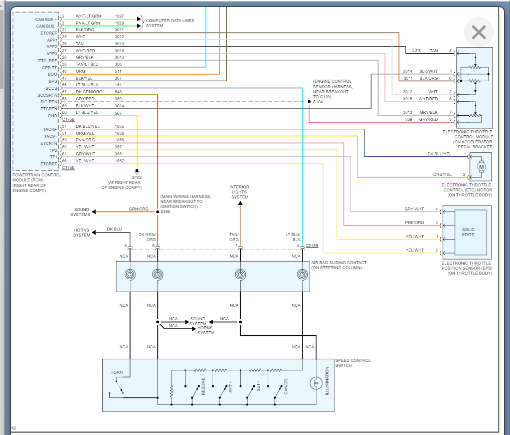
This means we need to go to the PCM and press the button and make sure the voltage is getting to the PCM. Basically, this is just a varying voltage signal to tell the PCM which button is being pressed. So, 12 volts are sent to the switch and depending on which button you press the voltage that is returned to the PCM will be less than this. This voltage is run through different resistors which will reduce the voltage and return it to the PCM.

We need to know what this voltage is on the light blue and black wire coming from the switch to the PCM.

https://www.2carpros.com/articles/how-to-check-wiring

I attached the wiring diagram below, but this is going to tell us if the button is the issue or if we need to suspect the PCM.

Let me know if you have questions about this.
Jan 24, 2022 at 2:46 PM