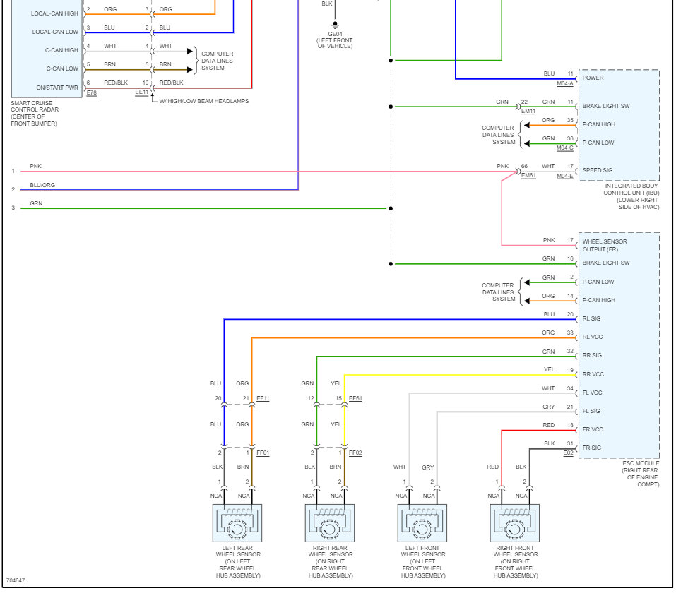
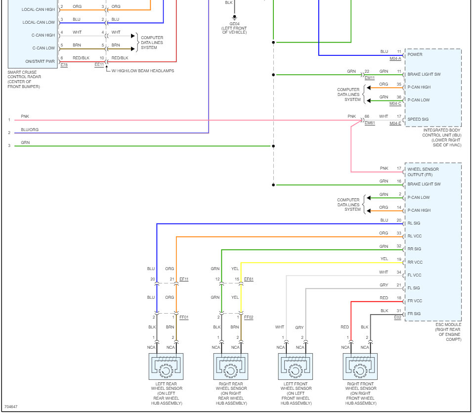
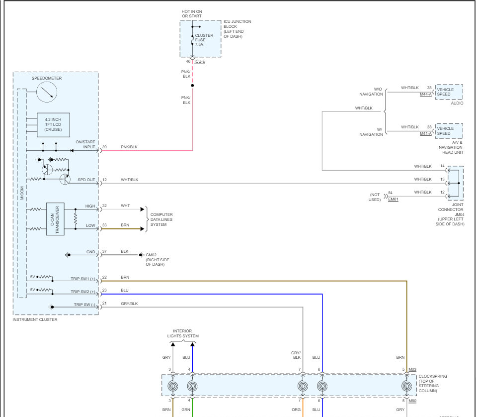
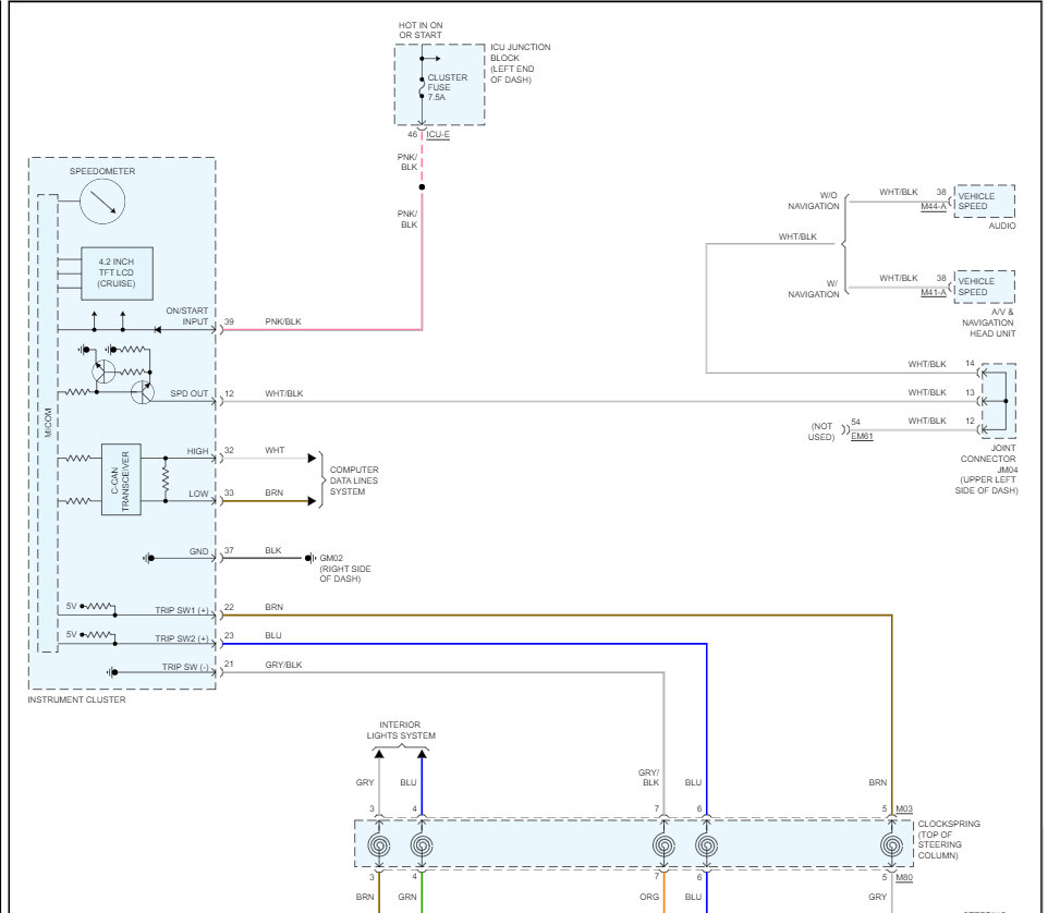
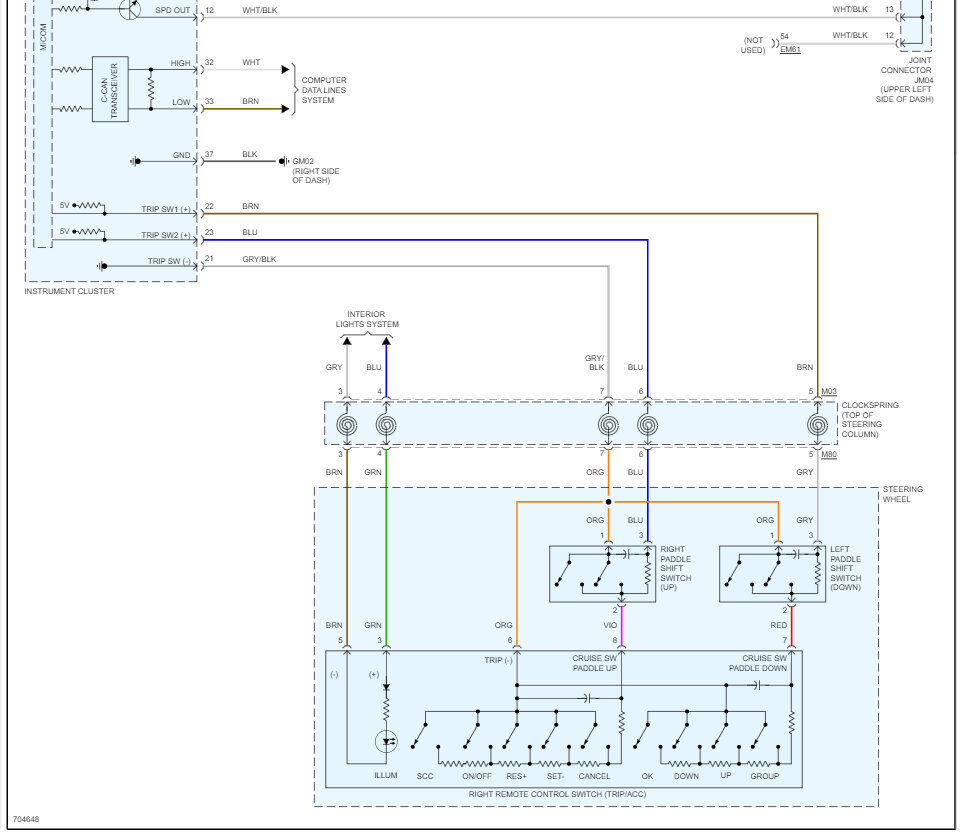
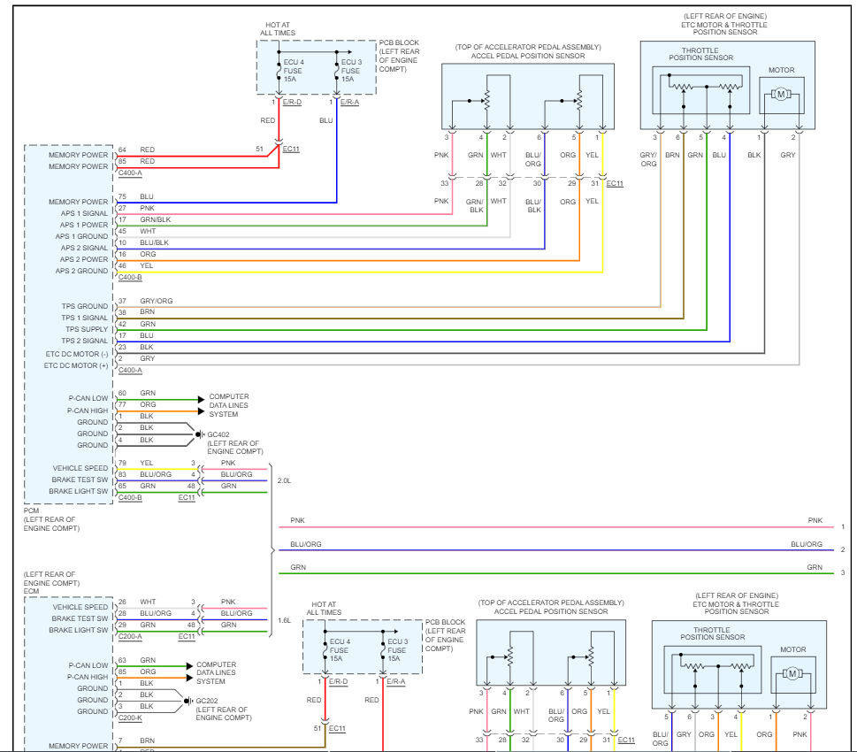
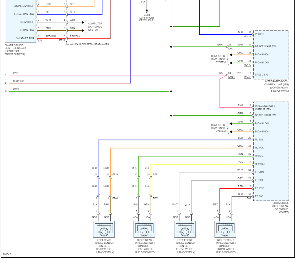
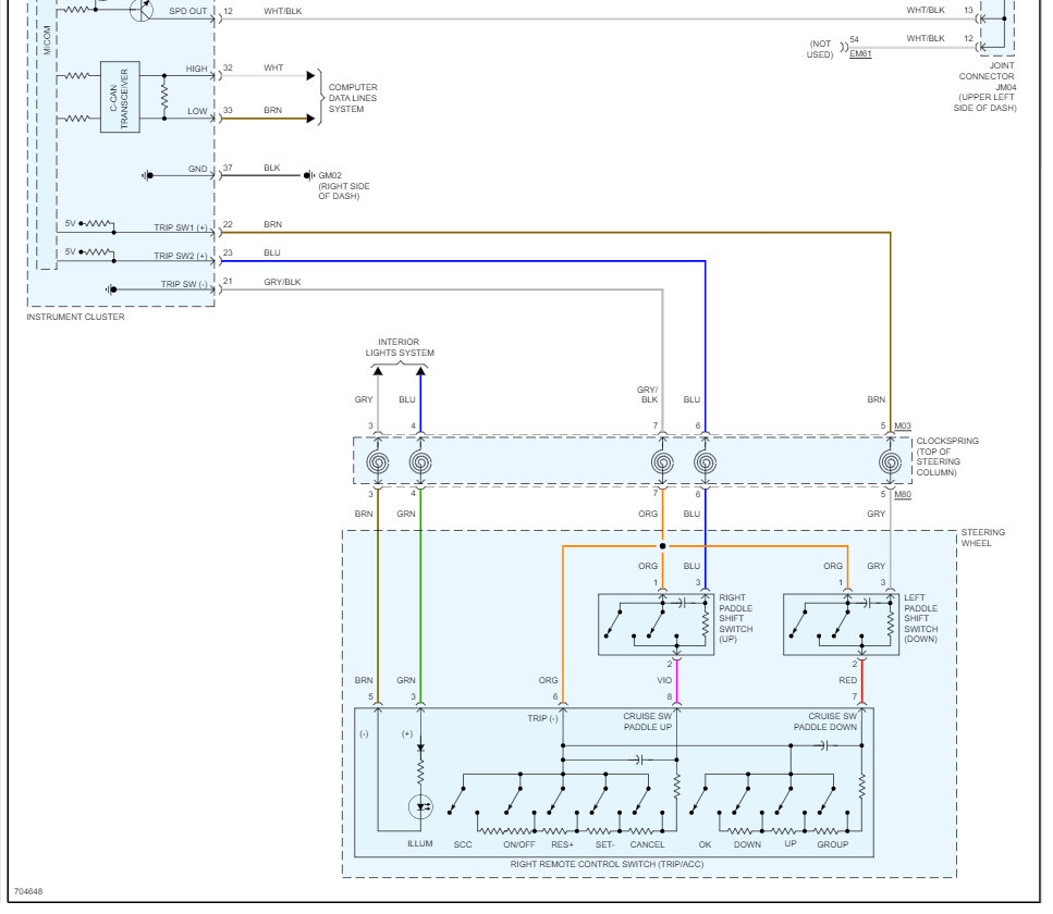
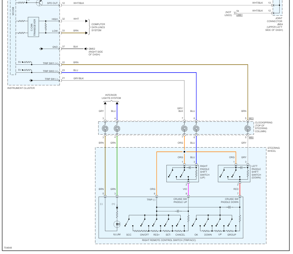
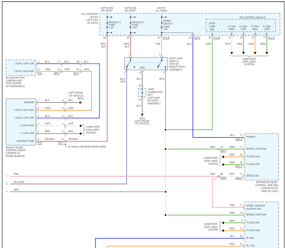
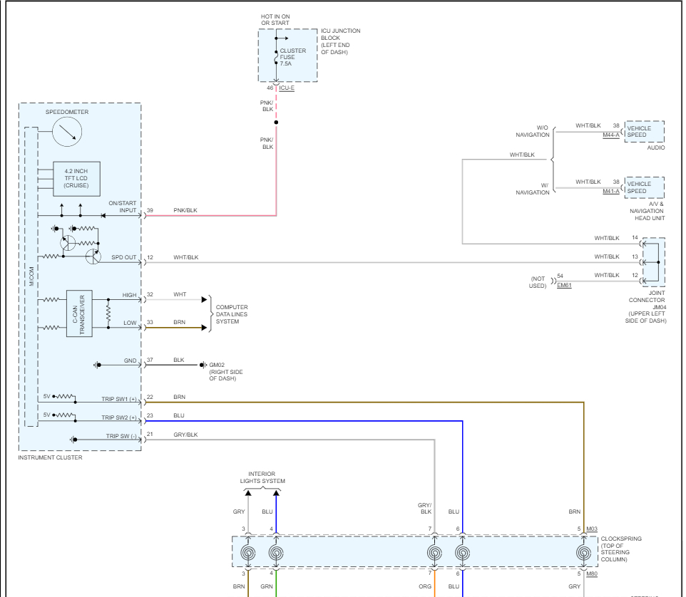
Once I set my cruise control, instead of staying at the speed I set it at it fluctuates up to 5-7 miles faster / slower. Cruise control is supposed to maintain the speed it's set to correct?
May 21, 2023 at 8:17 PM





