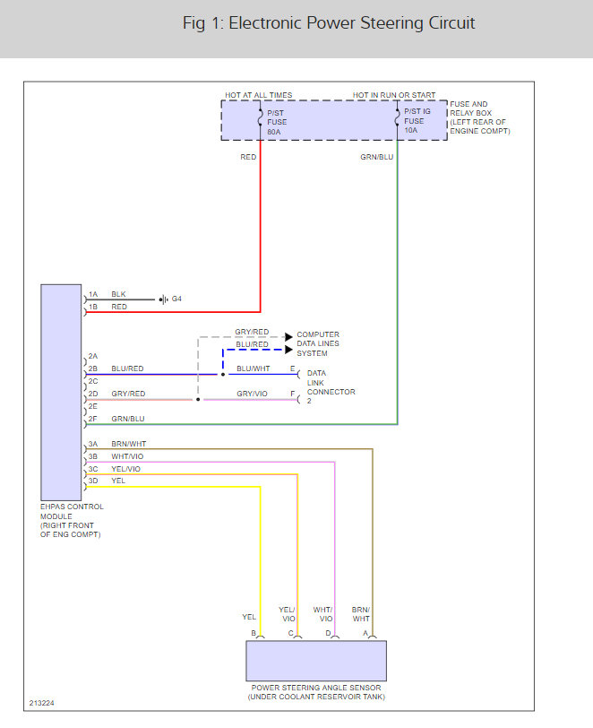
Crossed terminals, it set everything off. Blew the inline fuse on the positive battery wire. I have already bypassed it. How important is it really? Also blew the "room" fuse that powers stereo and dome lights. Replaced that fuse already too. Car starts, runs and drives. However. Doesn't idle once start driving, and power steering doesn't work. I need cheap solutions as i am between jobs right now. The power steering was working before this, now it doesn't work at all.
May 2, 2019 at 9:02 PM








