Credit card fell in defrost vent; how do I get it out?

2013 FORD EDGE
198,000 MILES • V6 • 2WD • AUTOMATIC
Avatar
BDENNEY
  • MEMBER
  • 2 POSTS
I can't see it and I have changed from defrost to head to floor and defrost many times. So, I don't know if it has gone somewhere else. Help Please!
Oct 6, 2022 at 4:06 PM
Advertisement
Avatar
STRAILER
  • CERTIFIED EXPERT
  • 53,855 POSTS
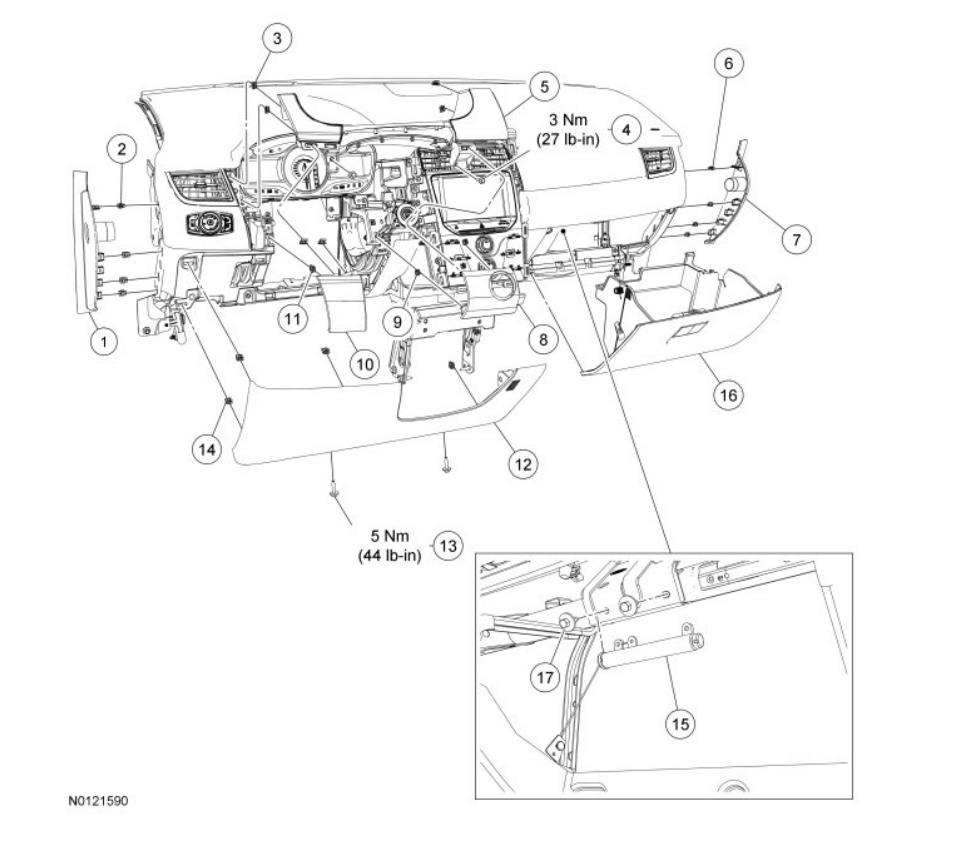
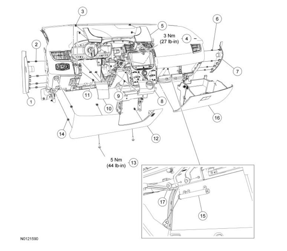
Yep, this happens, the difficulty will depend on how far the credit card has fallen down into the vents, I would use a flashlight and look through the windshield to see if you can locate it. The only thing you can do is start taking apart the dashboard until you find it in the HVAC ducting. Here are images of what you are in for when doing the job. I noticed that this car has a cabin filter. Perhaps if you remove the filter the card will be there, I hope. Check out the images (below). Let us know what happens and please upload pictures or videos of the problem.
Oct 7, 2022 at 9:36 AM