Crankshaft sensor wires

2010 KIA SOUL
89,000 MILES • 2.0L • 4 CYL • 2WD • AUTOMATIC
Avatar
  • MEMBER
  • 9 POSTS
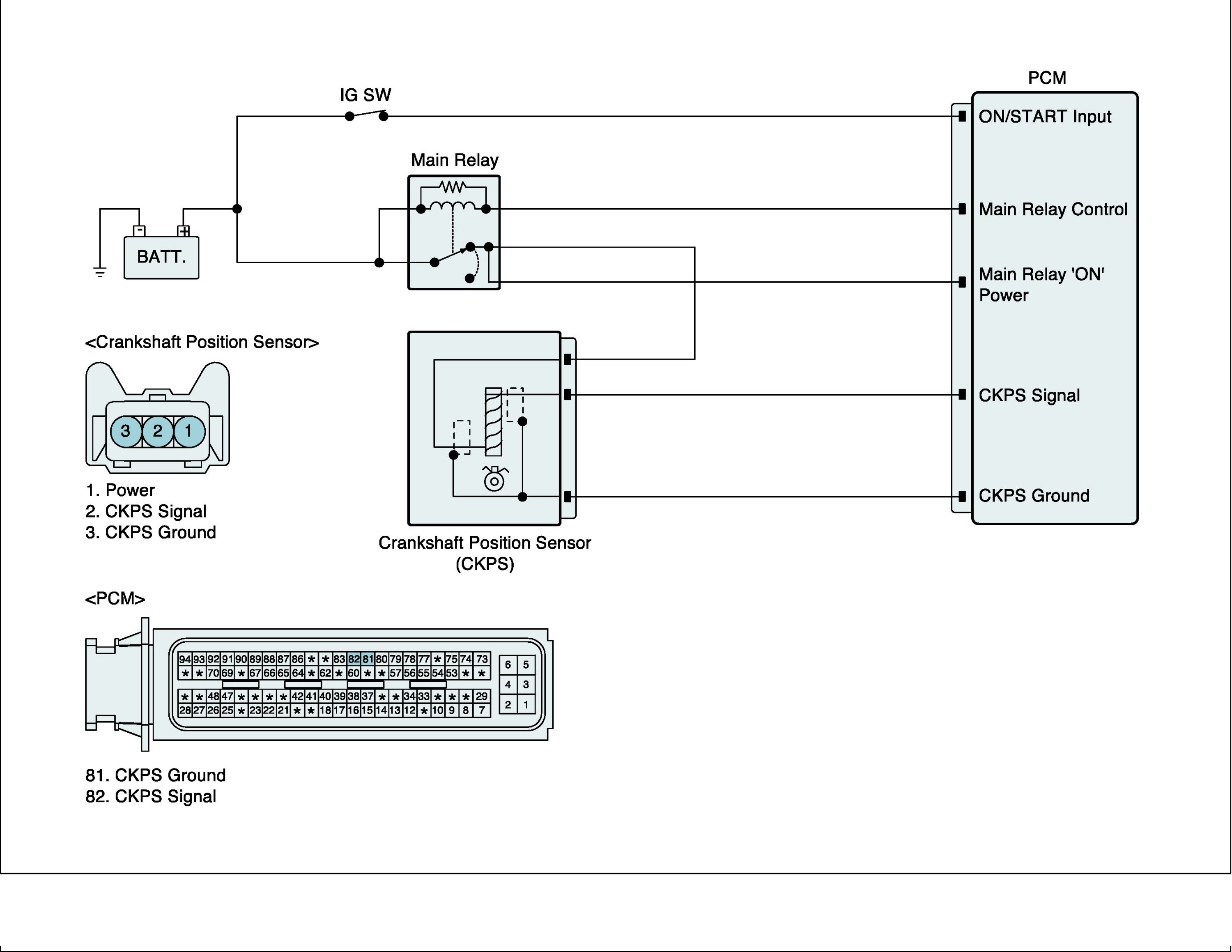
My vehicle has three wires for the crankshaft sensor. One day I got a crankshaft error on my scan tool. So I went to replace the sensor. When I was taking out the sensor the wires came out of the harness. I called my local Kia dealer and asked them what order the wires go in and the told me the wrong order. So I bought a service manual and found the right order. But now I get 5 volts on the signal wire that comes from the ECU. I'm pretty sure that the 5 volts should be coming from the sensor to the ECU. So on the three wires I have 12 volts, 5 volts and the ground. When I hook up the harness to the sensor I get 12 volts across all three wires. I have replaced the sensor four times. I have disconnected the harness to the ECU and checked the pin for the sensor on the ECU and it has .75 volts. I checked the harness and no volts on it. But when I connect the harness to the ECU I get 5 volts when the car is on the on position. I have replaced the wire harness to the crankshaft sensor and the same thing happens. I think the ECU may be bad but the I don't understand why the sensor harness has 12 volts on all three wires only when the sensor is hooked up. I have tested the sensor by putting 12 volts into the relay wire that's supposed to have the 12 volts and all three pins on the sensor has 12 volts. I even test the new sensors and the same thing happens. Please help
Jan 18, 2019 at 12:52 PM
Advertisement
Avatar
JACOBANDNICKOLAS
  • CERTIFIED EXPERT
  • 110,175 POSTS
Hi and thanks for using 2CarPros.

The three wires should be white, brown, and blue. White should have 12 volts from the fuse panel in the engine compartment. The brown is ground and blue signal.

Based on your description, it sounds like the plug itself is bad an causing a short across all three wires. If you remove fuse the sensor fuse under the hood (see picture 3) does the power go away?

Since the pins at the ECM seem good when things are disconnected, I really questions the harness to the sensor as well as the plug. Check continuity in each wire. In other words, disconnect both sides and see if there is resistance in each wire. Move them around to see if there is a possible short.

Let me know. I attached schematic pictures in case you needed them. I highlighted the wires in question.

Take care,
Joe
Jan 18, 2019 at 8:54 PM
Avatar
KENW1
  • CERTIFIED EXPERT
  • 213 POSTS
Hello and thanks for visiting 2CarPros.

Pin 1 is 12 volts in to the sensor, pin 3 is sensor ground through the ECM. With the crank sensor plugged in pin 3 should be grounded with the key on. Pin 2 is signal to the ECM, should be ac voltage while cranking.

it sounds like the plug at the crank sensor may be bad and shunting voltage to all three wires. You should have ground on pin 3 however from the ECM.
Jan 18, 2019 at 8:58 PM
Advertisement
Avatar
  • MEMBER
  • 9 POSTS
The color wires are blue, black and yellow. The blue one gets 12 volts the black is ground and the yellow gets 5 volts. I believe you are right about the sensor, but the issue I have is I just bought a new sensor and when I hook up just the blue wire to it I get 12 volts on all pins on the sensor but I will retest it to check. I disconnected the harness from the wires and I still get 5 volts coming from the ECU. Also, the service manual that I have says the wires are 1 blue, 2 black, and 3 yellow. So even with the harness off I still get 5 volts. do you have any clue where that might be coming from?
Jan 18, 2019 at 9:06 PM
Avatar
JACOBANDNICKOLAS
  • CERTIFIED EXPERT
  • 110,175 POSTS
When you say harness off, are you referring to the plug at the sensor or the ECM?

As far as getting 12 volts on all pins when you connect one wire, there has to be a short internally. Also, it isn't uncommon to see low voltage at the CKP plug signal wire when the ECM is connected. However, 12 volts across all the wires is wrong.

Let me know.
Joe
Jan 18, 2019 at 9:49 PM
Avatar
  • MEMBER
  • 9 POSTS
When I said harness of I was talking about at the sensor. I will check everything again in the morning to see if I may have missed something. As for the 5 volts on the signal wire coming from the ECU do you think there is a short someplace? Do you know how I can check to see if there is one?
Jan 18, 2019 at 11:28 PM
Avatar
JACOBANDNICKOLAS
  • CERTIFIED EXPERT
  • 110,175 POSTS
Welcome back:
I have a feeling that voltage will vary and not be a concern.
Jan 19, 2019 at 12:49 PM
Avatar
  • MEMBER
  • 9 POSTS
Okay, I went two hours away to a junk yard and got a new harness. Some good news. Now it acts like it's trying to start and it won't. So I think the sensor harness was bad now time to buy a new sensor. This time I won't go cheap and get them offline and pay like $15.00 for them when I can go to AutoZone and get one for $60.00. And of course they don't have it in stock. The only other thing that I can think of would be the battery. When it's trying to start it loses all power for less than a second. But I had the battery tested at the store and they said it was good. But I did try two other batteries with the same effect. If anyone might think of something else please let me know.
Jan 19, 2019 at 3:04 PM
Avatar
JACOBANDNICKOLAS
  • CERTIFIED EXPERT
  • 110,175 POSTS
Welcome back:
If you lose all power for a second, that sounds like an issue with the battery terminals or main ground on the block. Have you checked for any issues there?

Let me know.

Joe
Jan 19, 2019 at 6:57 PM
Avatar
  • MEMBER
  • 9 POSTS
Yes, I have replaced both battery cables but I haven't checked the ground on the block. By the chance do you know where it is? I found one ground on the frame above the strut. In the morning I will try to trace the ground wire from the battery to see if there is another location. And I will clean that area. The one ground site I already cleaned.
Jan 19, 2019 at 7:03 PM
Avatar
JACOBANDNICKOLAS
  • CERTIFIED EXPERT
  • 110,175 POSTS
According to my schematic, that year only has a ground to the body. I would suggest following the ground to determine if there is another one to the engine. If there isn't, you may want to add one between the battery/body and engine. It won't hurt just to see if it makes a difference.

Jan 19, 2019 at 8:21 PM
Avatar
  • MEMBER
  • 9 POSTS
I will try this in the morning. I will let you know if it works. When I changed the negative battery cable there was only that wire that went to the battery. But I will see if I can find a place on the engine block to put a ground.
Thank you guys for helping me.
Jan 19, 2019 at 8:28 PM
Avatar
  • MEMBER
  • 9 POSTS
Here's an update: I cleaned and sanded the two grounding points that are on the struts. No change. When I try to start the car it feels like there's a big drop in power. I did find two cables that were at the grounding point next to the battery. There's two wires going into a splice that has a round connector for the bolt to go thru and one wire is loose. So I'm thinking that maybe that can be the issue. I have to go out and buy some of those thing to put wires into. Then I will do another update.
Jan 20, 2019 at 9:41 AM
Avatar
  • MEMBER
  • 9 POSTS
Finally some good news. After rechecking everything I started to see if it could be the starter. But I couldn't find the starter so I unplugged the ignition coil and it cranked but it didn't do the power draw thing. So I hooked up the old coil since that one was new. And it started. But when I give it some gas it gets bog down. So I hooked up my scanner and I have error code p0335 pending. Which is the crankshaft sensor. So I will wait for the one I ordered to come and hope that solves everything. I will post again when I put the part back in.
Jan 20, 2019 at 3:21 PM
Avatar
JACOBANDNICKOLAS
  • CERTIFIED EXPERT
  • 110,175 POSTS
Welcome back:
Sounds like a plan. I'm really interested in knowing if that takes care of the problem. Let me know.

Take care,
Joe
Jan 20, 2019 at 7:33 PM
Avatar
  • MEMBER
  • 9 POSTS
Ok I got the new crankshaft sensor in and everything works great. So the issue was a few bad crankshaft sensors and a bad ignition coil. I'm glad this is over. Thank you for all your help
Jan 25, 2019 at 1:31 PM
Avatar
JACOBANDNICKOLAS
  • CERTIFIED EXPERT
  • 110,175 POSTS
Great! I'm happy you got it going. Honestly, remember the old saying, "Buyer Beware" when getting inexpensive parts online, especially electrical.

Take care of yourself and let us know if you have questions in the future.

Joe
Jan 25, 2019 at 5:39 PM