☰
Login
Join
×
Home
Answered Questions
Repair Topics
Repair & Service Guides
Popular Questions
Warning Lights
Trouble Codes
How It Works
Testing / Diagnostics
Symptoms
Videos
Login
Become a Member
Home
Kia
Sorento
Engine
Crankshaft
Sensor
Location
Crankshaft sensor location
2011 KIA SORENTO
175,000 MILES • 2.4L • 4 CYL • 2WD • AUTOMATIC
ROBERTSON031
MEMBER
2 POSTS
FOLLOW
I need to know where to find and how to replace the crankshaft sensor. Thanks.
Mar 16, 2019 at 10:50 AM
Advertisement
SCGRANTURISMO
CERTIFIED EXPERT
4,897 POSTS
Hello,
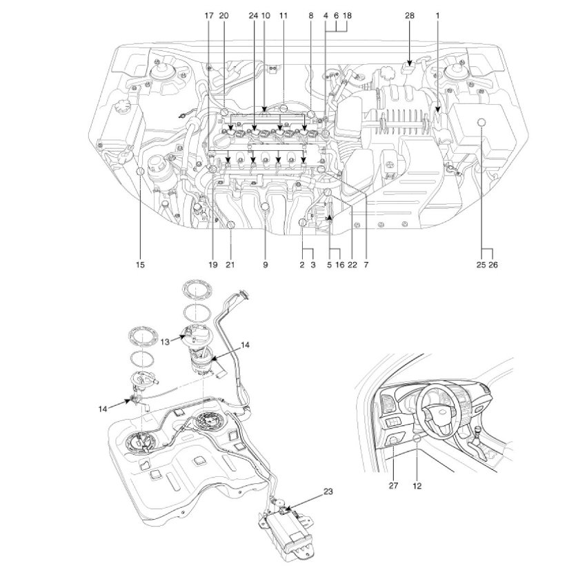
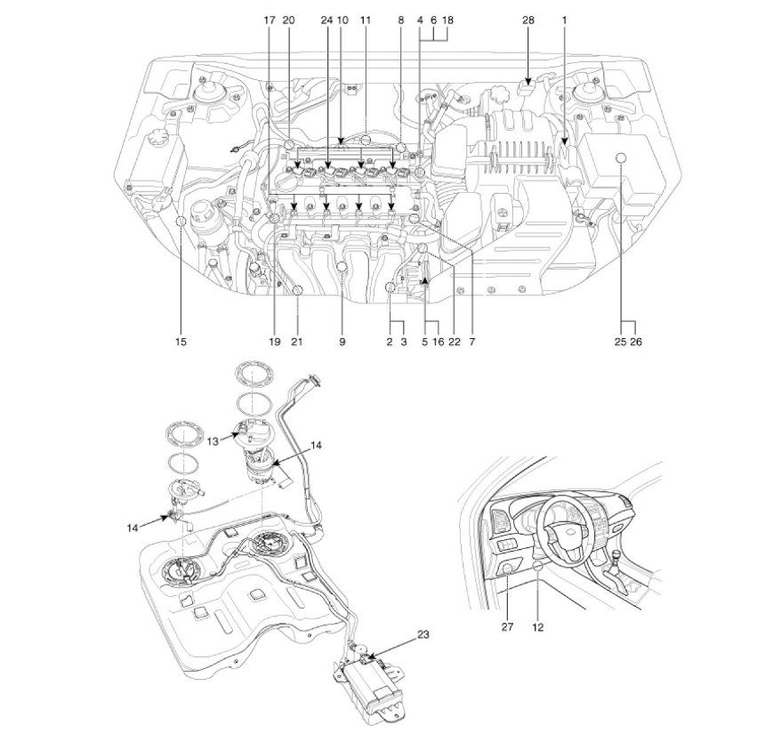
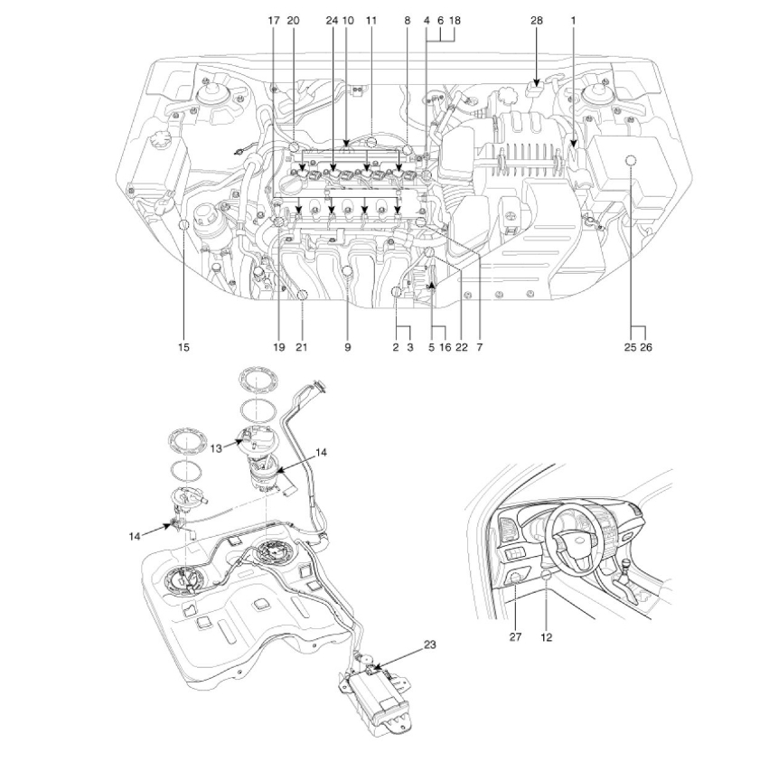
I have included all the information that you requested in the diagrams down below. Please let us know if there anything else we can do to help.
Thanks,
Alex
2CarPros
Images (Click to enlarge)
Mar 16, 2019 at 2:19 PM
ROBERTSON031
MEMBER
2 POSTS
Thanks!!
Mar 17, 2019 at 6:43 AM
Advertisement
STRAILER
CERTIFIED EXPERT
53,854 POSTS
Use 2CarPros anytime, we are here to help. Please tell a friend.
Mar 19, 2019 at 11:17 AM