Crankshaft position sensor pigtail?

2000 CHEVROLET BLAZER
120,000 MILES • 4.3L • V6 • 2WD • AUTOMATIC
Avatar
KACCITO
  • MEMBER
  • 2 POSTS
My crankshaft position sensor connector broke off i bought a pigtail but, all the wires are white I have no idea how to reconnect to my original-colored wires it's a 3-wire connector.
Apr 23, 2025 at 6:50 PM
Advertisement
Avatar
STEVE W.
  • CERTIFIED EXPERT
  • 15,113 POSTS
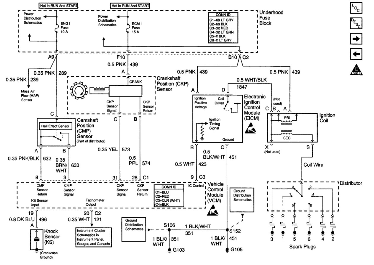
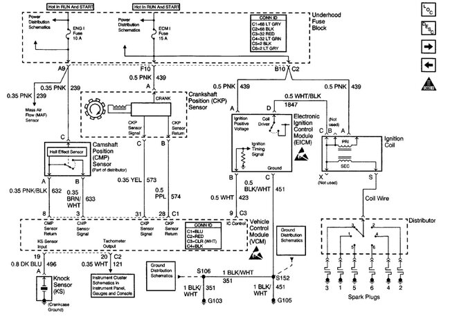
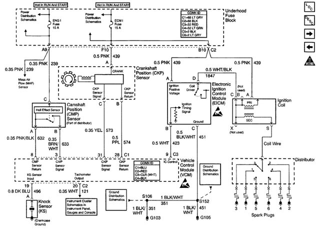
That is done so that they can use that same connector for anything that requires 3 pins. In your case the three colors are Pink with a 12-volt feed on pin A, then a Purple that is a ground into the ECM on pin B, and lastly a yellow wire that is the sensor signal. The connector image is looking into the connector with it unplugged. The connections there need to be good. I use individual non-insulated crimp connectors and adhesive lined heat shrink normally like in this video:

https://www.youtube.com/watch?v=wqV-EyYDEAg

You can also use the combination crimp with heat shrink on it like the ones in this video:

https://www.youtube.com/watch?v=CRA0iE_qoYk

Both work well as long as you don't damage the insulation.
Apr 23, 2025 at 9:39 PM
Avatar
KACCITO
  • MEMBER
  • 2 POSTS
Awesome, thank you. another thing my new connector doesn't have ABC on it so how would i know where to start?
Apr 23, 2025 at 9:57 PM
Advertisement
Avatar
STEVE W.
  • CERTIFIED EXPERT
  • 15,113 POSTS
Hold up the connector so you can look into the face of it like the attached picture above, that shows you ABC.
Apr 23, 2025 at 11:37 PM