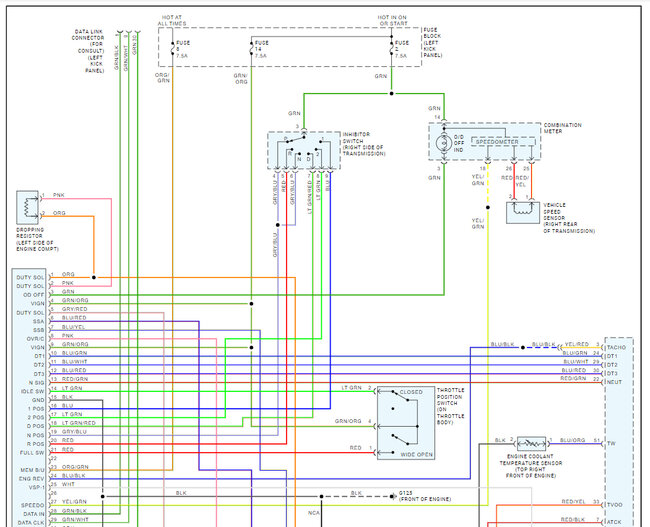
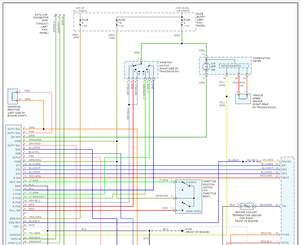
Hello, as you will see my car is a 1998 which usually come with a single overhead cam, however my car has a DOHC ka24de with the s14 trans. I’m wondering where the crankshaft position sensor pigtail goes. Possibly the colors of the wires? I had seen a forum saying blue with a pink chaser and a gray but cannot find anything else online for it. I did see a pigtail that had been cut off by the previous owner that goes to the trans which looks like it could be blue with a pink chaser and a grey. Any help is very much appreciated, thank you!
Mar 29, 2024 at 9:43 PM








