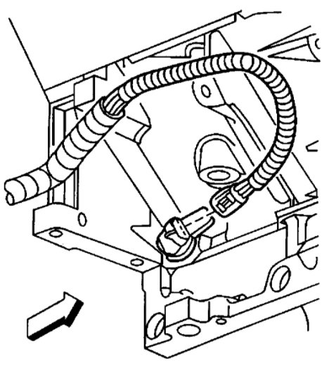
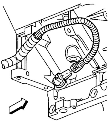
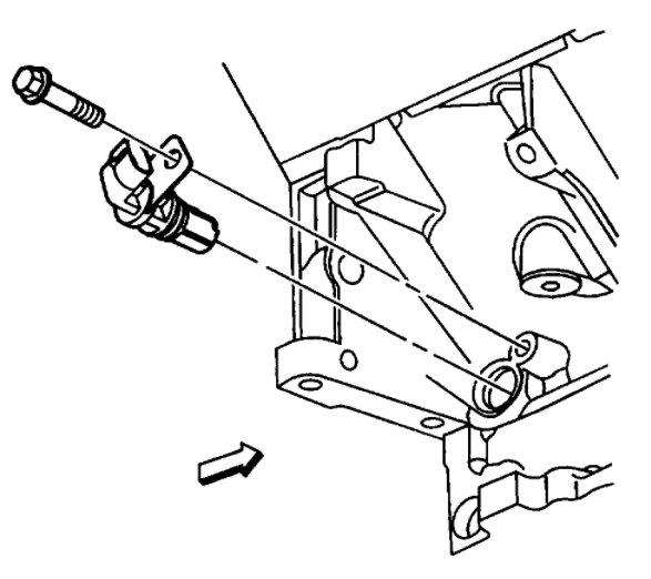
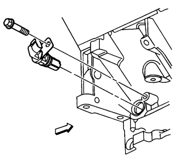
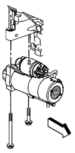
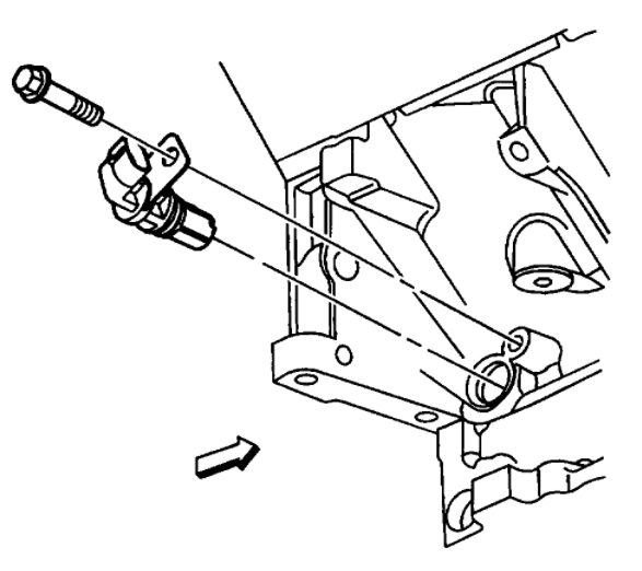
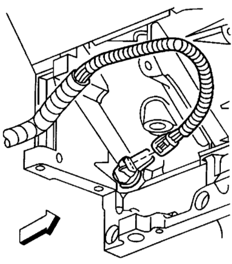
My crankshaft position sensor is smaller in diameter than the design one. I was told that the brass cup inside needs to come out. Need instructions on how to do it.
Oct 9, 2019 at 4:47 PM













