Crankshaft position sensor location?

2014 FORD MUSTANG
150,000 MILES • 3.7L • V6 • 2WD • AUTOMATIC
Avatar
RYAN CARMICHAEL2
  • MEMBER
  • 1 POST
I can't locate it.
Jan 5, 2020 at 8:06 PM
Advertisement
Avatar
JIS001
  • CERTIFIED EXPERT
  • 3,412 POSTS
It looks like the sensor is on the left hand side towards the rear. Check out the diagrams (Below). Please let us know if you need anything else to get the problem fixed.
Jan 5, 2020 at 11:30 PM
Avatar
ARREDONDOROCK
  • MEMBER
  • 1 POST
I would like to know where is located the crankshaft position sensor.
Sep 15, 2020 at 10:13 AM (Merged)
Advertisement
Avatar
KASEKENNY
  • CERTIFIED EXPERT
  • 18,907 POSTS
I attached a few views of the locations. Let me know if you need more information. Thanks
Sep 15, 2020 at 10:13 AM (Merged)
Avatar
ANGELAFLOYD94
  • MEMBER
  • 1 POST
Does my 94 mustang gt 5.0 have crank position sensor? Had to replace distributor awhile back. Did so. Car ran fine after, than a few months later started stalling while driving it. Sometimes I cpuld go weeks without it dying and sometimes it would die numerous times a day. So. Brand new cap n rotor, ignition switch, coil and had icm tested, and maf sensor is good. Car used to start after it would die, if it sat for a few. Now it dont start at all. It has no spark
Dec 8, 2020 at 7:30 AM (Merged)
Avatar
DANNY L
  • CERTIFIED EXPERT
  • 5,648 POSTS
Hello, I'm Danny
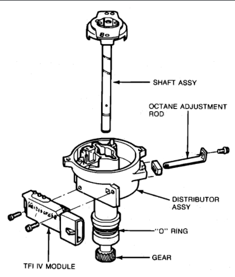
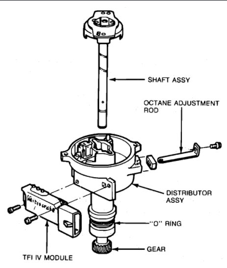
To answer your question ,No, Your car does not have a crankshaft position. It has a hall effect sensor that is built into-attached to the distributor. If the module is faulty that would be the reason for not getting spark. I've attached a system description below and picture replacement steps as well. Hope this helps and thanks for using 2CarPros.
Dec 8, 2020 at 7:30 AM (Merged)