Cranks no start, instrument cluster gauges do not work

2003 FORD F-250
120,000 MILES • 5.4L • V8 • 4WD • AUTOMATIC
Avatar
LOWELL CONNER
  • MEMBER
  • 2 POSTS
It cranks fine. I am not getting power on fuse number 30 and fuse number 45 when I'm supposed to have power. I am not getting power on the fuses. I would like to know where you could hook into within wires? I need a wiring schematic.
Oct 9, 2019 at 1:23 PM
Advertisement
Avatar
BMDOUBLE
  • CERTIFIED EXPERT
  • 1,139 POSTS
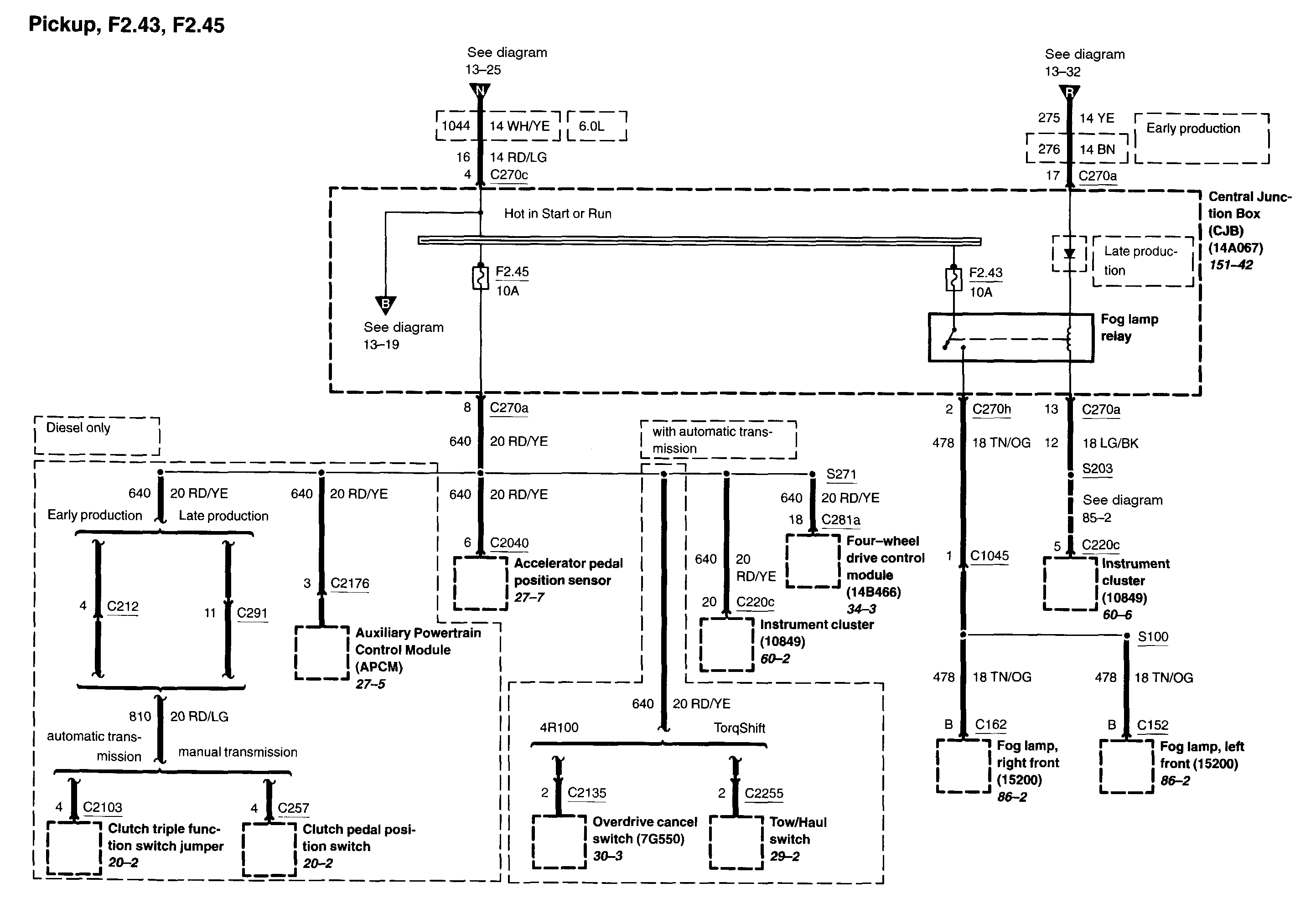
I've had quite a few issues with the central junction box in the interior. here is a diagram of the power source for fuse 2.45. There should be 12 volts on the run and start position.
Oct 9, 2019 at 2:07 PM
Avatar
LOWELL CONNER
  • MEMBER
  • 2 POSTS
I have no power on that wire. Could you send diagrams on where it gets power?
Oct 11, 2019 at 10:00 AM
Advertisement
Avatar
STEVE W.
  • CERTIFIED EXPERT
  • 15,113 POSTS
So you have no power to fuse 45 and that wire? In that case check fuse 116 (30 amp) in the junction box. If you have power at both sides of the fuse you will need to see if that power is making it through the ignition switch on that same colored wire.
Oct 16, 2019 at 4:39 PM
Avatar
BMDOUBLE
  • CERTIFIED EXPERT
  • 1,139 POSTS
The power source for the red with green wire is a bus bar that is internal to the central junction box, which if were bad you would not have any other accessory operation like wipers,windows,radio, etc. You can try to add a fused jumper wire to the red with green wire at the ignition switch to see if this restores operation, if so then you have a central junction box issue.
Oct 17, 2019 at 8:22 AM
Avatar
LOWELL CONNER
  • MEMBER
  • 2 POSTS
Could I have diagram 13 31 police the next diagram from what you just sent me? could I possibly get that? thank you
Oct 18, 2019 at 3:40 PM
Avatar
BMDOUBLE
  • CERTIFIED EXPERT
  • 1,139 POSTS
Here you go,sorry for the delay!
Oct 19, 2019 at 10:12 AM