Shut off while driving, engine cranks, but does not start?

2007 CHEVROLET COBALT
234,000 MILES • 2.2L • 4 CYL • 2WD • MANUAL
Avatar
SHERLOCKTHC
  • MEMBER
  • 22 POSTS
The coils and plugs and fuses are fine. I was driving, then the engine shut off. It will crank but no spark. I couldn't pop start it, but I saw the RPMs moving. I checked the fuses and tried a few tricks but no luck. After I had it towed, the tow driver left the lights on and ruined the brand-new battery. I charged it but my bidirectional scanner only reads a U2129-00 code now. I've had a lot of work done lately to pass inspections. I was trying to fix a P0171 code the day this happened. It was running fine; I took off the throttle body to check for leaks. I put it back on, drove only 3 blocks away and it shut off. The scanner seems to communicate with everything just fine. Upon inspection I discovered oil had leaked down the wire bundle into the ecu plug and elsewhere. I cleaned it all up but still no luck. The car is mechanically sound, I just put a ton of money into it. I've done some random troubleshooting but need help from square one. I'm worried it's a bad wire or connection somewhere but don't know what to check or where to start. Please help bring it back to life!
Mar 27, 2023 at 7:25 PM
Advertisement
Avatar
STRAILER
  • CERTIFIED EXPERT
  • 53,855 POSTS
If you had bad wiring, you would have a code for it most of the time, but I would start by checking the fuses to the PCM. Also, how does the engine sound when you are cranking it over? Can you upload a short video of the noise it is making so I can tell if it is in good shape?

https://www.2carpros.com/articles/how-to-check-a-car-fuse

Check out the images (below). Let us know what happens and please upload pictures or videos of the problem so we can see what's going on.
Mar 28, 2023 at 8:44 AM
Avatar
SHERLOCKTHC
  • MEMBER
  • 22 POSTS
Would it still show a code for a wire if the battery has been disconnected?
The fuse seems fine. It communicates with my bidirectional scanner just fine also. But I did find oil in the connection. I cleaned and dried everything thoroughly and still no spark. The engine sounds fine while cranking. It was running perfectly before this happened. On the wires leading to coil 4, I found a short on the power wire. It rubbed against a bracket.
Would that stop the spark to all 4 plugs?
Mar 28, 2023 at 5:09 PM
Advertisement
Avatar
STRAILER
  • CERTIFIED EXPERT
  • 53,855 POSTS
Thanks for the video and the images, you can see the oil which could have gotten into the PCM which might make it malfunction. It would show a code but only if there was a code this kind of problem. You may have a bad PCM, you can get a preprogrammed unit by searching Google or Ebay. Check out the images (Below). Please let us know what happens.
Mar 30, 2023 at 12:46 PM
Avatar
SHERLOCKTHC
  • MEMBER
  • 22 POSTS
Is there any way to test this with my scanner? I have a Launch x431 v pro bidirectional scanner. The PCM seems to communicate just fine. I'm just trying to verify if ordering a PCM is the best option to try next.
Mar 31, 2023 at 7:26 PM
Avatar
STRAILER
  • CERTIFIED EXPERT
  • 53,855 POSTS
Not really, the scanner can command and monitor the PCM but not test it.
Apr 2, 2023 at 9:46 AM
Avatar
SHERLOCKTHC
  • MEMBER
  • 22 POSTS
Well, I ordered a PCM from eBay. I'll reply here when I receive it. Is there anything else worth trying until it arrives?
Apr 2, 2023 at 7:01 PM
Avatar
STRAILER
  • CERTIFIED EXPERT
  • 53,855 POSTS
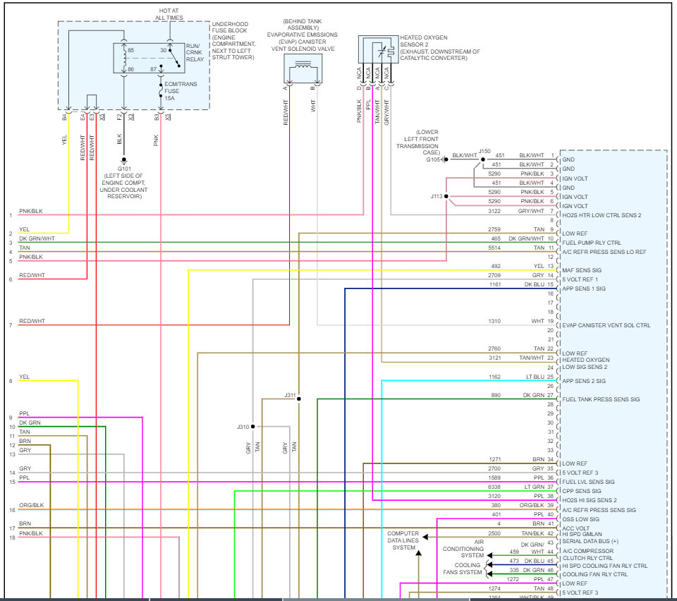
I would check the electrical connectors for corrosion, and I would check the power and ground connections and inputs.

Here is a guide to help and the engine and PCM wiring diagrams to help you with the test:

https://www.2carpros.com/articles/how-to-check-wiring

Check out the images (below). Please let us know what happens.


Apr 3, 2023 at 10:51 AM
Avatar
SHERLOCKTHC
  • MEMBER
  • 22 POSTS
So, I got a P062F code with the new ECM. I can't get the new ECM to work. Any ideas on what could cause this?
Apr 12, 2023 at 7:39 PM
Avatar
STRAILER
  • CERTIFIED EXPERT
  • 53,855 POSTS
A P062F error in the EEPROM (Electrically Erasable Programmable Read-Only Memory). So it sounds like you got a defective or incorrectly programmed ECM.
Apr 13, 2023 at 11:55 AM
Avatar
SHERLOCKTHC
  • MEMBER
  • 22 POSTS
I tried 2 different ECMs. I'm confident it's not either of the ECMs. Could it be anything else?
Apr 13, 2023 at 12:22 PM
Avatar
SHERLOCKTHC
  • MEMBER
  • 22 POSTS
Also, I'm using a better multimeter now, (with the original ECM back in) I see a reading of 0.67v on pin D for the coil connectors. My previous multimeter didn't pick that up. I get the same reading using a power probe. Shouldn't pin D be 12v? The battery is reading 12v. What could cause the difference in voltage?
Apr 14, 2023 at 4:28 PM
Avatar
STRAILER
  • CERTIFIED EXPERT
  • 53,855 POSTS
The pink/white wire to the coil should be 12 volts. Try unplugging the coils to see if the voltage returns, you may have a shorted ignition coil.
Apr 15, 2023 at 10:10 AM
Avatar
SHERLOCKTHC
  • MEMBER
  • 22 POSTS
When I unplug each coil, the voltage goes up. When I unplug 3 coils it goes up to 2.8v. Any idea what could cause this and where to start? I found 1 melted wire, there was no improvement after I repaired it.
Apr 17, 2023 at 6:39 PM
Avatar
SHERLOCKTHC
  • MEMBER
  • 22 POSTS
Any thoughts on my last reply?
Apr 20, 2023 at 6:51 AM
Avatar
STRAILER
  • CERTIFIED EXPERT
  • 53,855 POSTS
If you unplug all of the coils does the voltage, go up to 12 volts? If so, you have a shorted coil. If not, I would test the power and ground inputs of the ECM using the wiring diagrams above.
Apr 21, 2023 at 12:52 PM