Crank no start it has fuel pressure and spark?

2000 CHEVROLET 2500
350,000 MILES • 5.7L • V8 • 4WD • AUTOMATIC
Avatar
CHEVYTRUCKK2500
  • MEMBER
  • 3 POSTS
No fuel flow into the TBI, I've got 55 PSI at the input line into the unit. But it cranks like there is no fuel and there is not anything being injected, what can i test or do?
May 22, 2024 at 8:06 AM
Advertisement
Avatar
JACOBANDNICKOLAS
  • CERTIFIED EXPERT
  • 110,175 POSTS
Hi,

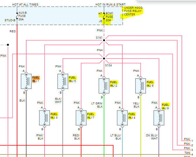
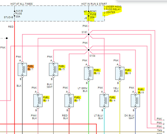
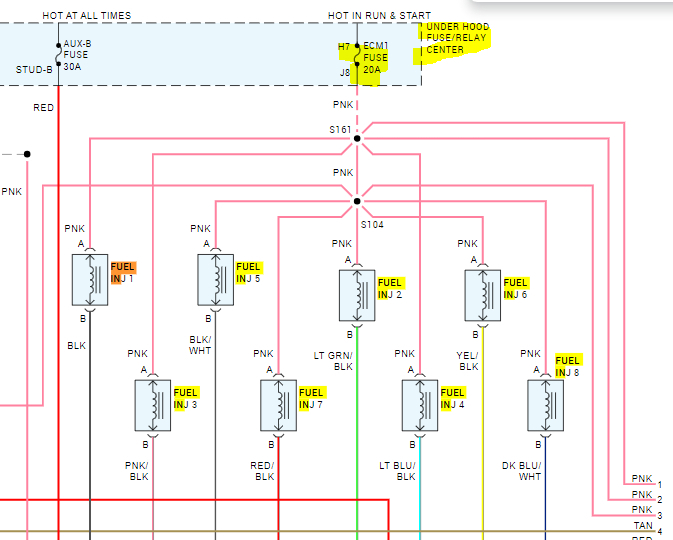
At each of the fuel injectors, you will see a pink wire. With the key in the run position, each injector should have power at that wire. Power is provided via the ECM 1 fuse in the under-hood fuse box. Check that for me first.

If they all have power, each injector will also have a second wire that is a different color for each cylinder. That wire provides a ground path to complete the circuit and fire the injector. The ground is provided via the PCM/ECM.

Take a test light and place the alligator clip on the battery positive and probe any of the ground path wires at the connector. Have a helper crank the engine. The test light should strobe on and off if the ground is provided.

Try this and let me know what you find.

Take care,

Joe

See pic below.
May 23, 2024 at 5:53 PM
Avatar
CHEVYTRUCKK2500
  • MEMBER
  • 3 POSTS
JacobandNickolas, Thank you for your guidance. I performed both of those tests I had voltage for the first test. Then With the second test on the grounded side It also produced voltage where you said it should. It still is not injecting any fuel. What's next?
May 24, 2024 at 6:21 PM
Advertisement
Avatar
JACOBANDNICKOLAS
  • CERTIFIED EXPERT
  • 110,175 POSTS
Okay, it sounds like the injectors are working as designed. For curiosity, will the engine start if you use starting fluid? Also, if you remove a spark plug, is it wet or dry? I would do that after cranking.

Let me know. Also, the manufacturer specs for fuel pressure (key on / engine off) is 60-66 PSI. I still think you would get fuel at 55 PSI.

If the truck starts and then stalls with starting fluid, we will for certain it is a fuel issue.

Let me know.

Joe
May 24, 2024 at 7:12 PM
Avatar
CHEVYTRUCKK2500
  • MEMBER
  • 3 POSTS
Thank you again!
Results
1. Starter fluid. Cranks onlyit does not start; it appears to be fluid only with no fuel and no significant firing up.
2. Plug out, cylinder is very dry,
sparkplug too is dry.
is there anything left
I will record a video of the process to send, if that is okay.
May 25, 2024 at 2:37 PM
Avatar
JACOBANDNICKOLAS
  • CERTIFIED EXPERT
  • 110,175 POSTS
Hi,

If it didn't even try to start with starting fluid, it sounds like there is no spark at the plugs. Have you rechecked for spark?

Here is a link you may find helpful:

https://www.2carpros.com/articles/how-to-check-for-ignition-spark

If there is spark, compression, the timing is correct, and fuel (starting fluid in this case), it should have at least tried to start or fired on a few cylinders.

Let me know.

Joe
May 25, 2024 at 7:07 PM