Cranks but will not stay started

2006 TOYOTA TUNDRA
125,000 MILES • 4.7L • V8 • 2WD • AUTOMATIC
Avatar
SPORK1979
  • MEMBER
  • 12 POSTS
Truck starts but will not stay started. Found A nest on passengers side under hood noticed a wire broken. Is there a way I can take a picture and send?
Oct 20, 2018 at 11:02 AM
Advertisement
Avatar
SPORK1979
  • MEMBER
  • 12 POSTS
Here it is:
Oct 20, 2018 at 11:27 AM
Avatar
JACOBANDNICKOLAS
  • CERTIFIED EXPERT
  • 110,175 POSTS
Hi and thanks for using 2CarPros.com.

Based on the picture, that is a fuel pump resister. I attached a picture below (picture 1). This component is bypassed on startup which will allow power to the pump and the vehicle to start. When the key returns back to the run position, power goes through the resister to the pump. If the resister wiring is bad, it will start, but stall a very short time after.

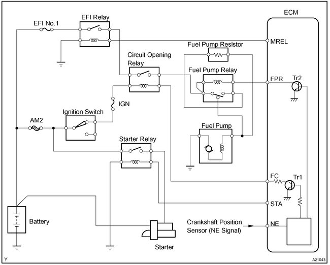
The second picture I attached is a schematic of the fuel system.

The wiring needs repaired. If you feel the resister has been damaged, here are the directions for testing. See picture 3.

INSPECTION

1. REMOVE FUEL PUMP RESISTOR

2. INSPECT FUEL PUMP RESISTOR
Using an ohmmeter, measure the resistance between the terminals.

Resistance: 0.70 to 0.76 Ohm at 20 °C (68 °F)

If the resistance is not as specified, replace the resistor.

3. REINSTALL FUEL PUMP RESISTOR

Torque: 8.0 Nm (82 kgf.cm,71 in-lbf)
___________________________________________

Here are two links that show how to use a volt / multi meter and how to check wiring.

https://www.2carpros.com/articles/how-to-use-a-voltmeter

https://www.2carpros.com/articles/how-to-check-wiring

___________________________________________

I hope this helps. Let me know if you have other questions or need help.

Take care,
Joe

Oct 20, 2018 at 5:59 PM
Advertisement
Avatar
SPORK1979
  • MEMBER
  • 12 POSTS
The fuel pump resister connects inside other wiring. How do I go about replacing and reconnecting?
Oct 21, 2018 at 8:38 AM
Avatar
SPORK1979
  • MEMBER
  • 12 POSTS
The bundle of wires is what it connects to.
Oct 21, 2018 at 8:41 AM
Avatar
SPORK1979
  • MEMBER
  • 12 POSTS
I am fairly sure it is just the connector wires that connect from the resister to that bundle of wires. Can I just change the connector wire?
Oct 21, 2018 at 8:46 AM
Avatar
JACOBANDNICKOLAS
  • CERTIFIED EXPERT
  • 110,175 POSTS
Hi again. Yes, just make the necessary repairs and it should be fine. If this does not remedy the problem, let me know. But, I feel confident that is what is causing the issue.

Take care of yourself.

Joe
Oct 21, 2018 at 5:36 PM
Avatar
SPORK1979
  • MEMBER
  • 12 POSTS
Thank you Joe! I will let you know.
Oct 22, 2018 at 8:41 AM
Avatar
SPORK1979
  • MEMBER
  • 12 POSTS
Do they sell just the connector wire?
Oct 22, 2018 at 8:42 AM
Avatar
SPORK1979
  • MEMBER
  • 12 POSTS
When looking the part up online, what would I look under?
Oct 22, 2018 at 2:22 PM
Avatar
SPORK1979
  • MEMBER
  • 12 POSTS
I found some resistors that look very similar but are not exact. It does not have the back screw bracket.
Does this matter?
Oct 22, 2018 at 4:17 PM
Avatar
JACOBANDNICKOLAS
  • CERTIFIED EXPERT
  • 110,175 POSTS
As far as finding that portion of the wiring harness, chances are you will not. And I am not sure what you mean by resistors. What I suggest is to simply cut out the damaged part of the wiring and using butt connectors, replace it with new wire.

Make sure to disconnect the battery negative cable before you start working on the wires.

As far as the bracket, it should be there to protect the component from bouncing or banging on things as you drive. You can use something like zip ties to hold it in place if needed.
Oct 22, 2018 at 4:54 PM
Avatar
SPORK1979
  • MEMBER
  • 12 POSTS
When you say butt connectors I assume you are talking about the little wire connectors the connectors where you take two wires and screw the wires together using the plastic connector. Also, if I replaced damaged wire with new wire what type of wire do I use as the replacement? Where the wire from the fuel pump resistor connects to the other wire how do I disconnect it?
Oct 22, 2018 at 5:18 PM
Avatar
SPORK1979
  • MEMBER
  • 12 POSTS
This picture is the back piece. It has a hole but no screw. Does it need to be on the replacement?
Oct 22, 2018 at 5:32 PM
Avatar
SPORK1979
  • MEMBER
  • 12 POSTS
This is the piece where the connector is. How do I disconnect it?
Oct 22, 2018 at 5:34 PM
Avatar
JACOBANDNICKOLAS
  • CERTIFIED EXPERT
  • 110,175 POSTS
On the opposite side of the component, there is a release on the connector. In the picture it is facing up (right side of the connector). Press that and wiggle the plug apart.
Oct 22, 2018 at 7:20 PM