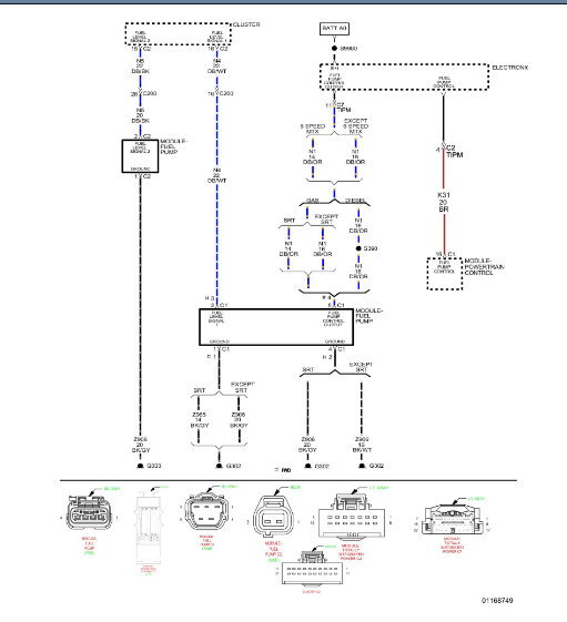
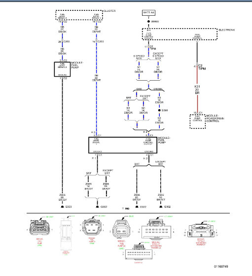
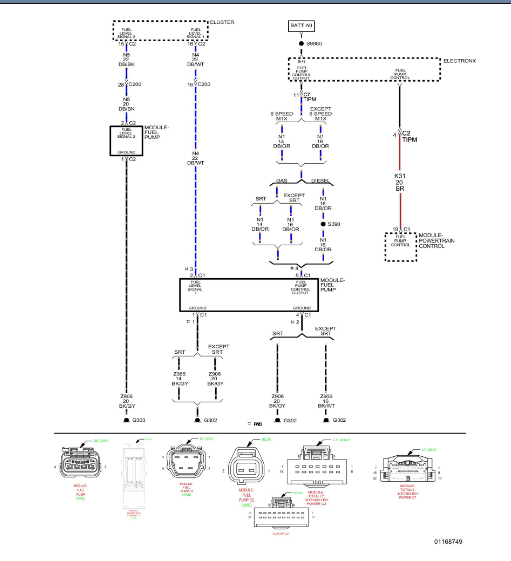
I was running errands and it was running fine. I parked it, did what I needed to do then when I came out and it would not start. Got it towed home found the fuel pump was faulty got it changed and it still won't start. I have already changed the crank position sensor had a recent oil change and tune up. Fuel pump works and the fuses look fine. Recent alternator and battery as well. The only code is P127F.
Jan 3, 2023 at 4:48 PM














