Hi,
Is there anything electrical on the vehicle that works? For example, do the headlamps work or the brake lights?
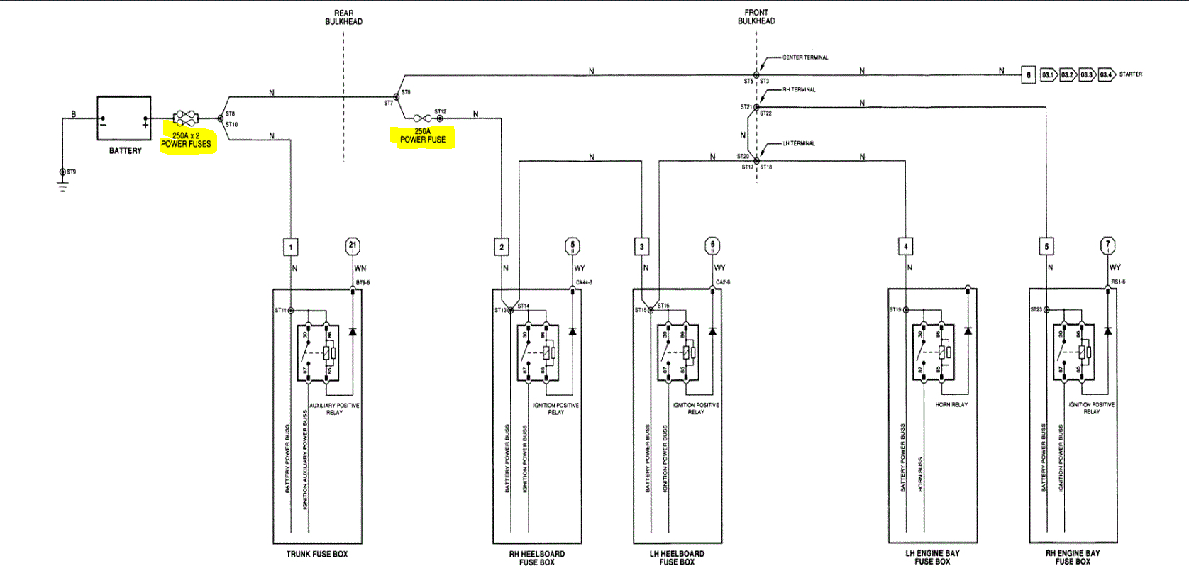
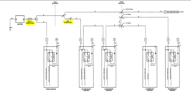
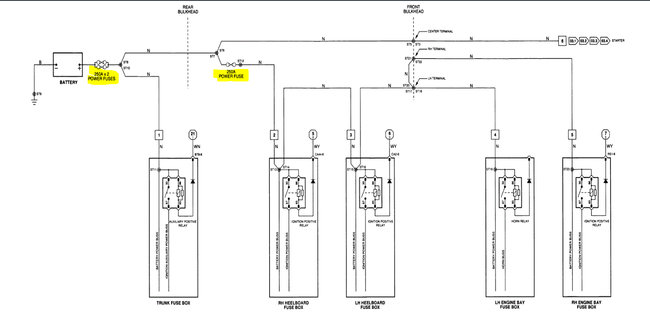
I attached a pic below showing there are two main (250 amp) fuses between the battery and the fuse boxes. Have you checked them? Also, are you certain the battery is good and the terminals are clean and tight?
Do me a favor. First, check the battery terminals first. Always start at the power supply (the battery). Here is a link showing what to look for:
https://www.2carpros.com/articles/everything-goes-dead-when-engine-is-cranked
If the battery is good, then move to the two main fuses I mentioned. In addition to checking if the fuse is good, confirm there is power to and from the fuse. Here is a link to help:
https://www.2carpros.com/articles/how-to-check-a-car-fuse
Try this and let me know the results.
Joe
Mar 27, 2021 at 7:57 PM