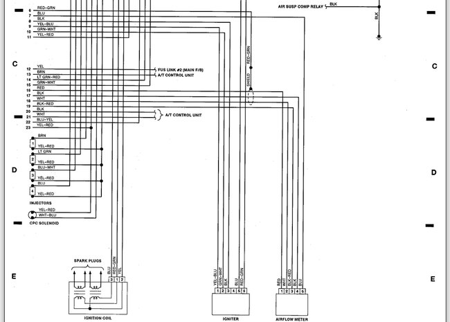
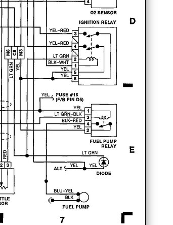
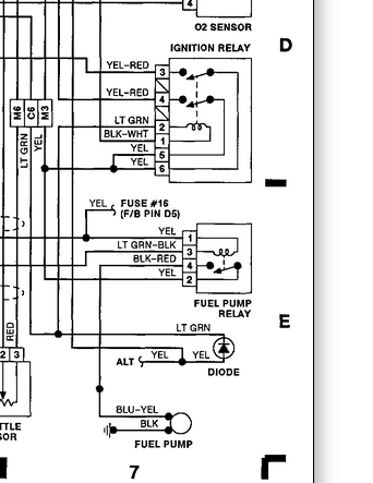
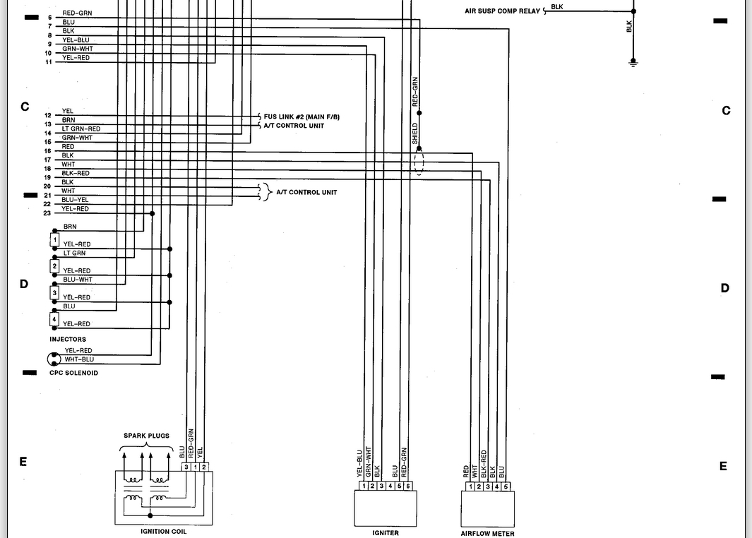
Car stopped in middle of road on way home. Would not re-start. Swapped out 1) coil pack, 2) igniter, 3) camshaft position sensor, and 4) crankshaft position sensor from my son's same model car that runs fine. No spark condition persists. We left his good parts in the non-working car while swapping additional parts. Also disconnected negative battery terminal for several minutes to allow car computers to reset but no spark condition remains. Battery is strong and easily turns over car engine. Fuel pump comes on when ignition is turned to "on".
When the parts were returned to my son's car, it started right up.
Any suggestions will be greatly appreciated.
When the parts were returned to my son's car, it started right up.
Any suggestions will be greatly appreciated.
Sep 25, 2019 at 7:58 PM






