cranks and moves but steering wheel will not turn

2011 FORD MUSTANG
86,000 MILES • V6 • 2WD • AUTOMATIC
Avatar
BECCA74
  • MEMBER
  • 6 POSTS
First problem, it will crank go in gear and move but steering wheel will not turn. it is not locked but it will not turn. If you turn key off and start it again it works fine. second problem, after it did this once then next stop i made it would not crank all. the lights came on no click or anything a man that was there told me to turn it off lock it with the key walk away ten feet wait until lights go out then unlock with the key. it worked got home pulled up your site and did all the thing it said do for this problem still have it. Took it to Ford place put on computer nothing showed up service guy said would have to check every wire and could cost up into the thousands. would not let me talk to the mechanic said he was too busy said if he were me he would get rid of the car. not happening. I still have to go through the turn on turn off lock car step away then unlock it. sometimes I have to do it twice but usually not. Though sometimes in the morning it cranks right up. I guess i can continue to do this crazy dance. Please help! who do I take it to? I do not think it is the keys everything works with the keys except when it will not start with the key. all the buttons work even if it will not start. oh yes, sometimes when it will not start it says service trac system and sometimes it says check charging system.
Sep 11, 2017 at 1:18 PM
Advertisement
Avatar
STRAILER
  • CERTIFIED EXPERT
  • 53,855 POSTS
This sounds like you have one of two problems. first, I would check the battery because a weak battery can cause these problems. Here is a guide to show you how to do that:

https://www.2carpros.com/articles/car-battery-load-test

and if it tests bad

https://www.2carpros.com/articles/how-to-replace-a-car-battery

If the battery checks out then the electronic steering sounds like it needs replacing. Here are the instructions for that so you can see what needs to be done. Start with the battery disconnected.

Removal:

If installing a new steering gear, connect the scan tool and upload the module configuration information from the Power Steering Control Module (PSCM). For additional information, refer to Module Configuration See: Powertrain ManagementComputers and Control SystemsInformation BusTesting and InspectionProgramming and RelearningProgrammable Module Installation (PMI).
Disconnect the battery ground cable. For additional information, refer to Battery, Mounting and Cables See: Starting and ChargingBatteryBattery CableService and Repair.
Vehicles with 5.4L (4V) engine

Remove the battery and battery tray. For additional information, refer to Battery and Battery Tray-Exploded View in Battery, Mounting and Cables See: Starting and ChargingBatteryService and RepairBattery and Battery Tray - Exploded View. Remove the Air Cleaner (ACL) outlet pipe. For additional information, refer to Intake Air Systems Components-Exploded View, 5.4L (4V) in Intake Air Distribution and Filtering See: Powertrain ManagementFuel Delivery and Air InductionIntake Air DuctDiagrams.
Remove the 2 LH cowl vent screen plastic rivets.

Lift the cowl screen and remove the ground strap bolt.
Detach the ground strap retainer from the cowl.

Disconnect the brake booster vacuum hose quick connect at the engine.
Install the Engine Lifting Bracket.

Remove the LH engine mount nut.

NOTICE: Lift engine approximately 45 mm (1.771 in) from the bottom of the engine mount to the bottom of the engine bracket ensuring that no contact is made with the bulk head or damage to components may occur.
Install the Engine Support Bar.

Using the Engine Lifting Bracket and Engine Support Bar, raise the LH side of the engine to gain clearance for removal of the LH steering gear mounting bolt.

With the vehicle in NEUTRAL, position it on a hoist. For additional information, refer to Jacking and Lifting See: Wheels and TiresVehicle LiftingService and Repair.
Remove the starter solenoid terminal cover.

Remove the 2 nuts and disconnect the 2 wires from the starter solenoid.

Position the wheels to gain access to the steering column shaft coupling-to-steering gear bolt.
NOTICE: Do not allow the steering column to rotate while the steering column shaft is disconnected from the steering gear or damage to the clockspring may occur. If there is evidence that the steering column has rotated, the clockspring must be removed and recentered. For additional information, refer to Supplemental Restraint System See: Restraints and Safety SystemsAir Bag SystemsClockspring Assembly / Spiral CableService and Repair.
Remove the steering column shaft coupling-to-steering gear bolt.

Discard the bolt.
NOTE: Use a steering wheel holding device (such as Hunter(R) 28-75-1 or equivalent).
Using a suitable holding device, hold the steering wheel in the straight-ahead position.

NOTE: The steering column shaft coupling will not be completely separated from the steering gear.
Slide the steering column shaft coupling upwards on the steering gear input shaft.

Remove the wheels and tires. For additional information, refer to Wheels and Tires See: Wheels and TiresService and RepairRemoval and Replacement.
Remove and discard the 2 tie-rod end nuts.
NOTICE: Do not use a hammer to separate the outer tie-rod end from the wheel knuckle or damage to the wheel knuckle may result.
Using the Ball Joint Separator, separate the tie-rod ends from the wheel knuckles.

Remove the 9 screws and the lower splash shield.

If equipped, loosen the 2 cross member brace nuts.
If equipped, remove the 6 cross member brace bolts and the cross member brace.
Vehicles with automatic transmission

Remove the 2 transmission cooler line bracket nuts and position tubes aside.
All vehicles

Remove the 4 rearward subframe crossmember brace nuts and crossmember brace.
NOTICE: The ignition must be off when disconnecting Electronic Power Assist Steering (EPAS) electrical connectors. Failure to follow this direction may lead to DTCs being set in the EPAS module that can not be cleared, and result in the need to install a new EPAS assembly.
Release the 2 red Connector Position Assurance (CPA) features and disconnect the 2 Electronic Power Assist Steering (EPAS) electrical connectors.

Detach the wiring harness pin-type retainers.

NOTE: If equipped with a 5.4L (4V) engine, it may be necessary to use a pry bar between the LH engine mount and engine bracket, pulling the engine forward slightly to remove LH steering gear bolt
Remove the 3 steering gear bolts and the steering gear.

Discard the bolts.

Installation

All vehicles

NOTICE: Do not allow the steering column to rotate while the steering column shaft is disconnected from the steering gear or damage to the clockspring may occur. If there is evidence that the steering column has rotated, the clockspring must be removed and recentered. For additional information, refer to Supplemental Restraint System See: Restraints and Safety SystemsAir Bag SystemsClockspring Assembly / Spiral CableService and Repair.
NOTE: Make sure the steering column coupling is aligned with the locator on the steering gear input shaft and the shaft is fully seated on the steering gear.

Position the steering gear, attach the steering column coupling and install the 3 steering gear bolts.

Tighten to 115 Nm (85 lb-ft).
NOTE: Make sure the Electronic Power Assist Steering (EPAS) electrical connectors are fully seated and the Connector Position Assurance (CPA) features are engaged.
Connect the 2 Electronic Power Assist Steering (EPAS) electrical connectors and secure the 2 red Connector Position Assurance (CPA) features.

Attach the wiring harness pin-type retainers.

Vehicles with automatic transmission

Position the transmission cooler tube brackets and install the 2 nuts.
Tighten the cooler tube bracket-to-transmission nut to 12 Nm (106 lb-in).
Tighten the cooler tube bracket-to-engine mount nut to 48 Nm (35 lb-in).
All vehicles

Position the rearward subframe crossmember brace and install the 4 nuts.
Tighten to 48 Nm (35 lb-ft).
If equipped, position the crossmember brace and install the 6 bolts.
Tighten to 48 Nm (35 lb-ft).
If equipped, tighten the 2 crossmember brace nuts to 48 Nm (35 lb-ft).
Position the lower splash shield and install the 9 screws.

Position the 2 tie-rod ends and install the 2 new tie-rod end nuts.
Tighten to 80 Nm (59 lb-ft).
Install the wheels and tires. For additional information, refer to Wheels and Tires See: Wheels and TiresService and RepairRemoval and Replacement.
Position the steering wheel approximately 120 degrees to the left to access to the steering column coupling bolt hole and install the steering column coupling-to-steering gear bolt.
Tighten to 25 Nm (18 lb-ft).
Connect the 2 wires and install the 2 nuts on the starter solenoid.
Tighten the B+ terminal to 12 Nm (106 lb-in).
Tighten the S-terminal to 5 Nm (44 lb-in).

Install the starter solenoid terminal cover.

Vehicles with 5.4L (4V) engine

NOTE: While lowering the engine, make sure that the engine bracket aligns to the engine mount stud bolt. If necessary, shift the engine slightly when lowering.
Using the Engine Lifting Bracket and Engine Support Bar, lower the LH side of the engine onto the engine mount.

Install the LH engine mount nut.
Tighten to 63 Nm (46 lb-ft).

Connect the brake booster vacuum hose quick connect.
Install the ground strap bolt and attach the retainer.
Tighten to 6 Nm (53 lb-in).

Install the 2 cowl vent screen plastic rivets.

Install the Air Cleaner (ACL) outlet pipe. For additional information, refer to Intake Air Systems Components-Exploded View, 5.4L (4V) in Intake Air Distribution and Filtering See: Powertrain ManagementFuel Delivery and Air InductionIntake Air DuctDiagrams.
Install the battery and battery tray. For additional information, refer to Battery, Mounting and Cables See: Starting and ChargingBatteryService and RepairBattery and Battery Tray - Exploded View.
All vehicles

Connect the battery ground cable. For additional information, refer to Battery, Mounting and Cables See: Starting and ChargingBatteryBattery CableService and Repair.
When installing a new steering gear, it must be configured (using vehicle as-built data or module configuration information retrieved earlier in this procedure). For additional information on configuration, refer to Programmable Module Installation (PMI) in Module Configuration See: Powertrain ManagementComputers and Control SystemsInformation BusTesting and InspectionProgramming and RelearningProgrammable Module Installation (PMI).


Please let us know what happens so it will help others.

Cheers, Ken
Sep 12, 2017 at 11:56 AM
Avatar
BECCA74
  • MEMBER
  • 6 POSTS
thank you Ken but I don't think your hearing my problem. The car will start like I said if you do what your directions said to do Turn the key if it doesn't start get out lock car with key Walk away 10 FT let lights go out unlock door with key get in and it will crank 9 times out of 10 the steering problem has only happened maybe 6 times But the Steering Wheel Never LOCKS what ever it is i think it has to do with the Security System
Oct 3, 2017 at 3:40 PM
Advertisement
Avatar
STRAILER
  • CERTIFIED EXPERT
  • 53,855 POSTS
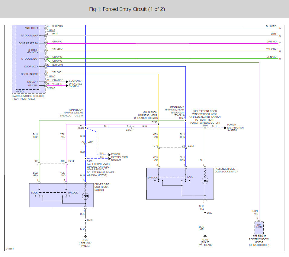
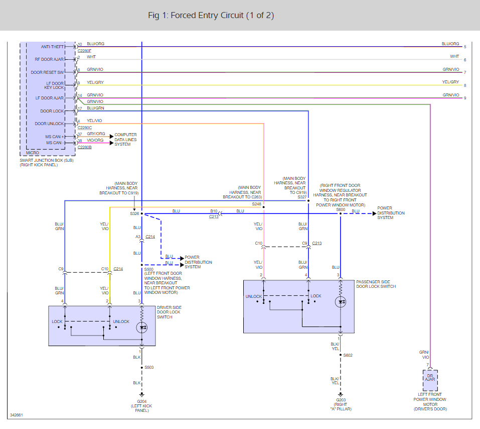
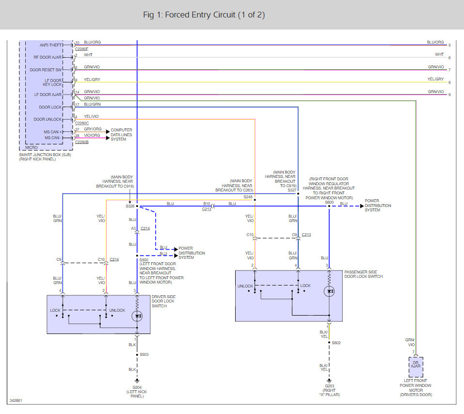
Okay I see, I don't know why they would tell you to sell the car the problem is something it not magic. There are two things I suspect the problem can be either the passive anti theft transceiver is out or the smart junction box is weak and needs to be replaced. Here are some diagrams of the system (below)

Normal Operation [ Pinpoint Test K: The Autolock Does Not Operate Correctly ]

The Smart Junction Box (SJB) energizes the lock relay based on input from the ajar switches, the ignition switch, the Transmission Range (TR) sensor and the vehicle speed signal. The SJB locks the doors when the following conditions are met:

All the doors are closed
The ignition switch is in the ON position
The vehicle is shifted into any gear putting the vehicle in motion
The vehicle attains a speed greater than 20 km/h (12 mph)
This pinpoint test is intended to diagnose the following:

Wiring, terminals or connectors
Programming
Door ajar switches
Vehicle speed signal input from the Instrument Panel Cluster (IPC)
SJB

and

Pinpoint Test A: The Alarm System Does Not Arm/Disarm From The Driver Door Lock Cylinder

Refer to SYSTEM WIRING DIAGRAMS article, Remote Keyless Entry and Alarm, for schematic and connector information.

NOTE: The intrusion and inclination protection features cannot be activated when locking the vehicle with the door lock cylinder. This allows raising the vehicle on a hoist, transporting or towing the vehicle, or when authorized motion inside the vehicle is likely.
Normal Operation

The Smart Junction Box (SJB) monitors the driver door lock through the set/reset switch (part of the driver door latch) and the set and reset input circuits. When a key in the door lock cylinder is turned to the lock position it grounds the set circuit signalling the SJB to arm the alarm. When a key in the door lock cylinder is turned to the unlock position it grounds the reset circuit signalling the SJB to disarm the alarm. The driver door latch has a dedicated ground circuit that is used for the door ajar and set/reset switches.

DTC B2100 (Door Driver Key Cylinder Switch Failure) - an on-demand that sets when the SJB detects a short to ground on the driver door lock cylinder set or reset input circuits.
This pinpoint test is intended to diagnose the following:

Wiring, terminals or connectors
Door disarm switch (part of the door latch)
SJB

A video of the problem would be great as well, you can upload it to the site here

We will get this fixed.
Oct 4, 2017 at 11:45 AM