Crank will not start

2001 AUDI S6
36,000 MILES • 4.2L • V8 • 4WD • AUTOMATIC
Avatar
SHOGCAR
  • MEMBER
  • 4 POSTS
No current on fuse 32/ 34 plug did not spark, no current on crankshaft sensor. also, no ground on crankshaft sensor.
Mar 11, 2018 at 1:35 PM
Advertisement
Avatar
STRAILER
  • CERTIFIED EXPERT
  • 53,854 POSTS
Hello,

It looks like you lost the ignition switch, but to confirm the issue follow this guide to test through the switch.

https://www.2carpros.com/articles/how-to-use-a-test-light-circuit-tester

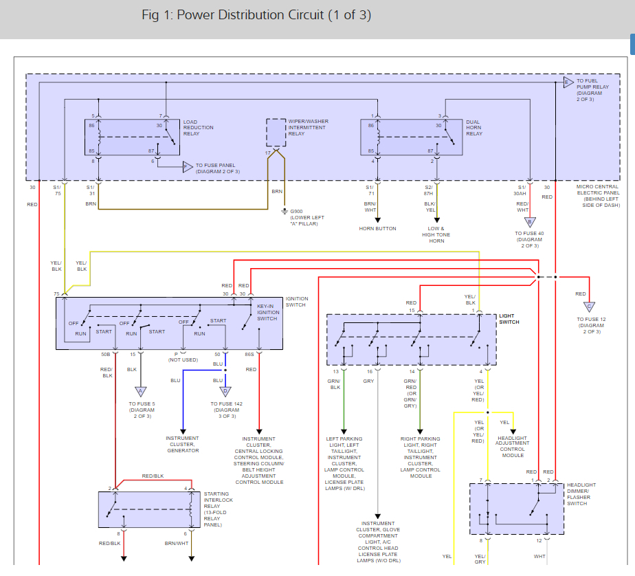
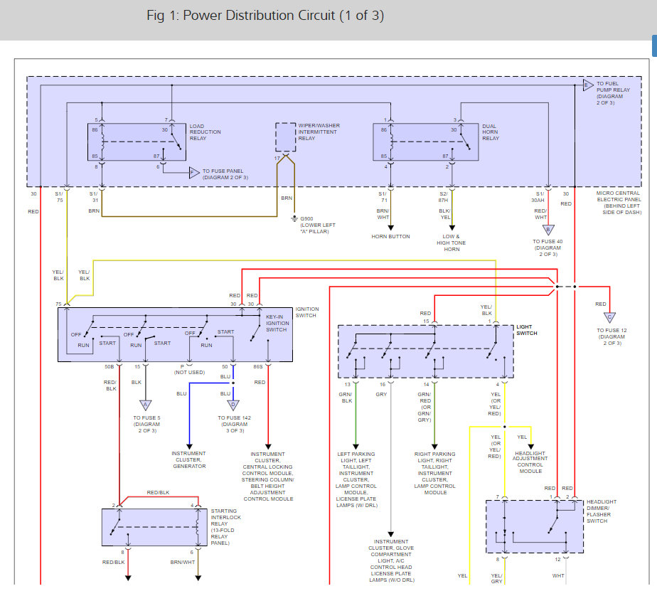
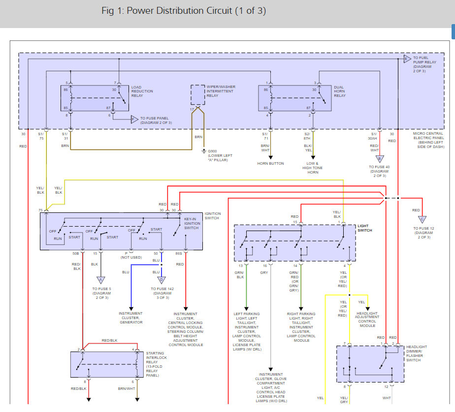
Here is the wiring diagrams so you can see how the system works and the ignition switch removal diagrams

Check out the diagrams (below).

Let us know what happens and please upload pictures or videos of the problem.

Cheers, Ken
Mar 13, 2018 at 11:15 AM