Crank shaft sensor location, code po335

2001 NISSAN PATHFINDER
200 MILES • 3.1L • 4 CYL • 2WD • AUTOMATIC
Avatar
LILBOT6969
  • MEMBER
  • 1 POST
Can't find the crankshaft position sensor on position sensor on this car. Code po335 was the code that popped up was the problem.
Dec 8, 2019 at 2:50 PM
Advertisement
Avatar
SCGRANTURISMO
  • CERTIFIED EXPERT
  • 4,897 POSTS
Hello,

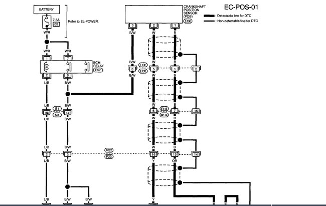
In the diagrams down below I have included a diagram with all of the OBDII sensor locations in your vehicle's engine bay. I have also included the diagnostic troubleshooting guide for your vehicle for Direct Trouble Code [DTC] P0335 for your vehicle from the manufacturer. Please go through this guide and get back to us with what you are able to find out.

Thanks,
Alex
2CarPros
Dec 8, 2019 at 5:31 PM