Crank shaft sensor

2012 DODGE AVENGER
89,000 MILES • 2.4L • 4 CYL • 2WD • AUTOMATIC
Avatar
ELIZABETHHOLMES
  • MEMBER
  • 1 POST
Crank shaft sensor code was give after my car failed to start and I have replace it twice now my car won’t start at all.
Dec 11, 2019 at 7:23 PM
Advertisement
Avatar
SCGRANTURISMO
  • CERTIFIED EXPERT
  • 4,897 POSTS
Hello,

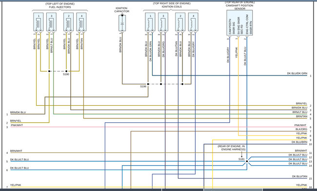
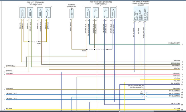
This could be a problem with your vehicle's Crankshaft Position Sensor [CKP] wiring, and not with the sensor itself. If the sensor is good and there is a problem with the wiring, the signal will not make it to the vehicle's Power-train Control Module [PCM], or "computer", and the PCM will set the DTC's that are set in your vehicle. In the diagrams down below I have included the Engine Management wiring diagrams for your vehicle which has the CKP circuit in it and guides on how to find an open in an automotive electrical circuit as well as a guide on how to find unwanted resistance in an automotive electrical circuit by way of Voltage Drop, the preferred method for doing this. You will need to use a Digital Multi-meter [DMM] to do this, so here is a link below explaining how to use one, below, if needed:

https://www.2carpros.com/articles/how-to-use-a-voltmeter

Please go through these guides and get back to us with what you are able to find out.

Thanks,
Alex
2CarPros
Dec 11, 2019 at 7:45 PM