Crank no start after power probe AC compressor

2007 HONDA FIT
200,000 MILES • 1.5L • 4 CYL • 2WD • MANUAL
Avatar
BENJAMINTHERERRIBLE
  • MEMBER
  • 58 POSTS
My AC compressor was not engaging, so in efforts to troubleshoot it, i went in to test it with a power probe. Fast forward about 20 minutes. I go to tart the car, and it cranks and cranks but won't start. Fuel pump is not priming.
I notice the immobilizer light is now blinking. On top of that, I plug into the obdII, and get 2 new codes:
U0107
P0606
I tested all the fuses and (i think) l the associated relays
Did I fry my ECU?
Aug 15, 2025 at 9:58 PM
Advertisement
Avatar
STRAILER
  • CERTIFIED EXPERT
  • 53,854 POSTS
Yep, it sounds like you put power down a ground trigger for the AC from the PCM. I would try a rebuilt unit from Flashmasters, you may have taking out the TACM but I would try the PCM first.

U0107 - Lost Communication with Throttle Actuator Control Module (TACM)
P0606 - PCM/ECM Processor Fault

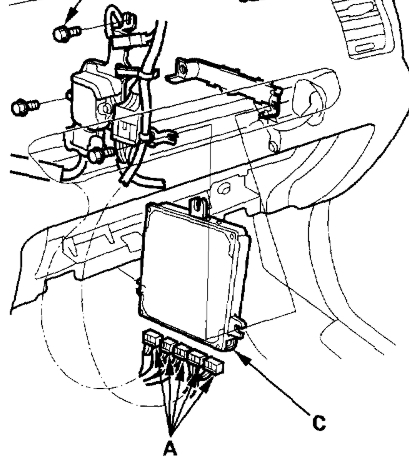
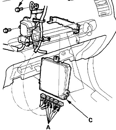
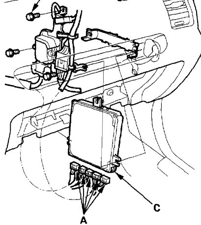
Here is the location of the PCM, have your VIN number ready. You will need to remove the glovebox. Check out the images (below). Let us know how it goes

Aug 16, 2025 at 7:39 PM