Hello DODGEDUMMY38,
Okay. I see. Can you send me a couple of photos of this wiring mess on the column? Let's see if we can get it wired back up correctly or at least something temporarily so you can get to work.
I have added an image of the ignition as well as the connector for the ignition. Let me know which wire has been messed with. I think it will be either yellow or pink.
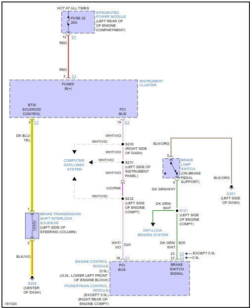
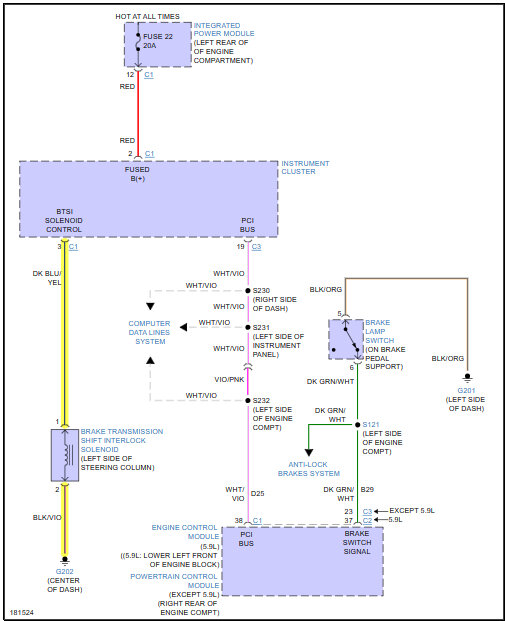
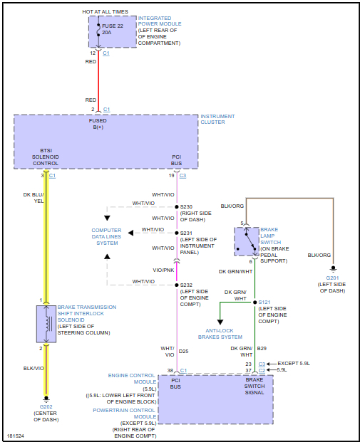
The ASD or Automatic Shutdown Relay is turned on and off by connecting ground at the PCM.
It will shut down the Ignition Coils and the Fuel Injectors. It is clicking because the PCM isn't seeing the right amount of voltage and is turning the ground on and off.
On a relay there is the control side and the load side. The ground to the PCM is used to turn an electro-magnet on to move a switch on the load side of the relay. A lot of times it is the ground itself that is corroded or broken in this particular situation. However, whatever was done to the wiring doesn't help either. Maybe this is what he was trying to fix. But we can figure it out later.
For now, let's see if we can get it running:
***To get the truck started we are going to try and bypass the control side of this circuit completely.
I am adding a few images of the ASD relay. On it you will notice it has numbers next to the terminals.
Remove yours and see if it has these numbers as well. If not compared to the one, I sent in the picture. Then use this to find the positions in the fuse box.
We need to use a fused jumper wire and some blade terminals; I will add an example for you.
Then we will plug in on end to terminal 87 and the other end to terminal 30.
This should bypass the relay.
Caution: Be very careful with this as it is possible to start a fire, but it should get it to run. Keep a close eye on it, make sure it isn't getting hot or touching anything else.
Remove this wire when the vehicle is not in use.
Use 12-gauge wire and a 30-amp fuse. You can also get a jumper with a fuse holder in it. This is the best way in my opinion to protect the rest of the fuse box from damage.
Shopping list or materials on hand you need:
0)-Crimp tool
1)-Female insulated blade terminals
2)-30-amp fuse because seems to be a 30-amp circuit to power the coils and injectors. Get a pack of 5 if you can.
3)-Male blade terminals
4)-12-gauge wire
5)-Multimeter- We will need this to check for power and ground this weekend.
6)-12-gauge jumper with fuse holder-You can use these in place of the set-up mentioned above but you will need to make sure it is 12-gauge wire, use the same 30-amp fuse, and use the same male blade terminals. These are watertight and require less connections.
However, sometimes number 6, mentioned above is not readily available as the previous options.
I have numbered the images to match the list.
Your local auto parts store should have all of this.
I have added images of everything you need to get.
Now I am on the east coast, it seems like you are on the west coast. However, I will stay up most of the night working with you to get this running for tomorrow so you can get to work and then we will do more troubleshooting this weekend.
Please get right back to me so we can work on this today/tonight and see if we can get it running for you.
Please let me know if you have any questions at all.
Thank you,
Brendon
Images (Click to enlarge)
Aug 3, 2023 at 9:41 AM