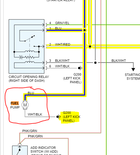
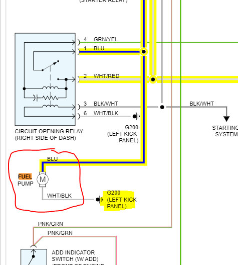
I drove 5 miles on a very rough compacted bumpy gravel road that rattled the organs inside my body enough to make me feel like it was doing damage to my older truck, and then it shut off halfway into the 5-mile road. Eventually it started up after banging the gas take area, but it kept shutting off and we ended up coasting 20 miles home, that part was “Awesome”! After that, replaced the fuel filter and it started right up and 2 miles down it shut off on a bridge i coasted and stopped a while it started up and got me up the street, I had to park it and take a bus home. I had it towed to a shop and they replaced the fuel pump and I never thought it is the pump but they called me and said it’s ready to go pick it up and I got there and the mechanic was being towed in with my truck because it stopped working and he couldn’t get it started while he was test driving it. It has not been on the road for two years now. Please help me. I got this truck so I can get my aging disabling Sheppard around and I am desperately needing it now more than ever. I recently tried to start it and it turns over but dies immediately. Oh, and there is no fuel pressure. I think it’s always been a ground wiring issue but what do I know?
Jun 8, 2023 at 1:44 PM

