Crank no start

1987 GMC TRUCK
139,000 MILES • 5.7L • 6 CYL • 4WD • MANUAL
Avatar
  • MEMBER
  • 5 POSTS
Parked my vehicle. Came out the next morning and it will crank and not start. Poured fuel in carburetor. No start. Checked for spark. No spark. Changed the coil, ignition module, rotor, and distributor cap. Crank but no start. Help. Also checked battery, grounds, and fuses. Nothing wrong there. Ideas?
May 18, 2018 at 2:27 PM
Advertisement
Avatar
JACOBANDNICKOLAS
  • CERTIFIED EXPERT
  • 110,175 POSTS
Hi and thanks for using 2CarPros.com. It sound like a crank signal issue. This signal is used to inform the ECM that the engine is cranking. The ECM uses this information to tell when the engine is in the cranking mode. If there is a failure, you will not get spark.

Here are the directions for diagnosing the problem. I have attached pictures below the pertain to these directions.



CHART C-1B - CRANK SIGNAL DIAGNOSIS

CCircuit Description :
Crank signal is a 12 volts signal to the ECM during cranking to allow enrichment and cancel diagnostics until engine is running or 12 volts is no longer on circuit.

Test Description : Numbers below refer to circled numbers on the diagnostic chart.
Checks for normal (cranking) voltage to terminal "C9" of ECM. Test light should be "ON" during cranking and then go "OFF" when engine is running.
Checks to determine if source of or fuse link was a faulty ECM.

You will need to have a test light. Here is a general video on using one:

https://youtu.be/Hlna_kUt7As


I hope this helps. Let me know what you find.

Take care,
Joe
May 18, 2018 at 10:02 PM
Avatar
  • MEMBER
  • 5 POSTS
Two things! Where is the fuse or fuse link located? Is the crank sensor under the starter or what?
May 20, 2018 at 12:01 PM
Advertisement
Avatar
STRAILER
  • CERTIFIED EXPERT
  • 53,854 POSTS
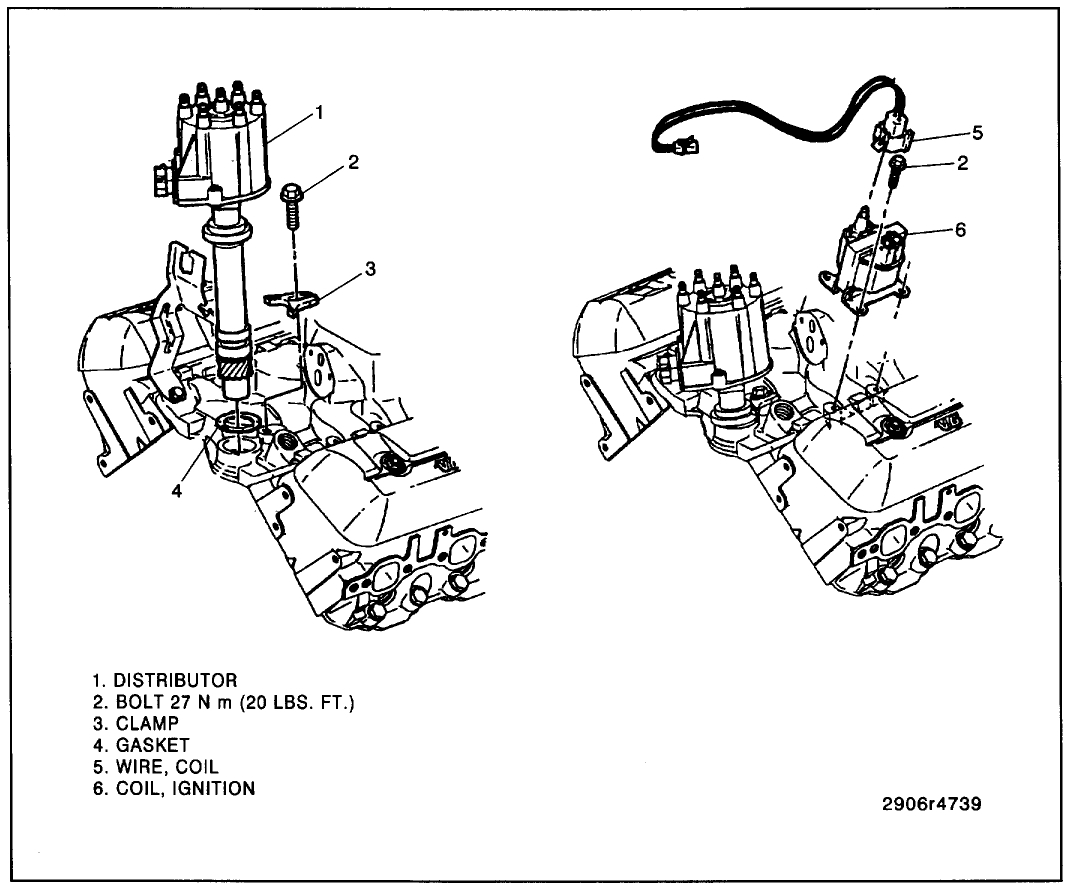
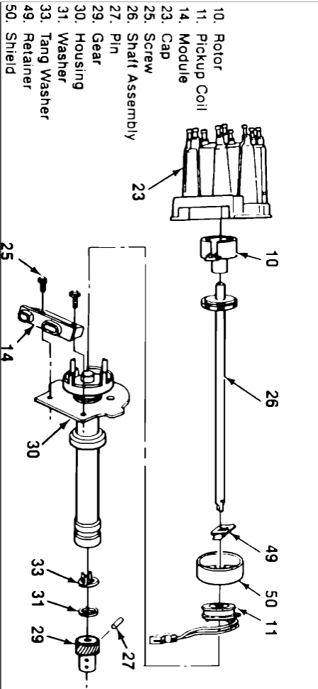
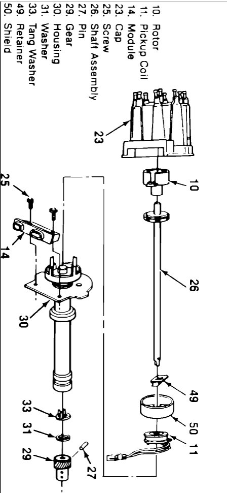
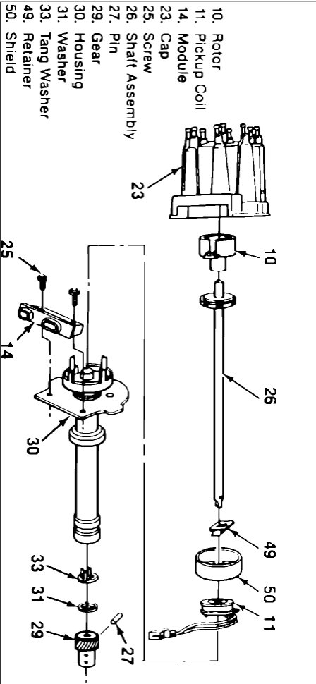
There is no crankshaft sensor it is all in the distributor. See if the pink wire is getting power with the key on. Also, did you replace the pick up coil? Here is a diagrams of what you need to do to change the pick up coil.

May 22, 2018 at 2:40 PM
Avatar
  • MEMBER
  • 5 POSTS
I did replace the pick up coil! Still need to have the location of the fuse. Checked the fuse block. All good! Is there a fuse in the engine compartment?
May 23, 2018 at 8:23 AM
Avatar
STRAILER
  • CERTIFIED EXPERT
  • 53,854 POSTS
See if the ground near the coil is on and tight #9. Also see if you have power at the pink and black wire with the key on. Here is a guide:

https://www.2carpros.com/articles/how-to-use-a-test-light-circuit-tester

Check out the diagrams (below). Please let us know what you find.

Cheers, Ken
May 23, 2018 at 10:54 AM