I got a crank no start for several days with no real indication of why?

2002 FORD F-150
590,000 MILES • 5.4L • V8 • 4WD • AUTOMATIC
Avatar
PETEY321
  • MEMBER
  • 23 POSTS
Recently started by changing water pump and fan clutch assy. While in that, my attention was drawn to throttle body. Decided to clean it.
During that process one of three PCV connections (not 1 going behind IAC) was blocked completely. Replaced entire t. body assy. with one pulled from salvage yard. Long story short, after T.b. swap I got a crank no start for several days with no real indication of why it finally began starting. A month or so later, I got an idea about where a coolant leak that mainly showed by not holding a vacuum on coolant system. That being the intake manifold plenum on the coolant passage. Back to the salvage yard for an intake manifold. Replaced it, all COP’s, spark plugs, gaskets etc. That was 4-5 weeks ago and ever since it’s Crank/no start. I’ve done lots of testing, bought many tools. This is what I know-no spark at all, only 1 initial pulse on f. injectors (all 8) when cranking. Fuel pump works. Replaced CKP with no change. I feel like it’s an electrical issue in the CKP circuit. Can anyone tell me what voltage should be produced at harness connector. Also, CKP sensor wires (2) on my sensor, are shielded). How does this impact typical circuit tests?

Tests so far:
*Spark (none).
*Fuel injectors-1 pulse only on noid light when engine is cranking.
*COPs-battery voltage present on all.
*CKP-with v. meter (-) test ld.on(-) battery post and checking both wires at harness connector with (+) test ld. I got 1.54v on each terminal in conn. With(+) test ld. on battery (*) and probing CKP connector at harness w (-) test ld. I got 9.78 @both terminals. Battery at this time was at 11.48v
*Battery-checked for voltage on ground as. (None found).
*TPS- checked (+)signal wire and (-) gd. wire with closed throttle got .9v. Voltage increased smoothly as throttle slowly opened to 4.01v. Next checked ref wire by probing it w (+) ld. and probing grd. With (-) ld. Reading- 0.4v.

Only other thing i can think to mention is that the CKP&CMP are both 2 wire sensors and both gave shielded wires.

Any help would be appreciated
Mar 15, 2021 at 9:49 AM
Advertisement
Avatar
STRAILER
  • CERTIFIED EXPERT
  • 53,854 POSTS
Did the engine run before you started the repairs? IF you have pinched a wire the computer will shut down. When you turn the key to the on position without cranking the engine over can you hear the fuel pump run in the tank for 5 seconds? We should run the codes to see what comes up these guides will help us get started on fixing the problem.

https://www.2carpros.com/articles/checking-a-service-engine-soon-or-check-engine-light-on-or-flashing

and

https://www.2carpros.com/articles/car-cranks-but-wont-start

Please run down these guides and report back.
Mar 17, 2021 at 10:02 AM
Avatar
PETEY321
  • MEMBER
  • 23 POSTS
This is my third attempt to reply. Both previous attempts disappeared when my screen rotated. SMH...

Thanks for your reply. Truck was running before repairs, for about a month. Before this repair, I started it off by replacing water pump and fan clutch. While doing that I noticed one of the three vacuum lines that come from PCV valve assy. was completely blocked at throttle body three prong “tree”. I replaced throttle body with salvage yard part. Also IAC valve, and various vacuum hoses. After completing, truck crank/no started. Troubleshot various things over the next several evenings. Last thing I did was reset PCM by removing (-) battery cable and then jumped (-) cable to (+) battery post for 10 minutes. Still wouldn’t start.
2 days later, after rain moved out, I was scratching my head trying to decide what to do next, I turned the key while asking myself why, and it start right up and continued to run fine until this repair.

Fuel pump cycles on and I’ve hooked up pressure gauge and get 35-40lbs at the rail that holds fairly well.
Whatever codes that may have existed are long gone due to disconnecting the battery for testing/recharging.

Answer this for me if possible...what should I see when testing for voltage at the CKP, battery voltage (12ish)? or 5v ref? Or something else. 2 wire sensor. Also I did some relay testing and tested the corresponding sockets in the power dist. box. The results trigger a sense that I’m sniffing in the right place but I’m not savvy enough to bring it into focus. That wire connecting the PCM and CKP is shielded. I haven’t been able determine if that’s significant and if so, how?
Mar 17, 2021 at 10:02 PM
Advertisement
Avatar
JACOBANDNICKOLAS
  • CERTIFIED EXPERT
  • 110,175 POSTS
Hi,

I noticed it has been a couple of days since you were contacted. Have you made any progress? If you still are dealing with a no spark issue, I need you to follow the directions in the pictures below. They will explain how to check the CKP, CKP circuit, and PCM.

If you are getting spark, let us know.

Take care,
Joe

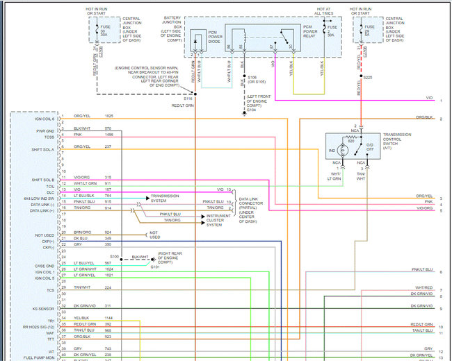
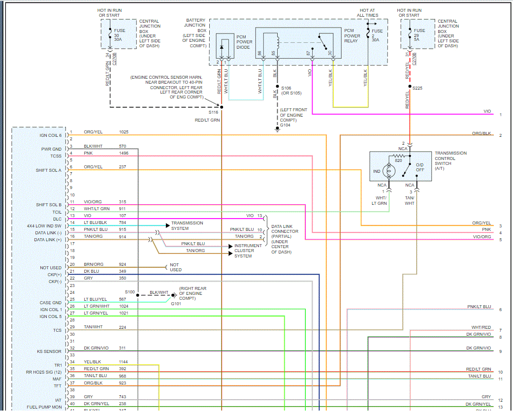
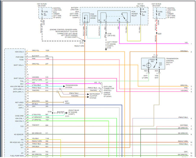
PS: Pics below include the diagnostic flow chart for the CKP. I also added the entire powertrain management wiring schematic for reference. I had to cut each pic in half to make them readable, but I did overlap them so you can follow them easier.

Mar 20, 2021 at 10:20 PM
Avatar
PETEY321
  • MEMBER
  • 23 POSTS
Thanks for your reply. Much appreciated . Here is how it “flowed”:
JD1- .2 ohms each wire
JD2- 1.56v
JD3- 1.56v
JD10 - with PCM harness disconnected, I got no voltage and engine barely turned over, (I removed battery for ease of access and connected it for testing with jumper cables. They got pretty warm pretty fast set up this way). Would this affect results?

Not sure how to inspect the crankshaft. Do I have to remove the timing chain cover?

Thanks again
Mar 21, 2021 at 8:44 PM
Avatar
PETEY321
  • MEMBER
  • 23 POSTS
And still no spark.
Mar 22, 2021 at 8:44 AM
Avatar
JACOBANDNICKOLAS
  • CERTIFIED EXPERT
  • 110,175 POSTS
Anytime you add length to a wire (jumper cables), it creates more resistance. That's why they got hot. If there is enough resistance, it can affect results. Did you make it through the entire test? The readings you indicated are good.

Let me know.

Joe
Mar 22, 2021 at 6:07 PM
Avatar
PETEY321
  • MEMBER
  • 23 POSTS
At JD10, testing as indicated, truck would barely turn over and I saw no voltage. Truck cranks more aggressively with PCM harness connected . Cont’d with JD12.

JD12- 297 ohms
JD16- sensor is brand new and not sure how exactly to inspect the wheel without removing the timing chain cover?
Is there a way?
Mar 22, 2021 at 7:56 PM
Avatar
JACOBANDNICKOLAS
  • CERTIFIED EXPERT
  • 110,175 POSTS
Hi,

The cover needs to be removed. If you plan to do it, I attached the directions below in the pics. These directions are specific to your vehicle.

I hope this helps. Let me know if you have other questions.

Take care,
Joe

See pics below.
Mar 22, 2021 at 8:55 PM
Avatar
PETEY321
  • MEMBER
  • 23 POSTS
Thanks for the information. I haven’t posted again before now as I took a few days off from messing with my truck for my sanity’s sake. I also have not tackled getting into the timing chain cover yet.
However I have collected some more test results that are less labor intensive that maybe will ring a bell with someone.

After doing the CKP flowchart diagnostic you attached. I moved on to test the MAF. While trying to probe the pins in the round connector near the coolant reservoir, I inadvertently touched one of the other pins in there. Immediately the PCM relay AND the IAC valve began to chatter incessantly. I had to turn key off to stop chatter. Turning KOEO again, relay was quiet but IAC still chattering. Turned key off again for 3-4 minutes and then back to KOEO and no more chatter from IAC.

Second- checked cylinders for compression by removing all COPS and spark plugs, securing throttle body @ WOT, and testing each cylinder 2x dry and again 2x wet (3 squirts of oil from a small can in each spark plug hole), with the following results
Dry- cylinder 1.- 120 lbs
2 - 105 lbs
3 - 120 lbs
4 - 30 lbs
5 - 120 lbs
6 - 60 lbs
7 - 130 lbs
8 - 125 lbs
(Cylinder 4- spark plug was wet with gas when removed.)

Wet -cylinder 1- 145 lbs
2- 90 lbs
3- 145 lbs. *
4- 50 lbs
5- 150 lbs
6- 130 lbs
7- 165 lbs *
8- 150 lbs
* = truck seemed to want to try and start while testing (wet) cylinders 3 and 7. This doesn’t “compute” in my head as COPS and spark plugs were removed at this time.
After reinstalling plugs and COPS, truck cranks with a “better” sound (more normal) but still no start.




Mar 30, 2021 at 9:37 PM
Avatar
JACOBANDNICKOLAS
  • CERTIFIED EXPERT
  • 110,175 POSTS
Hi,

I've never seen compression go down with a wet test (cylinder 2). However, compression is all over the place. With it as low as it is, chances are that is causing the no start.

Do me a favor. Record it cranking and upload it for me to hear. Between Ken and I, we should be able to tell if it is a compression issue.

Joe
Mar 31, 2021 at 5:31 PM
Avatar
PETEY321
  • MEMBER
  • 23 POSTS
Okay, I’ll try to spend some time with it tomorrow. My attention was diverted by a leaking freeze plug in my other vehicle, (2008 Dodge Grand Caravan). Plug was between engine and transmission and was a pain in the rear to fix. Amazing the time and effort spent repairing an $0.89 part! Probably did me some good to have a “win” so to speak, as the truck has been kicking my butt so far this time around,. I will be posting the audio you’ve asked for ASAP.
Apr 16, 2021 at 8:57 PM
Avatar
JACOBANDNICKOLAS
  • CERTIFIED EXPERT
  • 110,175 POSTS
Hi,

Honestly, why do they need to put a freeze plug there. Ugh!!! Nothing can ever be simple. LOL

Regardless, l will watch for your reply and video.

Take care,

Joe
Apr 16, 2021 at 11:19 PM
Avatar
PETEY321
  • MEMBER
  • 23 POSTS
Guess I told a fib, I won’t be posting audio of engine cranking. I had read a post that didn’t seem likely but I figured I’d try it as it was quick and easy. fired right up! Here is the post I found.
Apr 20, 2021 at 11:49 AM
Avatar
JACOBANDNICKOLAS
  • CERTIFIED EXPERT
  • 110,175 POSTS
Hi,

That was a good find. I'm glad to hear it is fixed. Please feel free to come back in the future if you have questions.

Take care and thanks for the information. I'm sure it will help others.

Joe
Apr 20, 2021 at 6:58 PM