if when you turn the key and the engine does not crank then we are going to have to start with this guide:
https://www.2carpros.com/articles/starter-not-working-repair
This could be as simple as a battery issue so we should have that load tested using this guide:
https://www.2carpros.com/articles/car-battery-load-test
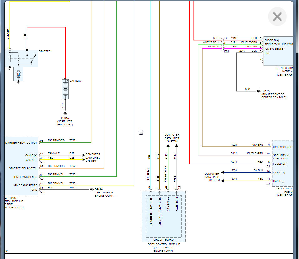
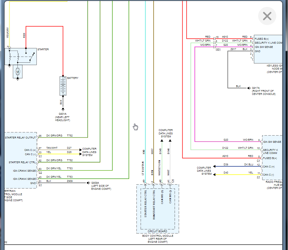
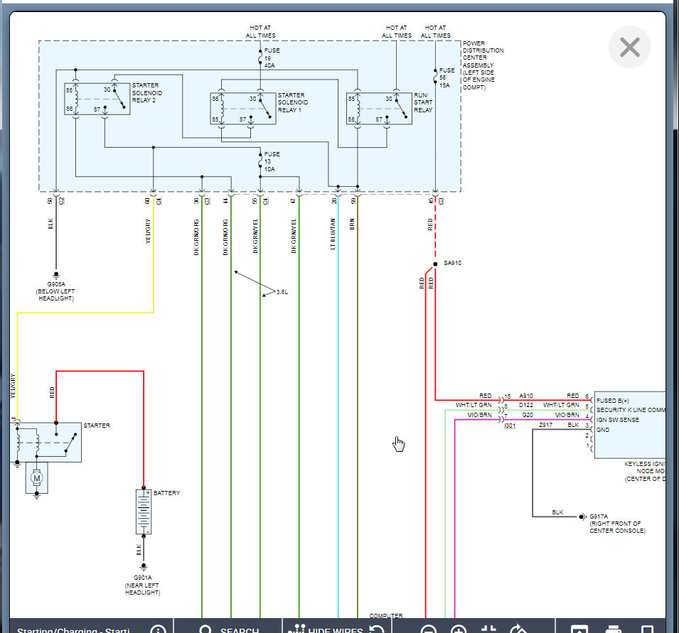
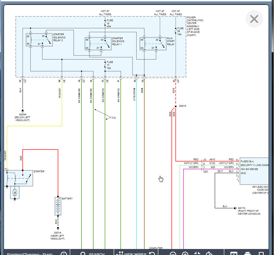
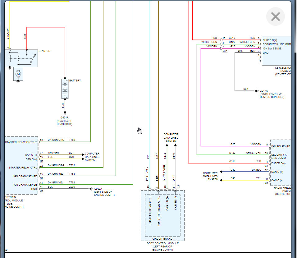
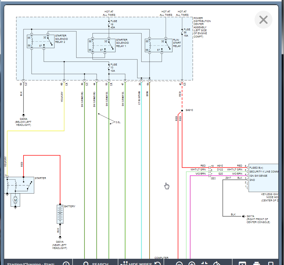
Below is the wiring diagram for the starter and we should check voltage at the starter. There should be 12 volts on both wires at the starter when cranking the engine.
https://www.2carpros.com/articles/how-to-check-wiring
Also, if there is a relay clicking can you try to touch them and see which one it is? A clicking relay is normally a failed relay so let's start with all this.
Let us know what you find with all this info and we can go from there. Thanks
Images (Click to enlarge)
Jun 3, 2021 at 5:42 PM