Crank but no spark no run

1990 CHRYSLER NEW YORKER
167,000 MILES • 3.3L • FWD • AUTOMATIC
Avatar
STEVEM57
  • MEMBER
  • 18 POSTS
After a total engine rebuild I found the timing was off, I corrected it. It would back fire. I rechecked the timing again. I changed it 180. Now it cranks but "has lost spark. Both cam and crank sensors have been replaced, as well as the engine computer "new" and a new coil pack. All of the wires have been checked for breaks or opens, all good. I replaced the fuel relay which also is the ASD relay. At this point it cranks but still has no spark.
After finding an article saying it is in "theft mode". It said to lock the doors then unlock with key and try. It tried to fire on one cylinder. Retried, Did a little more then nothing. It also said if I changed the engine computer it is a must that I change the body computer too "or" one will teach the other and think it has an anti-theft system which it do not have. I have not found the body computer as of yet. The Haynes book is no help.
It is getting good fuel and when I removed the plugs there was evidence that plugs have fired, but not all the time. This car is notorious for flooding, so I pulled plugs and wait before trying again. It has not tried to fire in the last dozen times tried.
The last suggestion was to check for a blockage in the return fuel line, have not got that far as of yet.
Even Chrysler has been no help. They do not even know where some of the parts are located.
s/n: 1C3XY66R6LD854220
1990 Chrysler New Yorker Fifth ave. Mark Cross Edition, 3.3L
4 wheel disk ABS
The suspension is automatic self leveling although the pump is out.
The car ran fine before an over heating problem that caused me to rebuild.
Apr 22, 2016 at 5:31 AM
Advertisement
Avatar
STRAILER
  • CERTIFIED EXPERT
  • 53,855 POSTS
Hey STEVEM57,

Lets start from the beginning, does the engine have compression?

Use this guide to check it out

https://www.2carpros.com/articles/how-to-test-engine-compression

Please let me know so we can continue
Apr 22, 2016 at 8:20 PM
Avatar
STEVEM57
  • MEMBER
  • 18 POSTS
Yes, 4cyl@ 150 , 2cyl@170
Apr 23, 2016 at 4:55 AM
Advertisement
Avatar
MHPAUTOS
  • CERTIFIED EXPERT
  • 31,937 POSTS
With what you said about the valve timing being out so far and now it back fires, i would be doing a leak down test just to prove there is no valve damage, the two cylinders at 150 ring a few alarm bells, best to prove the point one way or the other, never assume something is ok, make sure first.
Apr 23, 2016 at 5:22 AM
Avatar
STEVEM57
  • MEMBER
  • 18 POSTS
Okay, both heads have been milled. The back head has all new valves, rocker arms and shaft for the rebuild. After the over heating problem and before the rebuild it ran great, but then I found an oil problem on Cam bearing #3. That is when all of the parts were added. All bearings, cam, crank have been installed. It all went together great all specs right on. It has a solid rocker arms so no adjustment. Also new timing chain and gears.
Right now it is not back firing, It tries just a little to fire, but not all the time as it will flood.
Apr 23, 2016 at 6:12 AM
Avatar
STEVEM57
  • MEMBER
  • 18 POSTS
The leak down test shows blow by to the crank case.. Rings have not seated as it has never run yet
Apr 23, 2016 at 6:53 AM
Avatar
MHPAUTOS
  • CERTIFIED EXPERT
  • 31,937 POSTS
Can you get the CVa checked, you can get hand held paddle that read the voltages when placed on leads or coils, it would be good to know what the ignition voltage is at this time.
Apr 23, 2016 at 5:19 PM
Avatar
STEVEM57
  • MEMBER
  • 18 POSTS
I am unfamiliar with that term, "CVa".
Apr 24, 2016 at 3:02 AM
Avatar
MHPAUTOS
  • CERTIFIED EXPERT
  • 31,937 POSTS
spark voltage
Apr 24, 2016 at 4:18 AM
Avatar
STEVEM57
  • MEMBER
  • 18 POSTS
Okay, When I turn on Key, I get 12v input on coil for about 2 seconds, then no voltage. A spark tester shows no spark on any plug while cranking. Of course I cannot check all six at the same time. Plugs do show they have fired at one point.
Apr 24, 2016 at 5:09 AM
Avatar
STRAILER
  • CERTIFIED EXPERT
  • 53,855 POSTS
Is the security light flashing when you try and start the car?
Apr 24, 2016 at 7:44 AM
Avatar
STEVEM57
  • MEMBER
  • 18 POSTS
Also I just found out that when I crank the motor the 12v on the coil pulses on/off.
Apr 24, 2016 at 7:57 AM
Avatar
STEVEM57
  • MEMBER
  • 18 POSTS
There is no security light. It does not have an anti-theft system per Chrysler.
Apr 24, 2016 at 7:59 AM
Avatar
STRAILER
  • CERTIFIED EXPERT
  • 53,855 POSTS
Can you disconnect the alternator wiring and try to start the car, I am thinking the alternator is putting out AC voltage which can be messing up the electrical system.
Apr 24, 2016 at 8:35 AM
Avatar
STEVEM57
  • MEMBER
  • 18 POSTS
Disconnecting the Alternator did not help, no change. And I let it sit overnight so it would not be flooded. Again, when I cranked the engine the 12v on the coil pack, "+B" pulses on/off. Should it do that?
Apr 25, 2016 at 6:47 AM
Avatar
STRAILER
  • CERTIFIED EXPERT
  • 53,855 POSTS
No it should not, are you sure its pulsing or is this just voltage fluctuation from the battery being low? Do you have all the engine grounds hooked up? I would double check those.
Apr 25, 2016 at 7:47 AM
Avatar
STEVEM57
  • MEMBER
  • 18 POSTS
The Battery is up. Yes, with the test light in line as I crank it pluses on/off, on/off and so on.
Apr 25, 2016 at 7:59 AM
Avatar
STEVEM57
  • MEMBER
  • 18 POSTS
I rechecked all the grounds and tested them..good.
Apr 25, 2016 at 9:16 AM
Avatar
STRAILER
  • CERTIFIED EXPERT
  • 53,855 POSTS
Lets try a different approach, unplug all of the injectors and crank the engine over, this will clear the cylinders out, next use a volt meter to test the ohms , I'm thinking one of the injectors is shorted causing the computer to full dump fuel.
Apr 25, 2016 at 9:25 AM
Avatar
STEVEM57
  • MEMBER
  • 18 POSTS
ON my way. this will take some time as the air plenum will have to come off to get to the back side
I'll also look for a connector to see if I can take them out of the loop easier.
Apr 25, 2016 at 9:29 AM
Avatar
STEVEM57
  • MEMBER
  • 18 POSTS
Injectors are not shorted and all test between 2.8 and 3.0 ohms.
Apr 26, 2016 at 5:26 AM
Avatar
STRAILER
  • CERTIFIED EXPERT
  • 53,855 POSTS
Lets try disconnecting all 02 sensors, if the internal element has shorted to the heater circuit it will cause this problem as well.
Apr 26, 2016 at 6:24 AM
Avatar
STEVEM57
  • MEMBER
  • 18 POSTS
No Change
Apr 26, 2016 at 6:35 AM
Avatar
STRAILER
  • CERTIFIED EXPERT
  • 53,855 POSTS
If none of these things has helped I say the next step would be to try another computer it must have gotten shorted somehow and needs replacement.
Apr 26, 2016 at 8:27 AM
Avatar
STEVEM57
  • MEMBER
  • 18 POSTS
OK, I'll get it ordered and I think per my original Q I'm going to get the body computer too and go from there..Thanks for now.
Apr 26, 2016 at 8:39 AM
Avatar
STEVEM57
  • MEMBER
  • 18 POSTS
Ok. The new engine computer is on. Still no spark. I unplugged the 02 sensor and it popped only once. The fuel is a year old now so I have to drain it "but" with a spark tester in line there is no spark on any plug...
New question.. "IF" the flywheel is on wrong "or" has been damaged as in a dent in the crank sensor ring.. (would this cause it not to spark)?
Jul 26, 2016 at 10:19 AM
Avatar
STRAILER
  • CERTIFIED EXPERT
  • 53,855 POSTS
Hey Steve,

Yes this would be a problem. Lets use a voltmeter set on millivolts and test the sensor while the engine is cranking over to see if you can get any voltage out of it.

Also have you tried the auto shutdown relay, they had big problems with thoses.

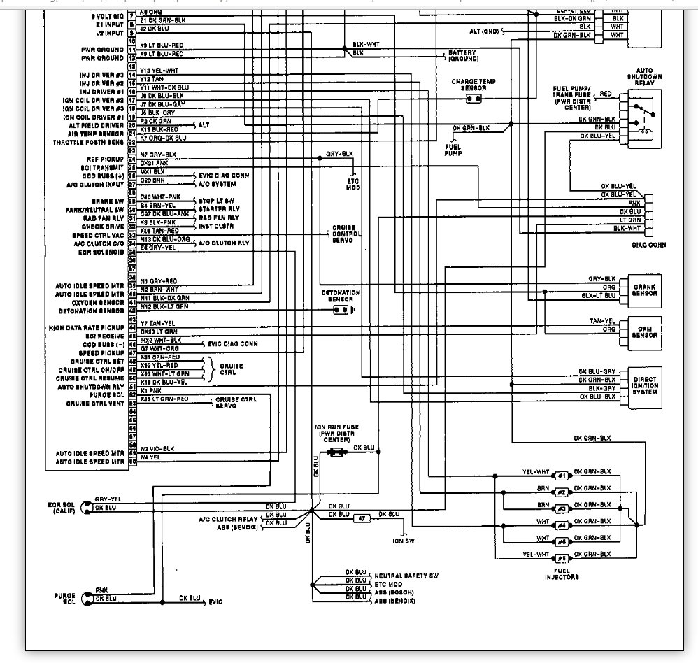
Here is a wiring guide to help out.

Sorry for the delay, the post must have fallen through the cracks. :(

Let me know if you got the problem fixed

Best, ken
Dec 20, 2016 at 10:03 PM