Engine is bucking like a bronco and stalling

2003 KIA SPECTRA
100,000 MILES • 1.8L • 4 CYL • 2WD • MANUAL
Avatar
HAMEX
  • MEMBER
  • 9 POSTS
The ignition fuse blew also. Is this a crank shaft position sensor or a cam shaft position sensor or both? Should I bite the bullet and change both?
Nov 26, 2019 at 6:02 AM
Advertisement
Avatar
SCGRANTURISMO
  • CERTIFIED EXPERT
  • 4,897 POSTS
Hello,

I don't think your problem is going to be with the Crankshaft Position Sensor [CKP] or the Camshaft Position Sensor [CMP]. If either of these had failed, your vehicle simply wouldn't run or start. Which IGN fuse blew, IGN1 or IGN2?

Thanks,
Alex
2CarPros
Nov 26, 2019 at 6:49 AM
Avatar
HAMEX
  • MEMBER
  • 9 POSTS
It was the 15 amp ignition coil fuse. I changed the coils wires and plugs.
Nov 27, 2019 at 12:28 PM
Advertisement
Avatar
HAMEX
  • MEMBER
  • 9 POSTS
I changed the fuse. It held. I tried to drive the car to the parts store to get the analyzer on it and pull the code and see what is going on. The car died again when I got around the corner and it won't start. I thought it was the fuse again but all the buses fuses are good. I have continuity through each one. What am I missing?
Nov 27, 2019 at 1:22 PM
Avatar
SCGRANTURISMO
  • CERTIFIED EXPERT
  • 4,897 POSTS
Hello again,

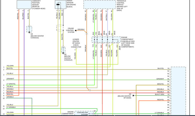
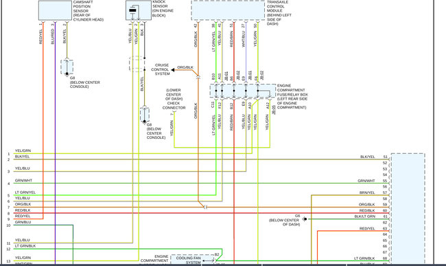
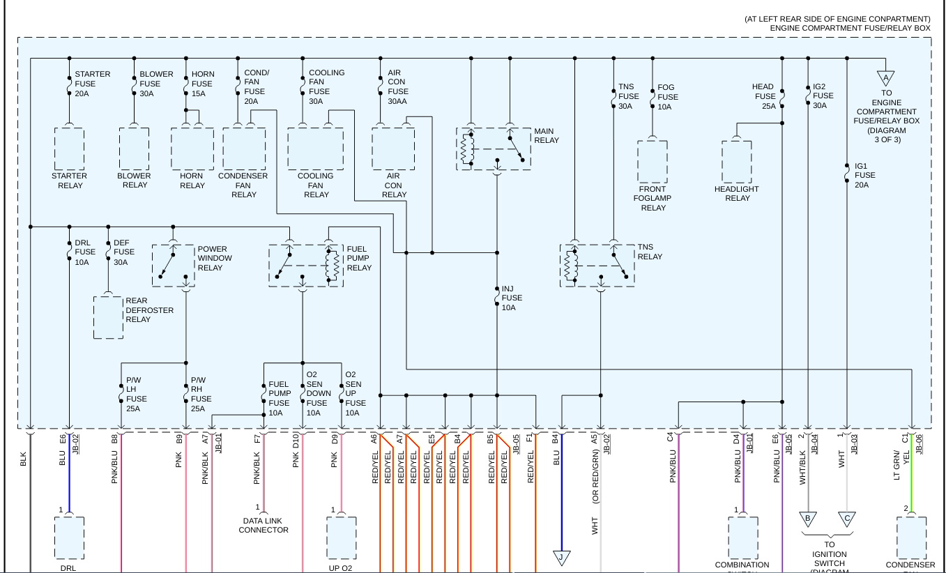
Okay, so the reason that your vehicles 15 Amp Ignition Fuse blew was because you have an intermittent short to ground in the circuit[s] that it is protecting. This happens because of Ohm's Law, the law that govern the electricity in your vehicle. Ohm's law states that one of the three properties is constant[Voltage-Automotive voltage is a constant[battery voltage]] and one of the other two goes down[Resistance-with a short to ground the resistance goes to zero as the currant/amperage has a direct path to the battery negative terminal], than the last property[Amperage/Current goes to the battery Amperage rating] must go up proportionally. The Amps exceed the fuses amperage rating, and "POP", the fuse blows, just as it was intended to, saving the component or an electrical fire, or both. In the diagrams down below I have included your vehicle's engine management wiring diagrams as well as a guide on how to find short to grounds in an automotive electrical circuit. You will need to use a Digital Multi-meter[DMM] to do this, so here is a link to a guide explaining how to do it, if needed, below:

https://www.2carpros.com/articles/how-to-use-a-voltmeter

Please go through these guides and get back to us with what you find out.

P.S. I have also highlighted the wires in this circuit for you, and you may want to start with the radio interference capacitors.

Thanks,
Alex
2CarPros
Nov 27, 2019 at 3:56 PM
Avatar
HAMEX
  • MEMBER
  • 9 POSTS
Thank you. I bought an analyzer and pulled the code from the PCU. The code is a random misfire. The misfiring started with the old ignition coils and plugs. I did change the coils and plugs. I assume the firing order is correct because the wires are made to length. My friend asked me if I bought the correct plugs. I have to assume so, the guy at the parts counter is pretty good about that. If the gap is off by a touch, could that cause a problem like that?
Nov 28, 2019 at 4:47 AM
Avatar
SCGRANTURISMO
  • CERTIFIED EXPERT
  • 4,897 POSTS
Hello,

Yes it might, but I would double check the firing order. I have included a diagram of the firing order in the diagrams down below for you. Please get back to us with what you find out.

Thanks,
Alex
2CarPros
Nov 28, 2019 at 5:29 AM
Avatar
HAMEX
  • MEMBER
  • 9 POSTS
I was checking my connections to the coils. The sta-con's accidentally shorted out on the head. Now I have no power to half of my fuse block. Do you think I blew a relay?
Nov 28, 2019 at 7:53 AM
Avatar
SCGRANTURISMO
  • CERTIFIED EXPERT
  • 4,897 POSTS
Hello again,

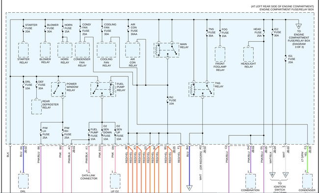
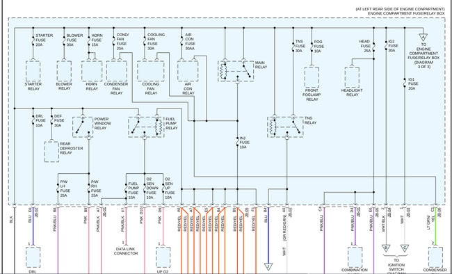
In the diagrams down below I have included the Power Distribution Wiring Diagrams for your vehicle. I'm not sure what you have going on there, but in the bottom left of the first diagram you will see the battery. Just follow the wires from that and you should run into a blown fuse. Relays don't blow like fuses do, so I wouldn't worry about one of those. Please get back to us with what you find out and I hope this helps.

Thanks,
Alex
2CarPros
Nov 28, 2019 at 11:50 AM
Avatar
HAMEX
  • MEMBER
  • 9 POSTS
Thank you for taking time today to help me. I checked all the fuses today and none are blown.
Nov 28, 2019 at 2:52 PM
Avatar
HAMEX
  • MEMBER
  • 9 POSTS
You don't think I smoked the computer do you? I plugged into the port and now it will not pair up with my code reader.
Nov 28, 2019 at 6:58 PM
Avatar
SCGRANTURISMO
  • CERTIFIED EXPERT
  • 4,897 POSTS
Hello again,

The Power-train Control Module [PCM] has a fuse that is protecting it, so if you did throw a power spike to it, the fuse would blow protecting However, you were saying that 1/2 of your fuse box doesn't have power to it, perhaps the fuse that feeds the PCM is in that half of the fuse box. In the diagrams down below I have included the wiring diagram for the computer data lines in your vehicle as well as a diagram of the Instrument Panel Fuse Box with the ECU fuse. Please go through these guides and check the ECU fuse and get back to us with what you are able to find out.

Thanks,
Alex
2CarPros
Nov 28, 2019 at 8:09 PM
Avatar
HAMEX
  • MEMBER
  • 9 POSTS
Okay. Thanks for your help. I found that there was a 10 amp fuse in the block that was blown. That fixed the fuse block problem. I also found that the sta-kons were not seated properly in the coils. I find it strange that Kia did not make a molded connector for that. I seated them and the car started right up and sounds good. I appreciate the wiring schematics. They helped a lot. Thanks again for the help. The car was one fuse away from the junk yard.
Dec 1, 2019 at 10:04 AM
Avatar
SCGRANTURISMO
  • CERTIFIED EXPERT
  • 4,897 POSTS
Hello again,

I'm glad to hear you got it straightened out.

Thanks,
Alex
2CarPros
Dec 1, 2019 at 7:50 PM