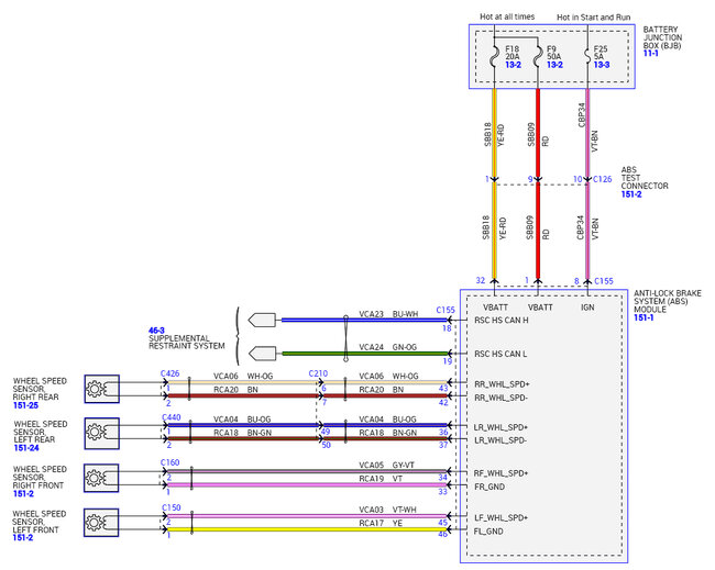
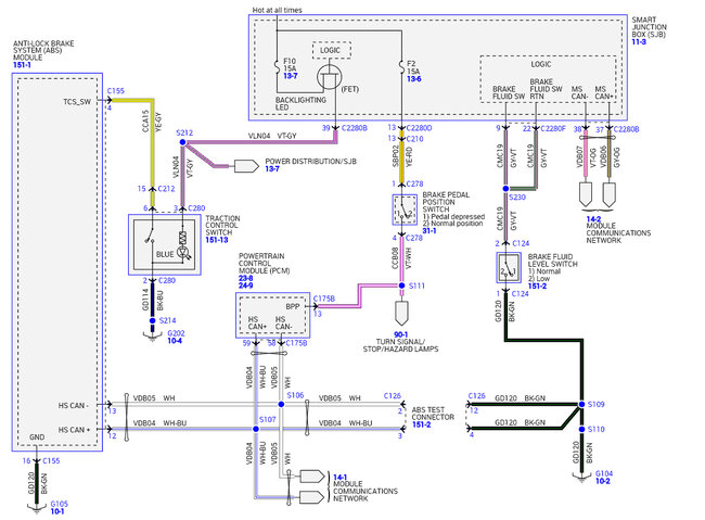
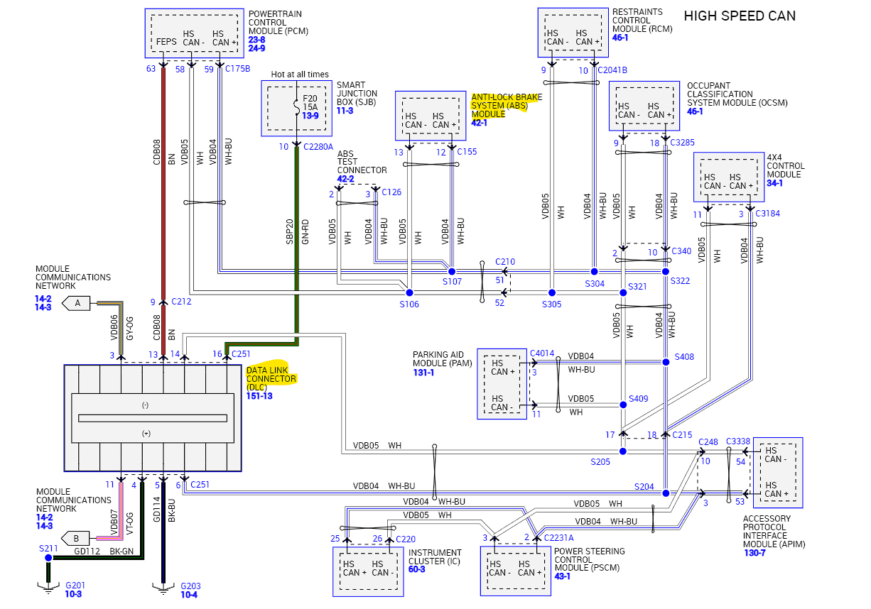
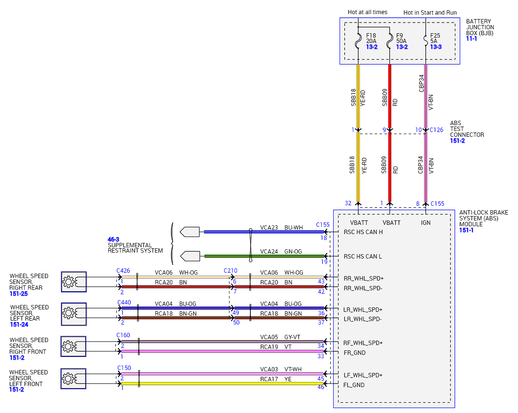
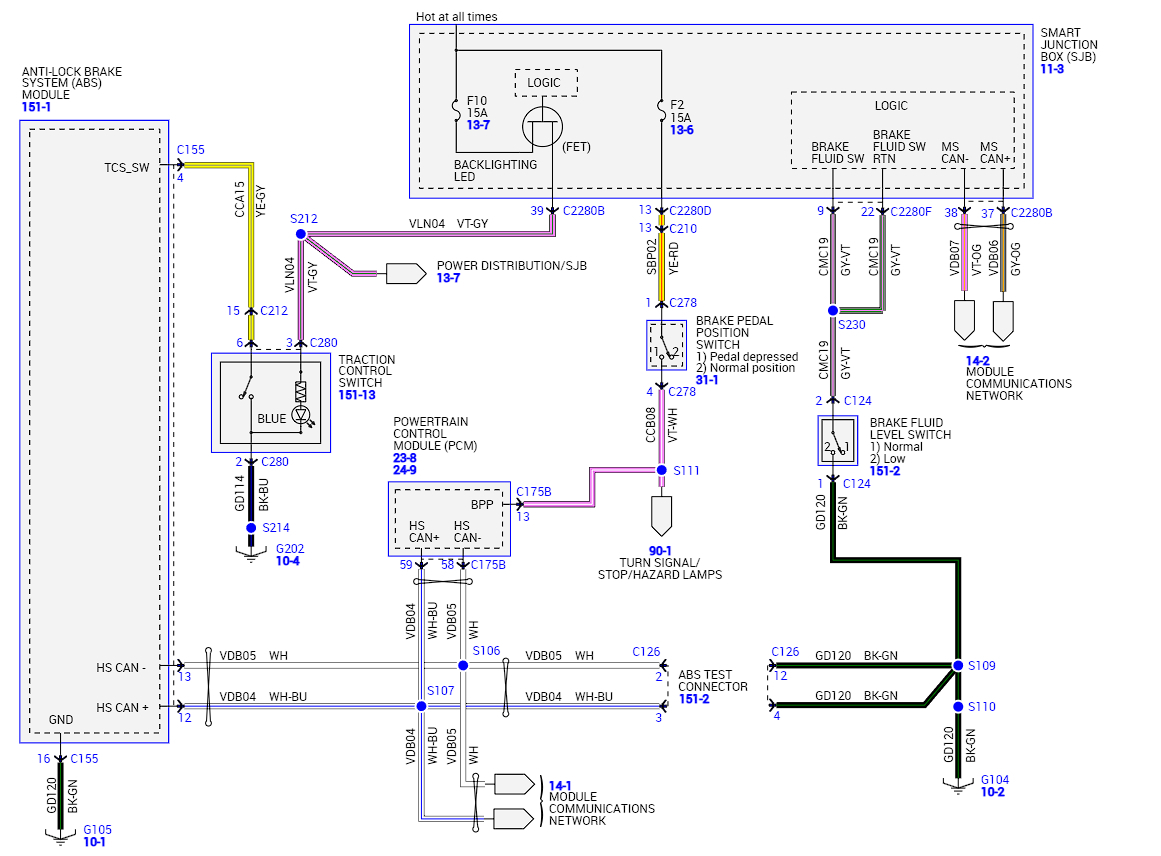
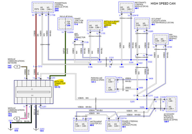
I have a u0028 code and my car shows the ABS light and traction control light on the dash. A code scanner says it cannot communicate with the ABS computer system. I want to find which wire is faulty between the PCM/ECU and the ABS controller.
Jul 6, 2023 at 9:01 AM







