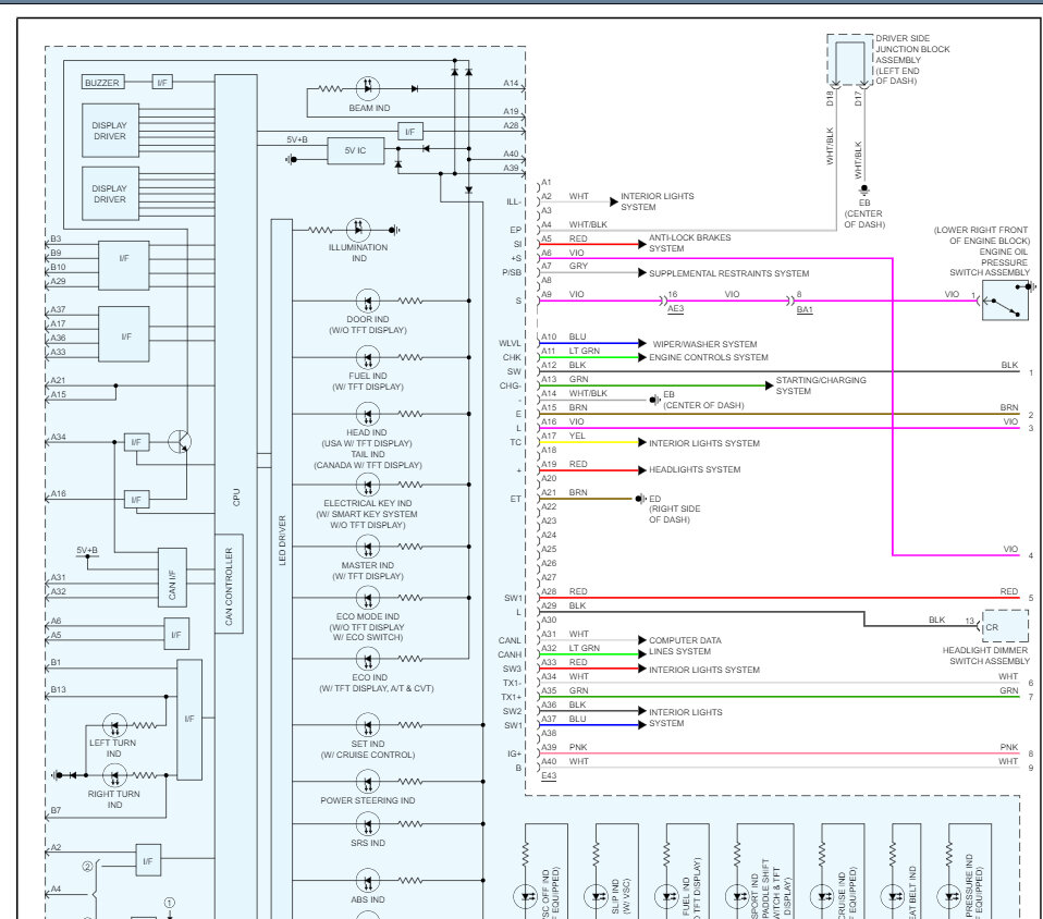
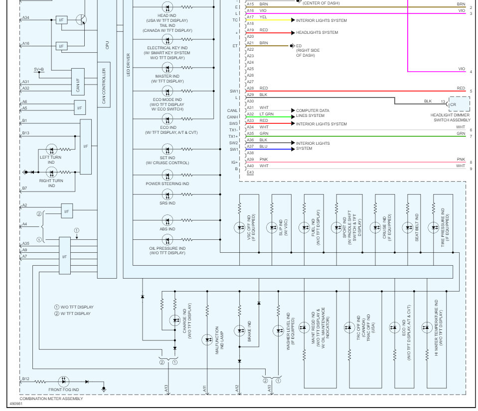
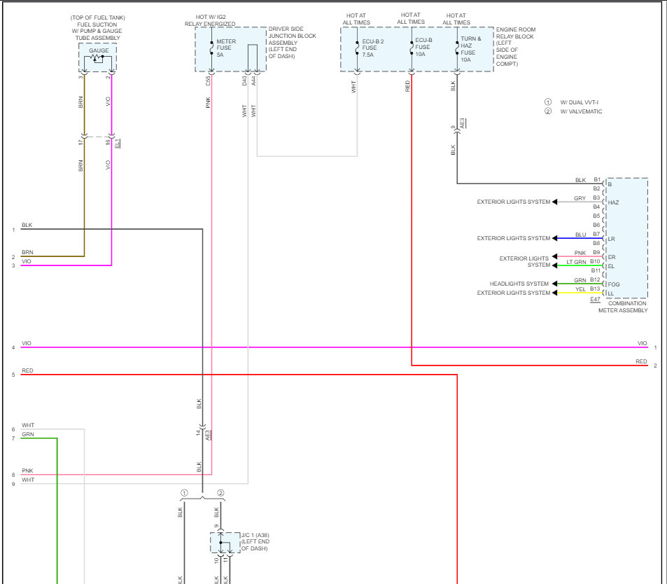
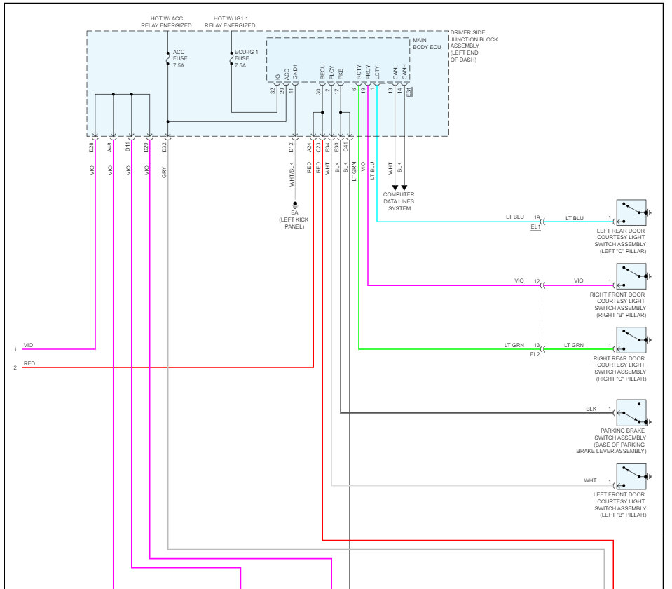
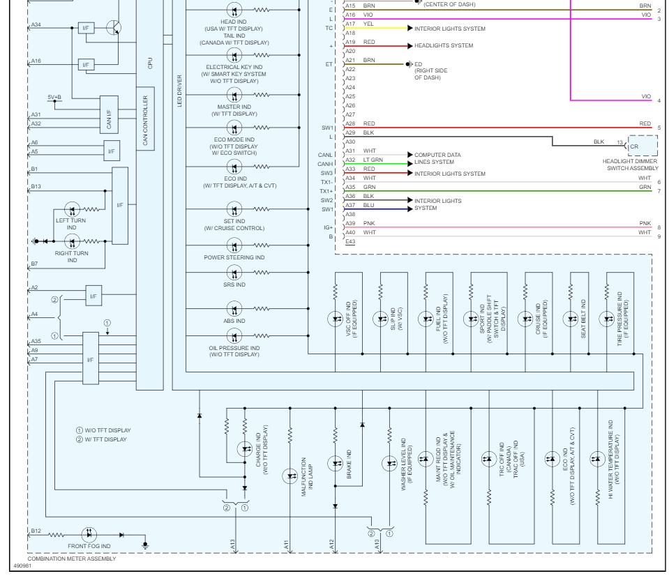
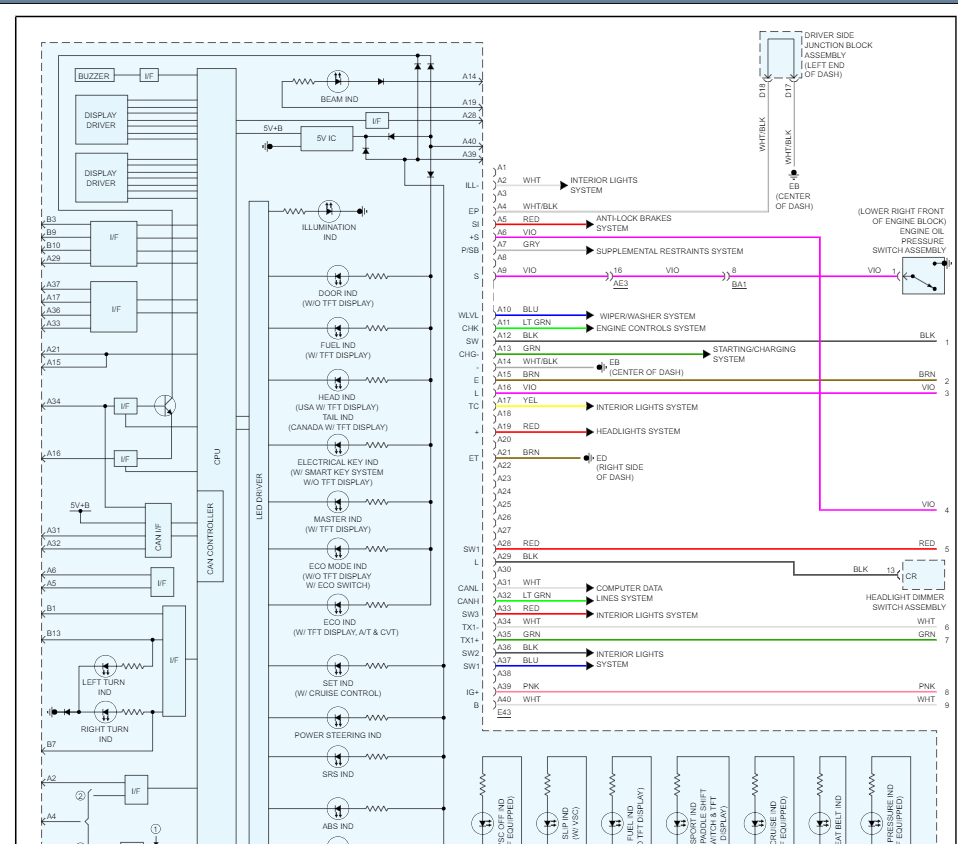
Anyone who knows the pin out of this instrument cluster for the car listed above?
I changed my cluster to this. But my steering wheel don't have controls on the LCD display.
Reset trips/average range.
Change page.
Planning to make an external control for the LCD.
Hope someone knows how.
Thanks in advance.
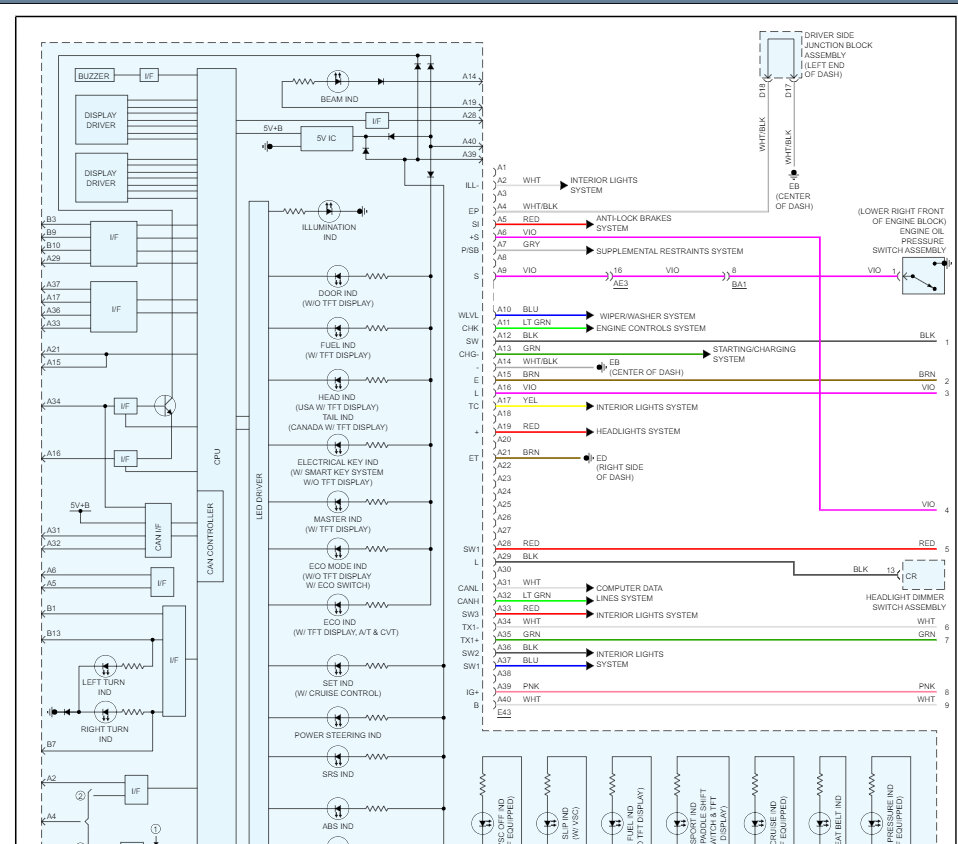
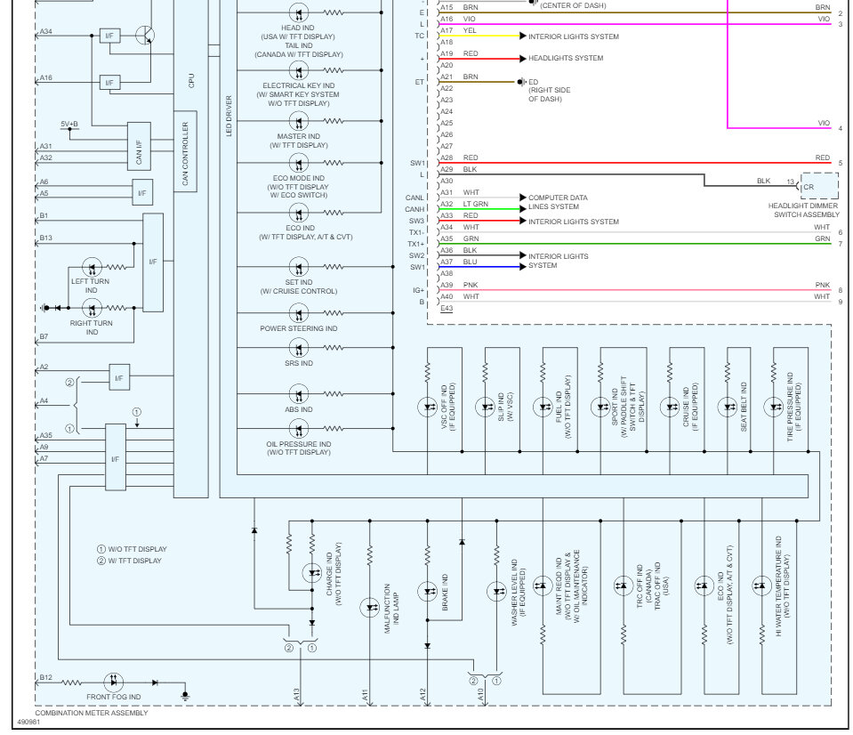
I changed my cluster to this. But my steering wheel don't have controls on the LCD display.
Reset trips/average range.
Change page.
Planning to make an external control for the LCD.
Hope someone knows how.
Thanks in advance.
Jul 27, 2023 at 5:35 PM








