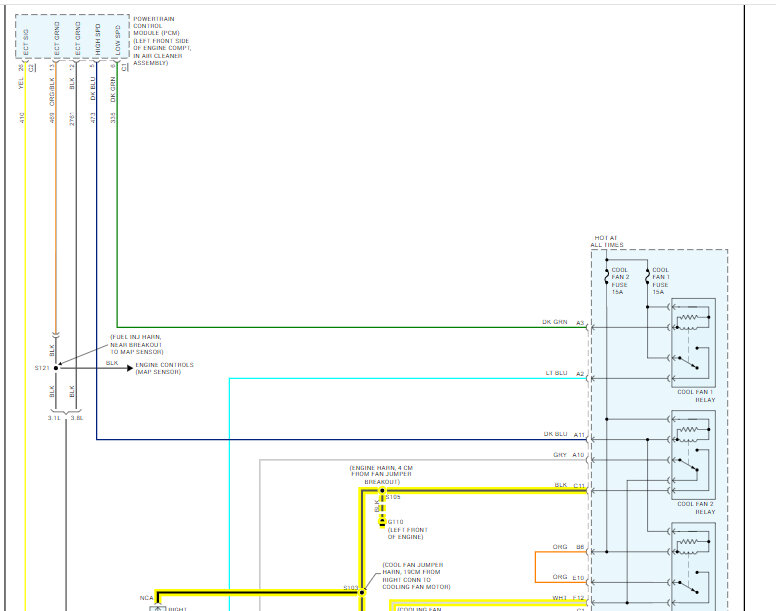
engine will overheat and go into red on temperature gauge on dash. have hooked up to the diagnostic connector and used software to check engine temperature which was 224 degrees. has no DTC 's what temperature does the engine ECM bring the cooling fans on. It has two fans which can be operated by pulling the fan relay and jumping the contacts at the relay panel. has no ground from ECM to activate relay.
May 16, 2024 at 2:12 PM


